Страница 69 - CT; Монтажник
69 КЕРІВНИЦТВО З МОНТАЖУ ТА НАЛАШТУВАННЯ СИСТЕМ ОЧИЩЕННЯ ВОДИ ECOSOFT ® переходить до наступного кроку ; Щоб увійти в меню Монтажник, утримуйте і протягом 3 секунд . Введіть жорсткість вихідної води в одиницях ppm (міліграм/літр). Якщо керувальний клапан оснащений вбудованим клапаном підмішування, н...
Страница 86 - УВАЖАЕМЫЙ ПОКУПАТЕЛЬ!
УВАЖАЕМЫЙ ПОКУПАТЕЛЬ! Компания НПО Экософт, благодарит Вас за покупку данной системы очистки воды. Надеемся, что приобретенная система очистки воды позволит получить воду требуемого Вами качества. Все системы производимые компанией НПО Экософт имеют необходимые сертификаты качества. Оригинальные сис...
Страница 87 - СОДЕРЖАНИЕ
87 РУКОВОДСТВО ПО МОНТАЖУ И НАСТРОЙКЕ СИСТЕМ ОЧИСТКИ ВОДЫ ECOSOFT ® 1 Назначение 88 2 Компоненты 92 3 Монтаж 95 4 Настройка управляющего клапана 108 5 Обслуживание 115 6 Меры предосторожности 115 7 Условия хранения 115 8 Возможные неисправности и их устранение 116 9 Спецификации 120 10 Гарантия 127 ...
Страница 88 - НАЗНАЧЕНИЕ; Обозначения фильтров содержат следующую информацию:; Особые типы систем
РУКОВОДСТВО ПО МОНТАЖУ И НАСТРОЙКЕ СИСТЕМ ОЧИСТКИ ВОДЫ ECOSOFT ® 88 1. НАЗНАЧЕНИЕ 1.1. Общие положения Засыпные фильтры очистки воды Ecosoft – автоматические установки фильтрации, используемые для очистки воды в бытовых, коммерческих и промышленных целях. Фильтр Ecosoft состоит из стеклопластикового...
Страница 89 - Фильтры комплексной очистки Ecosoft FK с Ecomix®
89 РУКОВОДСТВО ПО МОНТАЖУ И НАСТРОЙКЕ СИСТЕМ ОЧИСТКИ ВОДЫ ECOSOFT ® 1.2. Фильтры комплексной очистки Ecosoft FK с Ecomix® Вода из скважин обычно содержит разнородные примеси, такие как кальций и магний («соли жесткости»), железо, марганец, аммоний и органические загрязнения. Это значительно осложняе...
Страница 91 - Фильтры удаления сероводорода Ecosoft FPC
91 РУКОВОДСТВО ПО МОНТАЖУ И НАСТРОЙКЕ СИСТЕМ ОЧИСТКИ ВОДЫ ECOSOFT ® соединений, а также природных органических веществ, обуславливающих цветность и окисляемость природных вод. Кроме этого, установки Ecosoft FPA позволяют улучшить вкус и устранить посторонние запахи воды. В качестве фильтрующего мате...
Страница 92 - КОМПОНЕНТЫ; Засыпной фильтр Ecosoft; управляющий клапан
РУКОВОДСТВО ПО МОНТАЖУ И НАСТРОЙКЕ СИСТЕМ ОЧИСТКИ ВОДЫ ECOSOFT ® 92 2. КОМПОНЕНТЫ Засыпной фильтр Ecosoft ( солевой бак не входит в состав установок FP, FPA и FPC ) управляющий клапан верхний дренажный колпачок центральная труба свободный объем размер корпуса таблетированная соль шахта рассольного к...
Страница 94 - CI
РУКОВОДСТВО ПО МОНТАЖУ И НАСТРОЙКЕ СИСТЕМ ОЧИСТКИ ВОДЫ ECOSOFT ® 94 Тип к лапана управ ления Ко личеств о цик лов С че тчик и инжек - ционная сист ема Во змо жность по дк лю чения устройств Д опо лнит ельные во змо жности управ ляющ ег о клапана CE;Twin 5 Есть • 2 автоматических клапана • разъем dP ...
Страница 97 - Монтаж фильтров FU Cabinet и FK Cabinet
97 РУКОВОДСТВО ПО МОНТАЖУ И НАСТРОЙКЕ СИСТЕМ ОЧИСТКИ ВОДЫ ECOSOFT ® 3.2. Монтаж фильтров FU Cabinet и FK Cabinet Если кабинетная установка уже заполнена фильтру ющим материалом, пропустите шаги 1-4 и выполните только шаги 5-8 . 1. Отсоедините гибкую трубку ⅜″ от солевого колена управляющего клапана....
Страница 100 - Монтаж установок DFU Twin и DFK Twin
РУКОВОДСТВО ПО МОНТАЖУ И НАСТРОЙКЕ СИСТЕМ ОЧИСТКИ ВОДЫ ECOSOFT ® 100 муфту через отверстие в стенке солевого бака и солевой шахты внутри бака. Закройте солевую шахту крышкой. Заполните бак таблетированной солью не менее чем наполовину и закройте. 7. Установите монтажные фитинги: прижмите их к патруб...
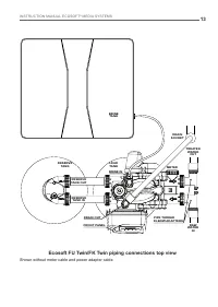
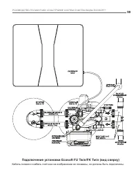
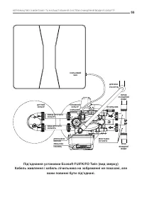
Страница 101 - Подключение установки Ecosoft DFU Twin/DFK Twin
101 РУКОВОДСТВО ПО МОНТАЖУ И НАСТРОЙКЕ СИСТЕМ ОЧИСТКИ ВОДЫ ECOSOFT ® Подключение установки Ecosoft DFU Twin/DFK Twin Кабеля MOTOR, 12VAC, и METER не показаны, но должны быть подключены. Оба управляющих клапана должны быть запрограммированы для работы в системе Twin согласно инструкции в следующем ра...
Страница 102 - Монтаж системы DFU Duplex и DFK Duplex
РУКОВОДСТВО ПО МОНТАЖУ И НАСТРОЙКЕ СИСТЕМ ОЧИСТКИ ВОДЫ ECOSOFT ® 102 6. Установите солевой бак рядом с корпусами фильтров. Возьмите два отрезка гибкой полиэтиленовой трубки ⅜″ из комплекта и установите их в солевые фитинги каждого управляющего клапана. Свободные концы трубок соедините быстроразъемым...
Страница 103 - Подключение установки Ecosoft DFU Duplex/DFK Duplex
103 РУКОВОДСТВО ПО МОНТАЖУ И НАСТРОЙКЕ СИСТЕМ ОЧИСТКИ ВОДЫ ECOSOFT ® Подключение установки Ecosoft DFU Duplex/DFK Duplex Кабеля MOTOR, 12VAC, и METER не показаны, но должны быть подключены.На каждом клапане должен быть установлен микропереключатель, подключенный к разъему DP_SWITCH другого клапана, ...
Страница 106 - Монтажная схема установок FK или FU Twin; Механический фильтр 100 мкм
РУКОВОДСТВО ПО МОНТАЖУ И НАСТРОЙКЕ СИСТЕМ ОЧИСТКИ ВОДЫ ECOSOFT ® 106 3.6. Монтажная схема установок FK, FU, FPA, или FPC 1. Механический фильтр 100 мкм 2. Реагентная система FK или FU 3. Сорбционный фильтр FPA или FPC 3.7. Монтажная схема установок FK или FU Twin 1. Механический фильтр 100 мкм 2. Ре...
Страница 107 - Монтажная схема установок DFK или DFU Twin; Монтажная схема установок DFK или DFU Duplex
107 РУКОВОДСТВО ПО МОНТАЖУ И НАСТРОЙКЕ СИСТЕМ ОЧИСТКИ ВОДЫ ECOSOFT ® 3.8. Монтажная схема установок DFK или DFU Twin 1. Механический фильтр 100 мкм 2. Реагентная система DFK или DFU Twin (главный фильтр) 3. Реагентная система DFK или DFU Twin (второй фильтр) 3.9. Монтажная схема установок DFK или DF...
Страница 108 - НАСТРОЙКА УПРАВЛЯЮЩЕГО КЛАПАНА
РУКОВОДСТВО ПО МОНТАЖУ И НАСТРОЙКЕ СИСТЕМ ОЧИСТКИ ВОДЫ ECOSOFT ® 108 4. НАСТРОЙКА УПРАВЛЯЮЩЕГО КЛАПАНА 4.1. Настройка управляющих клапанов CE, CI, CE Twin ( для систем FK, FU, FK Twin, FU Twin ) После установки и подключения системы Ecosoft FU или FK или Twin-установки, задайте язык интерфейса, теку...
Страница 109 - для систем типа DFK Twin, DFU Twin; для внесения необходимых настроек обоих клапанов.; Конфигурация; После этого снова нажмите и удерживайте; ВЫХОД ИЗ МЕНЮ
109 РУКОВОДСТВО ПО МОНТАЖУ И НАСТРОЙКЕ СИСТЕМ ОЧИСТКИ ВОДЫ ECOSOFT ® Введите время суток, в которое будет выполняться отложенная регенерация: час, затем минута. Включите или выключите функцию энерго-сбережения (выключение подсветки экрана через 5 минут бездействия – доступно только в клапанах CE). Н...
Страница 110 - Чтобы войти в меню; Системные Настройки; После этого, выполните процедуру настройки
РУКОВОДСТВО ПО МОНТАЖУ И НАСТРОЙКЕ СИСТЕМ ОЧИСТКИ ВОДЫ ECOSOFT ® 110 Нажмите NEXT, чтобы перейти к экрану КЛАПАН 1 (VALVE 1). Выберите значение КЛАПАН А на главном фильтре и КЛАПАН B на втором фильтре. Нажмите CLOCK, чтобы сохранить настройки и закрыть меню на этом пункте. Чтобы войти в меню Системн...
Страница 111 - Настройка управляющих клапанов CE, CI для систем Duplex; для систем DFK Duplex, DFU Duplex
111 РУКОВОДСТВО ПО МОНТАЖУ И НАСТРОЙКЕ СИСТЕМ ОЧИСТКИ ВОДЫ ECOSOFT ® 4.3. Настройка управляющих клапанов CE, CI для систем Duplex ( для систем DFK Duplex, DFU Duplex ) После окончания монтажа и подключения системы Ecosoft DFU Twin или DFK Twin, войдите в меню Конфигурация для внесения необходимых на...
Страница 112 - для систем FK and FU Cabinet; управляющего клапана.
РУКОВОДСТВО ПО МОНТАЖУ И НАСТРОЙКЕ СИСТЕМ ОЧИСТКИ ВОДЫ ECOSOFT ® 112 Для параметра ВНЕШНИЙ ВХОД выберите значение УДЕРЖАНИЕ (HOLD) на обоих управляющих клапанах. Нажмите CLOCK, чтобы сохранить настройки и закрыть меню на этом пункте. Чтобы войти в меню Системные Настройки , нажмите и удерживайте в т...
Страница 113 - Настройка управляющих клапанов
113 РУКОВОДСТВО ПО МОНТАЖУ И НАСТРОЙКЕ СИСТЕМ ОЧИСТКИ ВОДЫ ECOSOFT ® Кнопки и меняют значение параметра; кнопка сохраняет введенное значение и переходит к следующему шагу; Чтобы войти в меню Монтажник , удерживайте и в течение 3 секунд . Введите жесткость исходной воды в единицах ppm (миллиграмм/лит...
Страница 114 - SET и ▲ в течение 3 секунд
РУКОВОДСТВО ПО МОНТАЖУ И НАСТРОЙКЕ СИСТЕМ ОЧИСТКИ ВОДЫ ECOSOFT ® 114 Чтобы войти в меню Монтажник , удерживайте SET и ▲ в течение 3 секунд . Введите время суток, в которое будет выполняться регенерация: час, затем минута . Выберите текущий день недели (Day 1 это воскресенье, Day 2 это понедельник и ...
Страница 115 - ОБСЛУЖИВАНИЕ
115 РУКОВОДСТВО ПО МОНТАЖУ И НАСТРОЙКЕ СИСТЕМ ОЧИСТКИ ВОДЫ ECOSOFT ® 5. ОБСЛУЖИВАНИЕ В солевом баке должно быть достаточное количество таблетированной соли. Не допускается, чтобы соль полностью находилась под водой. Не допускается использование соли, не предназначенной для регенерации умягчителей. В...
Страница 116 - ВОЗМОЖНАЯ ПРИЧИНА; ВОЗМОЖНЫЕ НЕИСПРАВНОСТИ И ИХ УСТРАНЕНИЕ
РУКОВОДСТВО ПО МОНТАЖУ И НАСТРОЙКЕ СИСТЕМ ОЧИСТКИ ВОДЫ ECOSOFT ® 116 ПРОБЛЕМА ВОЗМОЖНАЯ ПРИЧИНА УСТРАНЕНИЕ 1. Снизилась про - изв одит ельность сист емы. Снизилось давление питающей воды. Увеличить давление питающей воды.Засорение фильтрующего материала Смотрите пункт 3. Засорились дренажи. Прочисти...
Страница 117 - продолжение
117 РУКОВОДСТВО ПО МОНТАЖУ И НАСТРОЙКЕ СИСТЕМ ОЧИСТКИ ВОДЫ ECOSOFT ® ПРОБЛЕМА ВОЗМОЖНАЯ ПРИЧИНА УСТРАНЕНИЕ 3. Зас орился филь тр ую - щий ма териал ( продолжение ) Засорился верхний дренажный колпачок. Прочистить верхний дренажный колпачок. Слишком высокая скорость взрыхления фильтрующего материала....
Страница 120 - Системы комплексной очистки воды Ecosoft FK с Ecomix; Технические требования; СПЕЦИФИКАЦИИ
РУКОВОДСТВО ПО МОНТАЖУ И НАСТРОЙКЕ СИСТЕМ ОЧИСТКИ ВОДЫ ECOSOFT ® 120 9.1. Системы комплексной очистки воды Ecosoft FK с Ecomix ® Технические требования Помещение Температура воздуха +5°C…+40°C Относительная влажность ≤80% Установочная площадка в помещении; отсутствие паров коррозионно-активных вещес...
Страница 121 - требуемый расход воды для промывки системы, давление 2 бар
121 РУКОВОДСТВО ПО МОНТАЖУ И НАСТРОЙКЕ СИСТЕМ ОЧИСТКИ ВОДЫ ECOSOFT ® Модельный ряд систем М оде ль Габ аритные ра змеры 1 , м (Ш × Г × В) Номинальная произв одит ельность, м 3 /ч Ко личеств о филь тр ующ ег о ма териала, л Расх од с оли за рег енерацию,кг NaCl Расх од в оды за рег енерацию, м 3 Мини...
Страница 125 - Системы удаления сероводорода Ecosoft FPC
125 РУКОВОДСТВО ПО МОНТАЖУ И НАСТРОЙКЕ СИСТЕМ ОЧИСТКИ ВОДЫ ECOSOFT ® Модельный ряд систем М оде ль Габ аритные ра змеры 1 , м (Ш × Г × В) Номинальная произв одит ельность, м 3 /ч Ко личеств о филь тр ующ ег о ма териала, л Расх од в оды за рег енерацию, м 3 Мин. произв оди - те льность се ти в одо -...
Страница 126 - Системы механической очистки Ecosoft FP
РУКОВОДСТВО ПО МОНТАЖУ И НАСТРОЙКЕ СИСТЕМ ОЧИСТКИ ВОДЫ ECOSOFT ® 126 Модельный ряд систем М оде ль Габ аритные ра змеры 1 , м (Ш × Г × В) Номинальная произв одит ельность, м 3 /ч Ко личеств о филь тр ующ ег о ма териала, л Расх од в оды за рег енерацию, м 3 Мин. произв оди - те льность се ти в одо -...
Страница 127 - Гарантийные обязательства не распространяются на:; ГАРАНТИЯ
127 РУКОВОДСТВО ПО МОНТАЖУ И НАСТРОЙКЕ СИСТЕМ ОЧИСТКИ ВОДЫ ECOSOFT ® ООО НПО ЭКОСОФТ гарантирует, что данная система очистки воды не содержит производственных дефектов, и что такие дефекты не выявятся в течение гарантийного срока, указанного в гарантийном талоне, с момента реализации со склада произ...
Страница 128 - ЛИСТ СПЕЦИФИКАЦИЙ И НАСТРОЕК; заполняется авторизованным специалистом; Состав исходной воды; подпись
РУКОВОДСТВО ПО МОНТАЖУ И НАСТРОЙКЕ СИСТЕМ ОЧИСТКИ ВОДЫ ECOSOFT ® 128 11. ЛИСТ СПЕЦИФИКАЦИЙ И НАСТРОЕК ( заполняется авторизованным специалистом ) Состав исходной воды Жесткость мг-экв/дм 3 Железо мг/дм 3 Марганец мг/дм 3 Окисляемость (ХПК) мг/дм 3 O 2 Аммоний мг/дм 3 рНМутность мг/дм 3 Сухой остаток...