De Dietrich BLC 500 - инструкции и руководства
Водонагреватель De Dietrich BLC 500 - инструкции пользователя по применению, эксплуатации и установке на русском языке читайте онлайн в формате pdf
Инструкции:
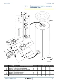
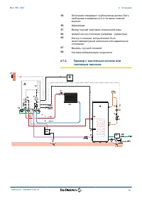
Инструкция по эксплуатации De Dietrich BLC 500
1
2
3
4
5
6
7
8
9
10
11
12
13
14
15
16
17
18
19
20
21
22
23
24
25
26
27
28
29
30
31
32
33
34
35
36
De Dietrich Водонагреватели Инструкции
-
De Dietrich BLC 150 100018088
Инструкция по эксплуатации
-
De Dietrich BLC 200 100018089
Инструкция по эксплуатации
-
De Dietrich BLC 200 7610709
Инструкция по эксплуатации
-
De Dietrich BLC 300 100018090
Инструкция по эксплуатации
-
De Dietrich BLC 400 100018091
Инструкция по эксплуатации
-
De Dietrich BLC 500 100018092
Инструкция по эксплуатации
-
De Dietrich BPB 200 7610708
Инструкция по эксплуатации
-
De Dietrich GMT 130 B
Инструкция по эксплуатации
-
De Dietrich BLC 150
Инструкция по эксплуатации
-
De Dietrich BLC 200
Инструкция по эксплуатации
-
De Dietrich BLC 300
Инструкция по эксплуатации
-
De Dietrich BPB 150
Инструкция по эксплуатации
-
De Dietrich BPB 200
Инструкция по эксплуатации
-
De Dietrich BPB 500
Инструкция по эксплуатации
-
De Dietrich BLС 300 EC606 100018090
Инструкция по эксплуатации
-
De Dietrich Comfort BLC 200 7610709
Инструкция по эксплуатации