Страница 2 - Содержание
Содержание 1 Правила техники безопасности .............................................................4 1.1 Общие правила техники безопасности ...........4 1.2 Рекомендации ......................................................4 1.3 Ответственность .................................................5...
Страница 3 - Защита
4.4 Установка оборудования ................................15 4.5 Выравнивание ...................................................16 4.6 Установка датчика ГВС ....................................16 4.7 Гидравлическая схема установки .................17 4.7.1 Список условных обозначений ................
Страница 5 - Общие правила техники безопасности; ОПАСНОСТЬ; Рекомендации; ВНИМАНИЕ
1 Правила техники безопасности 1.1 Общие правила техники безопасности ОПАСНОСТЬ Это оборудование могут эксплуатировать дети не младше 8 лет, а также лица с ограниченными физическими, сенсорными или умственными способностями и лица, не имеющие необходимые опыт и знания, если они находятся под надлежа...
Страница 6 - Ответственность; Ответственность производителя
ПРЕДУПРЕЖДЕНИЕ Только квалифицированному специалисту разрешено осуществлять действия на оборудовании и установке. ПРЕДУПРЕЖДЕНИЕ Вода из системы отопления и санитарно- техническая вода не должны смешиваться. Не должно быть циркуляции санитарно- технической воды в теплообменнике. 4 Для использования ...
Страница 9 - Используемые символы; Используемые в инструкции символы; Сокращения
2 Об этом руководстве 2.1 Используемые символы 2.1.1. Используемые в инструкции символы В этой инструкции обозначены различные уровни опасности для привлечения внимания на особые указания. Также мы желаем обеспечить безопасность пользователя, избежать любых проблем и гарантировать правильную работу ...
Страница 10 - Сертификаты
2.3 Сертификаты 2.3.1. Сертификаты Данное оборудование соответствует следующим европейским нормам и стандартам : 4 2006/95/EC – Директива о низком напряжении. Затрагиваемая норма : EN 60.335.1. Затрагиваемая норма : EN 60.335.2.21. 4 2004/108/EC – Директива об электромагнитной совместимости. Затраги...
Страница 11 - Общее описание
3 Техническое описание 3.1 Общее описание BLC 150...500 - это высокопроизводительные ёмкостные водонагреватели горячей санитарно-технической воды.Водонагреватели горячей санитарно-технической воды BLC 150...500 подключаются к котлам для центрального отопления, которые обеспечивают нагрев санитарно-т...
Страница 12 - Технические характеристики; Характеристики водонагревателя ГВС
3.2 Технические характеристики 3.2.1. Характеристики водонагревателя ГВС BLC 150 BLC 200 BLC 300 BLC 400 BLC 500 Первичный контур (Теплообменник) Максимальная рабочая температура °C 110 110 110 110 110 Максимальное рабочее давление МПа (бар) 1 (10) 1 (10) 1 (10) 1 (10) 1 (10) Максимальное безопасное...
Страница 13 - Установка; Нормы и правила для установки; Упаковка; Стандартная поставка
4 Установка 4.1 Нормы и правила для установки ВНИМАНИЕ Оборудование должно быть установлено квалифицированным специалистом с соблюдением требований национальных и местных действующих правил и норм. ВНИМАНИЕ Франция : Установка должна полностью отвечать правилам (DTU и другие...), которые руководят р...
Страница 14 - Выбор места для установки; Идентификационная табличка; Размещение оборудования; Основные размеры; Список условных обозначений
4.3 Выбор места для установки 4.3.1. Идентификационная табличка Наклеенная на водонагреватель идентификационная табличка содержит основную информацию об оборудовании : серийный номер, модель и т.д.. ВНИМАНИЕ Идентификационная табличка должна быть всегда доступна. 4.3.2. Размещение оборудования ВНИМА...
Страница 16 - Установка оборудования
n BLC300 - BLC 400 - BLC 500 C003719-B G Ø F A B C D E 1 2 3 4 5 4.4 Установка оборудования ВНИМАНИЕ 4 Необходимо 2 человека. 4 Во время транспортировки оборудования использовать перчатки. 1. Снять упаковку водонагревателя, оставив его на транспортировочной палетте. 2. Снять защитную упаковку.3. Отв...
Страница 17 - Выравнивание; Установка датчика ГВС
4.5 Выравнивание Выравнивание водонагревателя горячей санитарно- технической воды производится с помощью 3 ножек (поставляются в пакете с инструкцией), которые нужно прикрутить к основанию водонагревателя горячей санитарно- технической воды.1. Ввинтить 3 регулировочные ножки в основание водонагреват...
Страница 18 - Гидравлическая схема установки
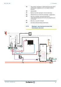
4.7 Гидравлическая схема установки 4.7.1. Список условных обозначений A Котел, Тепловой насос B Система регулирования 1 Подающая труба системы отопления 2 Обратная труба системы отопления 3 Предохранительный клапан 3 бар 4 Манометр 7 Автоматический воздухоотводчик 9 Запорный кран 10 3-ходовой смесит...
Страница 20 - Пример с напольным котлом
4.7.3. Пример с напольным котлом 4.7.4. Группа безопасности (Для всех стран,кроме Франции) 9 Запорный кран 28 Вход холодной санитарно-технической воды 29 Редуктор давления 30 Группа безопасности 54 Окончание отводящего трубопровода должно быть свободным и видимым на 2-4 см выше сливной воронки a Вво...
Страница 21 - Гидравлическое подключение
4.7.5. Группа безопасности (Только дляФранции) 9 Запорный кран 28 Вход холодной санитарно-технической воды 29 Редуктор давления 30 Группа безопасности 54 Окончание отводящего трубопровода должно быть свободным и видимым на 2-4 см выше сливной воронки a Ввод холодной воды со встроенным обратным клапа...
Страница 22 - Особые меры предосторожности; Предписание для Швейцарии; Расчёт размеров
n Особые меры предосторожности Перед подключением промыть все трубопроводы подачи санитарно-технической воды , чтобы металлические или иные частицы не попали в бак водонагревателя. n Предписание для Швейцарии Выполнить подключения в соответствии с указаниями Швейцарской Ассоциации Водной и Газовой П...
Страница 23 - Запорные вентили
Германия : Определить размеры предохранительного клапана в соответствии с нормами DIN 1988. Объёмводонагревателя (л) Минимальныйприсоединительныйразмер входапредохранительногоклапана Мощностьнагрева (кВт)(макс.) < 200 R или Rp 1/2 75 от 200 до 1000 R или Rp 3/4 150 4 Установить предохранительный ...
Страница 24 - Редуктор давления
n Редуктор давления Если входное давление превышает 80 % от давления срабатывания предохранительного клапана или группы безопасности (например, 5,5 бар (0,55 МПа) для группы безопасности на 7 бар (0,7 МПа)), то на входе оборудования необходимо установить редуктор давления. Установите редуктор давлен...
Страница 25 - Ввод в эксплуатацию оборудования
5 Ввод в эксплуатацию 5.1 Защита от легионелл(Только для модели 500 L) ПРЕДУПРЕЖДЕНИЕ Для водонагревателей горячей санитарно- технической воды объёмом более 400 литров обязательно соблюдать постановление "О защите от легионелл" (Франция : Постановление от 30 ноября 2005 г. - Германия : Trink...
Страница 26 - Качество санитарно-технической воды
5. Удалить воздух из трубопроводов горячей санитарно- технической воды, выполнив пункты 2 и 4 для каждого крана горячей воды. Тщательно удалить воздух из водонагревателя горячей санитарно-технической воды и распределительной сети, чтобы уменьшить шумы и толчки, вызванные заключенным внутри воздухом,...
Страница 27 - Общие правила; Проверка предохранительного клапана или группы безопасности; Чистка обшивки
6 Проверка и техническое обслуживание 6.1 Общие правила ВНИМАНИЕ 4 Операции по техническому обслуживанию котла должны выполняться квалифицированным специалистом. 4 Должны использоваться только заводские запасные части. 6.2 Проверка предохранительного клапана или группы безопасности Клапан или группа...
Страница 29 - Снятие заглушек для чистки; Установка на место заглушек для чистки
6.6.1. Снятие заглушек для чистки 1. Перекрыть подачу холодной санитарно-технической воды.2. Слить водонагреватель. Вход холодной воды также является отверстием для слива. 3. Снять заглушки для чистки. 6.6.2. Установка на место заглушек для чистки 1. Заменить уплотнительную прокладку заглушки и уста...
Страница 31 - Ведомость технического обслуживания
6.7 Ведомость технического обслуживания N°_____ Date (Дата)_________ Выполненный контроль______________________________ Примечания_____________________ Исполнитель_______________ Подпись____________ BLC 150...500 6. Проверка и техническое обслуживание 18/11/2015 - 300027311-04 30
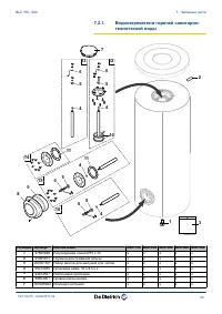
Страница 32 - Запасные части; Общие сведения
7 Запасные части 7.1 Общие сведения Если во время проверки или технического обслуживания обнаруживается, что необходимо заменить какую-либо часть оборудования, то использовать только оригинальные запасные части или рекомендуемые запасные части и материалы. Для заказа запасной части указать номер арт...
Страница 35 - ГАРАНТИИ
8 ГАРАНТИИ 8.1 Общие сведения Вы только что приобрели наше оборудование, и мы хотим поблагодарить Вас за проявленное доверие.Мы обращаем Ваше внимание на то, что оборудование наилучшим образом сохранит свои первоначальные качества при условии проведения регулярной проверки и технического обслуживани...
Страница 39 - Директива для экодизайна
1 Особая информация 1.1 Рекомендации Примечание Только квалифицированный персонал может заниматься сбо ром, установкой и обслуживанием. 1.2 Директива для экодизайна Это изделие соответствует требованиям Европейской директивы 2009/125/EC для экодизайна энергетического оборудования. 1.3 Технические д...