Beretta NOVELLA MAXIMA 279N RAI - инструкции и руководства
Котел Beretta NOVELLA MAXIMA 279N RAI - инструкции пользователя по применению, эксплуатации и установке на русском языке читайте онлайн в формате pdf
Инструкции:
Инструкция по эксплуатации Beretta NOVELLA MAXIMA 279N RAI
1
2
3
4
5
6
7
8
9
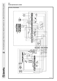
10
11
12
13
14
15
16
17
18
19
20
21
22
23
24
25
26
27
28
29
30
31
32
33
34
35
36
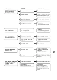
37
38
39
40
Beretta Котлы Инструкции
-
Beretta EXCLUSIVE MIX 30 RSI
Инструкция по эксплуатации
-
Beretta MYNUTE Green 12 RSI
Инструкция по эксплуатации
-
Beretta MYNUTE Green 15 RSI
Инструкция по эксплуатации
-
Beretta MYNUTE Green 28 CSI
Инструкция по эксплуатации
-
Beretta MYNUTE Green 32 CSI
Инструкция по эксплуатации
-
Beretta MYNUTE Green 35 RSI
Инструкция по эксплуатации
-
Beretta MYNUTE Green 36 CSI
Инструкция по эксплуатации
-
Beretta NOVELLA 24 RAI PV
Инструкция по эксплуатации
-
Beretta NOVELLA 26 RSI PV
Инструкция по эксплуатации
-
Beretta NOVELLA 31 RAI
Инструкция по эксплуатации
-
Beretta NOVELLA 31 RAI PV
Инструкция по эксплуатации
-
Beretta NOVELLA 32 RSI PV
Инструкция по эксплуатации
-
Beretta NOVELLA 38 RAI
Инструкция по эксплуатации
-
Beretta NOVELLA 45 RAI
Инструкция по эксплуатации
-
Beretta NOVELLA 55 RAI
Инструкция по эксплуатации
-
Beretta NOVELLA 64 RAI
Инструкция по эксплуатации
-
Beretta NOVELLA 71 RAI
Инструкция по эксплуатации
-
Beretta CIAO 28 CAI
Инструкция по эксплуатации
-
Beretta CITY 24 RSI
Инструкция по эксплуатации
-
Beretta CITY 28 RSI
Инструкция по эксплуатации