Beretta NOVELLA MAXIMA 172N RAI - Инструкция по эксплуатации

Beretta NOVELLA MAXIMA 172N RAI

Котел Beretta NOVELLA MAXIMA 172N RAI - инструкция пользователя по применению, эксплуатации и установке на русском языке. Мы надеемся, она поможет вам решить возникшие у вас вопросы при эксплуатации техники.

Если остались дополнительные вопросы — свяжитесь с нами через контактную форму.

1 Страница 1
2 Страница 2
3 Страница 3
4 Страница 4
5 Страница 5
6 Страница 6
7 Страница 7
8 Страница 8
9 Страница 9
10 Страница 10
11 Страница 11
12 Страница 12
13 Страница 13
14 Страница 14
15 Страница 15
16 Страница 16
17 Страница 17
18 Страница 18
19 Страница 19
20 Страница 20
21 Страница 21
22 Страница 22
23 Страница 23
24 Страница 24
25 Страница 25
26 Страница 26
27 Страница 27
28 Страница 28
29 Страница 29
30 Страница 30
31 Страница 31
32 Страница 32
33 Страница 33
34 Страница 34
35 Страница 35
36 Страница 36
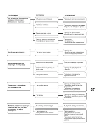
37 Страница 37
38 Страница 38
39 Страница 39
40 Страница 40
Страница: / 40
Загрузка инструкции

NOVELLA

MAXIMA

Чугунный

напольный

котел

Руководство по

эксплуатации.

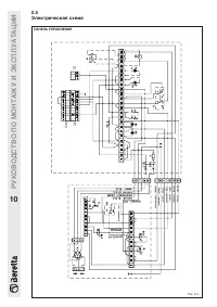
инстРукция по монтажу,

техниЧескому

обслуживанию и Ремонту.

"Загрузка инструкции" означает, что нужно подождать пока файл загрузится и можно будет его читать онлайн. Некоторые инструкции очень большие и время их появления зависит от вашей скорости интернета.

Характеристики

Другие модели - Котлы Beretta

Все котлы Beretta