Страница 2 - Тепловая пушка непрямого нагрева; AURORA TK-55ID aurora-online.ru; СОДЕРЖАНИЕ; инструкцию по вентиляции смотрите на странице 6.
Тепловая пушка непрямого нагрева Не оставляйте включенную тепловую пушку без присмотра. AURORA TK-55ID aurora-online.ru 2 СОДЕРЖАНИЕ ПРЕДУПРЕЖДЕНИЯ…………………..…..2 ОПИСАНИЕ ОБОРУДОВАНИЯ………..…3 ЭЛЕКТРИЧЕСКАЯ СХЕМА……………….3 ТЕХНИКА БЕЗОПАСНОСТИ……….…….4 ПРИНЦЫП РАБОТЫ…………………....….5 СНЯТИЕ УПАКОВКИ………………….…...
Страница 3 - ОПИСАНИЕ ОБОРУДОВАНИЯ
Тепловая пушка непрямого нагрева Не оставляйте включенную тепловую пушку без присмотра. AURORA TK-55ID aurora-online.ru 3 ОПИСАНИЕ ОБОРУДОВАНИЯ Технические характеристики Технические характеристики Название модели TK-55ID Мощность нагрева Макс. 17,5 кВт Расход топлива в час 1,7 л/ч Объем топливного ...
Страница 4 - ТЕХНИКА БЕЗОПАСНОСТИ
Тепловая пушка непрямого нагрева Не оставляйте включенную тепловую пушку без присмотра. AURORA TK-55ID aurora-online.ru 4 ТЕХНИКА БЕЗОПАСНОСТИ Опасность: Токсичные выбросы угарного газа смертельно опасны! Данное оборудование является тепловой пушкой непрямого нагрева, которая нагревает радиатор отоп...
Страница 6 - СНЯТИЕ УПАКОВКИ; пользователя. Содержимое коробки изображено на рисунке ниже.; СПОСОБ СБОРКИ КОЛЕС
Тепловая пушка непрямого нагрева Не оставляйте включенную тепловую пушку без присмотра. AURORA TK-55ID aurora-online.ru 6 СНЯТИЕ УПАКОВКИ Откройте коробку и проверьте оборудование, наличие запчастей и руководства пользователя. Содержимое коробки изображено на рисунке ниже. Внимание: не выбрасывайте ...
Страница 8 - ФИЛЬТРЫ ДЛЯ ВЫХОДА ВОЗДУХА И ФИЛЬТР ТОНКОЙ ОЧИСТКИ
Тепловая пушка непрямого нагрева Не оставляйте включенную тепловую пушку без присмотра. AURORA TK-55ID aurora-online.ru 8 3. Вставьте новый предохранитель. Наименование оборудования Предохранитель стандартный TK-50/55ID АС 250Вт, 5А, предохранитель длительного срабатывания ФИЛЬТРЫ ДЛЯ ВЫХОДА ВОЗДУХА...
Страница 9 - СОПЛО
Тепловая пушка непрямого нагрева Не оставляйте включенную тепловую пушку без присмотра. AURORA TK-55ID aurora-online.ru 9 СОПЛО ЧИСТИТЬ ПО МЕРЕ НЕОБХОДИМОСТИ - Снимите верхний кожух - Снимите лопасти вентилятора (См. Лопасти вентилятора). - Открепите топливный и воздушный шланги от сопла горелки. - ...
Страница 10 - СВЕЧА ЗАЖИГАНИЯ
Тепловая пушка непрямого нагрева Не оставляйте включенную тепловую пушку без присмотра. AURORA TK-55ID aurora-online.ru 10 СВЕЧА ЗАЖИГАНИЯ ПРОИЗВОДИТЕ ЧИСТКУ И РЕГУЛИРОВКУ ЗАЗОРОВ КАЖДЫЕ 600 ЧАСОВ РАБОТЫ И ЗАМЕНИТЕ ПРИ НЕОБХОДИМОСТИ Снимите верхний кожух - Снимите вентилятор (См. Лопасти вентилятора...
Страница 11 - ТОПЛИВНЫЙ ФИЛЬТР
Тепловая пушка непрямого нагрева Не оставляйте включенную тепловую пушку без присмотра. AURORA TK-55ID aurora-online.ru 11 ТОПЛИВНЫЙ ФИЛЬТР ПРОИЗВОДИТЕ ЧИСТКУ И ЗАМЕНУ ДВАЖДЫ В ОТОПИТЕЛЬНЫЙ СЕЗОН ИЛИ ПРИ НЕОБХОДИМОСТИ. - С помощью средней крестовой отвертки, снимите болты боковой крышки. - Снимите б...
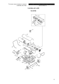
Страница 13 - ТАБЛИЦА ДЕТАЛЕЙ
Тепловая пушка непрямого нагрева Не оставляйте включенную тепловую пушку без присмотра. AURORA TK-55ID aurora-online.ru 13 ТАБЛИЦА ДЕТАЛЕЙ TK-50/55ID
Страница 14 - Наименование детали
Тепловая пушка непрямого нагрева Не оставляйте включенную тепловую пушку без присмотра. AURORA TK-55ID aurora-online.ru 14 № Наименование детали Номер детали 1 Топливный бак в сборке TK14—006—001 2 3 Топливный расходомер в сборке TK8—003—003 3-1 Прокладка датчика топлива TK8—003—003—1 4 Топливный фи...