Страница 2 - СОДЕРЖАНИЕ
2 СОДЕРЖАНИЕ СОДЕРЖАНИЕ ............................................................................................................................................ 2 ВВЕДЕНИЕ ...............................................................................................................................
Страница 3 - ВВЕДЕНИЕ; вероятность получения травм и повреждения оборудования.
3 ВВЕДЕНИЕ Благодарим вас за приобретение тепловой пушки АВРОРА. ВАЖНО! Перед началом работы необходимо внимательно прочитать инструкцию, это поможет уменьшить риск совершения ошибок при эксплуатации, а также снизит вероятность получения травм и повреждения оборудования. ПРЕДУПРЕЖДЕНИЕ! К эксплуатац...
Страница 4 - КОМПЛЕКТАЦИЯ
4 КОМПЛЕКТАЦИЯ Тепловая пушка 1 шт. Колёса 2 шт. Переднее поворотное колесо (только мод. ТК-170ID, ТК-240ID) 1 шт. Колёсная ось с комплектом фиксаторов 1 шт. Патрубок отвода 1 шт. Руководство по эксплуатации 1 шт. Рис.1 Комплектация.
Страница 5 - ОБЩИЙ ВИД
5 ОБЩИЙ ВИД Рис.2 Вид сбоку 1. Передняя ручка 2. Патрубок (отвод) 3. Задняя ручка 4. Передняя регулируемая ножка 5. Колесо Рис.3 Габариты
Страница 6 - ТЕХНИЧЕСКИЕ ХАРАКТЕРИСТИКИ
ТЕХНИЧЕСКИЕ ХАРАКТЕРИСТИКИ Модель Параметры TK - 55ID TK - 80ID TK - 170ID TK - 240ID Тепловая мощность (кВт/ч) 17.5 25 45 70 Расход топлива (л/ч) 1.7 2 4 5.7 Объем бака (л) 40 50 80 80 Рабочая нагрузка (ч) 23.5 25 20 14 Расчетная площадь обогрева (м2) 30 115 230 330 Защита от перегрева есть есть ес...
Страница 8 - ТЕХНИКА БЕЗОПАСНОСТИ; Опасность воспламенения!
8 ТЕХНИКА БЕЗОПАСНОСТИ ВНИМАНИЕ! Перед использованием оборудования внимательно ознакомьтесь с инструкцией по эксплуатации. Данное руководство должно храниться с оборудованием и быть в постоянном доступе у персонала, работающего и обслуживающего данное оборудование. К работе допускаются лица не молож...
Страница 10 - УСТАНОВКА И ЭКСПЛУАТАЦИЯ; Подготовка к эксплуатации
10 УСТАНОВКА И ЭКСПЛУАТАЦИЯ ВНИМАНИЕ! К работе с оборудованием допускается только обученный персонал, заранее ознакомленный со всеми положениями техники безопасности и данного руководства. Подготовка к эксплуатации 1. Извлечь тепловую пушку из упаковки. Убедитесь визуально в отсутствии повреждений и...
Страница 12 - Включение
12 Для правильной и безопасной работы пушки используется электронная система контроля пламени, реализованная посредством платы управления светочувствительного датчика. В случае прекращения горения датчик подает сигнал и плата безопасно останавливает работу нагревателя, на табло индикации заговается ...
Страница 13 - Выключение
13 Выключение 1. Нажмите кнопку СЕТЬ ВКЛ/ВЫКЛ в положение “ВЫКЛ”. Процесс горения прекратится. 2. Термостат нагретой камеры сгорания включит тепловую пушку в режим вентиляции. Через 3-4 мин. после охлаждения камеры сгорания до безопасной температуры термостат отключит вентилятор. 3. Выдерните вилку ...
Страница 14 - ТЕХНИЧЕСКОЕ ОБСЛУЖИВАНИЕ; Деталь
14 ТЕХНИЧЕСКОЕ ОБСЛУЖИВАНИЕ Предупреждение! При проведении очистки, следует принять все меры предосторожности, чтобы избежать случайного удара электрическим током. Неквалифицированным работникам запрещено открывать корпус оборудования! Перед проведением очистки от пыли необходимо отключить источник ...
Страница 16 - ХРАНЕНИЕ И ТРАНСПОРТИРОВКА; Внимание
16 ХРАНЕНИЕ И ТРАНСПОРТИРОВКА Тепловую пушку следует беречь от попадания воды и снега. Тара для хранения должна быть сухой и со свободной циркуляцией воздуха, без наличия агрессивного газа или пыли. Диапазон допускаемых температур от -25 до +55, и относительная влажность не более 90%. После того, ка...
Страница 17 - УСТРАНЕНИЕ ВОЗМОЖНЫХ НЕИСПРАВНОСТЕЙ; Индикаторы неисправности:; Hi
17 УСТРАНЕНИЕ ВОЗМОЖНЫХ НЕИСПРАВНОСТЕЙ Индикаторы неисправности: Индикатор Неисправность Диагностика E0 Не работает кнопка ВКЛ/ВЫКЛ После нажатия кнопки ВЫКЛ, питание все равно работает. Отключите оборудование от сети и заново включите. E1 Сработал датчик возгорания (ошибка фотоэлемента в сборке) 1....
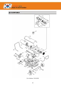
Страница 19 - Наименование
19 № Наименование 1 Топливный бак в сборе 2 3 Указатель расхода топлива 3-1 Прокладка указателя уровня расхода топлива 4 Топливный фильтр в сборе 4-1 Прокладка топливного фильтра 5 Топливная крышка 5-1 Прокладка топливной крышки 6 Сетевой кабель 7 Сетевой выключатель 8 Защитное окно 9 Ручка управлен...
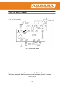
Страница 27 - ЭЛЕКТРИЧЕСКАЯ СХЕМА
27 ЭЛЕКТРИЧЕСКАЯ СХЕМА Рис.9 Элетрическая схема Представленная информация действительна на сентябрь 2018 года. Производитель оставляет за собой право на внесение изменений. Дополнительная информация публикуется на сайте: аurora-online.ru