Страница 2 - Содержание
Содержание Inhalt Содержание 2 Ознакомьтесь 3 Важно 3 Транспортировка и хранение 3 Условия гарантии 3 Комплект поставки 3 Ответственность 3 Специалисту 4 Указания для специалиста 4 Пользователю 5 Указания для пользователя 5 Обратитевнимание... 6 Используемые символы 6 Уход за аппаратом 6 При запахе ...
Страница 3 - Ознакомьтесь; Важно
3 Ознакомьтесь Важно Следует принимать во внимание предупреждения и указания, содержащиеся в руководстве по монтажу. Перед производством работ прочтите монтажные инструкции. Сборка и установка, а также первый пуск в эксплуатацию должны производиться авторизованным специалистом. Неквалифицированно вы...
Страница 4 - Специалисту; Указаниядляспециалиста
4 Специалисту Указаниядляспециалиста Данное руководство по монтажу и эксплуатации входит в комплект аппарата и поставляется вместе с ним. Ознакомьтесь с этим документом, чтобы получить полную информацию о надежном монтаже, эксплуатации и обслуживании. В данный документ следует вносить, заверяя ф...
Страница 5 - Указаниядляпользователя; Пользователю
5 Указаниядляпользователя Надежно сохраняйте данный документ и при смене пользователя передайте его Вашему преемнику. При проведении работ по техническому обслуживанию или ремонту представляйте данный документ для ознакомления специалисту. При неполадках в работе немедленно отключите аппарат и о...
Страница 8 - Включениеаппарата; Инструкцияпоэксплуатации; Выключениеаппарата
8 Включениеаппарата Откройте откидную крышку панели управления (слегка надавить на крышку посередине в верхней части). Один раз нажмите кнопку (7), чтобы включить аппарат. На ЖК-индикаторе отображается актуальная начальная температура отопления. Если существует потребность в большем количестве тепла...
Страница 9 - Эксплуатациявзимнеевремя; Режимотопленияинагреваводы; Эксплуатациявлетнеевремя; Функциязащитыотзамерзания
9 Эксплуатациявзимнеевремя Режимотопленияинагреваводы Нажмите кнопку (5) для перехода в зимний режим работы: „1“. Пока индикация мигает, повторным нажатием кнопки (5) Вы можете изменить режим работы. Режимотопления Задайте кнопками (1) и (2) температуру нагрева. Заданная температура (30° - 80°C) отр...
Страница 10 - Инструкцияпомонтажу; Инструкциипобезопасности:
10 Инструкцияпомонтажу Инструкциипобезопасности: Всегда действуйте осторожно и осмотрительно и соблюдайте все правила техники безопасности. При паяльных или сварочных работах держите наготове подходящие средства пожаротушения. При монтажных работах используйте перчатки, чтобы избежать травмиро...
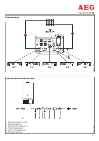
Страница 12 - Подключениегаза
12 Подсоединениетрубопровода холоднойводы При давлениях в системе холодной воды свыше 6 бар в подводе холодной воды должен быть смонтирован редуктор давления. Используйте трубы достаточного поперечного сечения и достаточно большие трубные отводы. Наполнениеконтурахозяйственно- питьевойводы Откройте ...
Страница 14 - Подключениекэлектросети; Комнатныйтермостат
14 Подключениекэлектросети На изготовителя не может быть возложена ответственность за ущерб, возникший в результате некачественного или выполненного с отклонениями от национальных нормативов монтажа. Аппарат должен быть с соблюдением фаз подключен к сети 230В / 50Гц силовым, нулевым и заземляющим пр...
Страница 18 - Первыйпусквэксплуатацию; Настройкигидравлическойсистемы; Настройкарасходавытекающейгорячей; Настройкаотопительного
18 Первыйпусквэксплуатацию Первый пуск в эксплуатацию может производиться только специалистом, имеющим соответствующие допуск и квалификацию. Необходимо проверить следующее: Установлен и подключен ли аппарат в соответствии с данными изготовителя? Совпадают ли номинальные данные на фирменной табл...
Страница 19 - Настройкагорелки; Настройкамощности; Магнитныйгазовыйклапан
19 Настройкагорелки Настройкамощности Настройка мощности может осуществляться только авторизованным техником. Учитывайте принятые в данной стране параметры давления подводимого газа. Аппарат заранее настроен на природный газ H с подводимым давлением 20 мбар. Возможна настройка на подводимое давление...
Страница 20 - Переводнадругойвидгаза
0 Переводнадругойвидгаза Переводы на другой вид газа могут производиться только квалифицированным специалистом! Дляпереводанадругойвидгазадолжны применятьсяоригинальныекомплектызавода- изготовителядляпереоборудования.Внихвходят всенеобходимыедляэтогочасти. Переводсприродногогазанасжиженный Для работ...
Страница 21 - Важныеуказанияпо; Открытиекожуха
21 Инструкцияпо техобслуживанию Важныеуказанияпо техобслуживанию Все работы по техобслуживанию должны выполняться авторизованным техником. Аппарат должен проходить техническое обслуживание не реже одного раза в год. Рекомендуется поручать проводить техническое обслуживание в конце отопительного сезо...
Страница 24 - Конструкцияаппарата
4 26 _0 9_ 01 _0 18 5 Конструкцияаппарата 1 Вентилятор отработанных газов 2 Теплообменник 3 Датчик температуры горячей воды 4 Зажигательно-контрольный электрод 5 Горелка 6 Предохранительный ограничитель температуры горячей воды 7 Трансформатор зажигания 8 Магнитный газовый клапан 9 Реле недостатка в...
Страница 25 - Электроника
5 26 _0 9_ 01 _0 18 9 Электроника A Главная плата B Вставная плата C Плата панели управления 1 Подключение к сети 2 Заземление 3 Трансформатор зажигания 4 Выключатель режима нагрева воды 5 Плата панели управления 6 Магнитный газовый клапан, модуляционная катушка 7 Комнатный термостат 8 Температурный...
Страница 28 - Кодынеисправностей; E0–Общееконтрольноесостояние
8 Кодынеисправностей E0–Общееконтрольноесостояние Возникли необъяснимые неполадки. Дляпользователя Выключите и снова включите аппарат. Если сигнал неисправности сохраняется, на короткое время отключите аппарат от электросети. Если сигнал неисправности сохраняется, обратитесь к авторизованному техник...
Страница 29 - Прочиенеисправности
9 E4–Датчиктемпературыгорячейводы Самотестирование выявило неисправность датчика температуры горячей воды (10). Дляпользователя Нажмите кнопку сброса (Reset). Если сигнал неисправности возникает повторно, проинформируйте об этом авторизованного техника. Длятехника Проверьте электрические штекерные с...
Страница 31 - Журналтехобслуживания
31 Свидетельствоотехобслуживании Датапроведениятехобслуживания: Техобслуживаниепроведено: (Печатьфирмы/Подпись:) Свидетельствоотехобслуживании Датапроведениятехобслуживания: Техобслуживаниепроведено: (Печатьфирмы/Подпись:) Свидетельствоотехобслуживании Датапроведениятехобслуживания: Техобслуживаниеп...