AEG GKT 183 comfort - инструкции и руководства

Котел AEG GKT 183 comfort - инструкции пользователя по применению, эксплуатации и установке на русском языке читайте онлайн в формате pdf

1 Page 1
2 Page 2
3 Page 3
4 Page 4
5 Page 5
6 Page 6
7 Page 7
8 Page 8
9 Page 9
10 Page 10
11 Page 11
12 Page 12
13 Page 13
14 Page 14
15 Page 15
16 Page 16
17 Page 17
18 Page 18
19 Page 19
20 Page 20
21 Page 21
22 Page 22
23 Page 23
24 Page 24
25 Page 25
26 Page 26
27 Page 27
28 Page 28
29 Page 29
30 Page 30
31 Page 31
32 Page 32

Краткое содержание

Страница 2 - Содержание

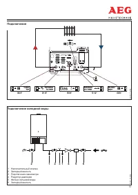
Содержание Inhalt Содержание 2 Ознакомьтесь 3 Важно 3 Транспортировка и хранение 3 Условия гарантии 3 Комплект поставки 3 Ответственность 3 Специалисту 4 Указания для специалиста 4 Пользователю 5 Указания для пользователя 5 Обратитевнимание... 6 Используемые символы 6 Уход за аппаратом 6 При запахе ...

Страница 3 - Ознакомьтесь; Важно

3 Ознакомьтесь Важно Следует принимать во внимание предупреждения и указания, содержащиеся в руководстве по монтажу. Перед производством работ прочтите монтажные инструкции. Сборка и установка, а также первый пуск в эксплуатацию должны производиться авторизованным специалистом. Неквалифицированно вы...

Страница 4 - Специалисту; Указаниядляспециалиста

4 Специалисту Указаниядляспециалиста  Данное руководство по монтажу и эксплуатации входит в комплект аппарата и поставляется вместе с ним. Ознакомьтесь с этим документом, чтобы получить полную информацию о надежном монтаже, эксплуатации и обслуживании.  В данный документ следует вносить, заверяя ф...

AEG Котлы Инструкции