Страница 3 - Содержание
RU 3 www.bora.com 7.1.7 Обратите внимание на индикатор остаточного тепла ............................................ 33 7.1.8 Использование функции таймера ................... 33 7.1.9 Включение/выключение защиты от детей ...... 34 7.2 Управление вытяжкой, встраиваемой в столешницу ...................
Страница 4 - Общие сведения; Целевая группа; Действие Руководства по; Директивы
RU 4 Общие сведения www.bora.com 1 Общие сведения Целевая группа Настоящее Руководство по эксплуатации и монтажу предназначено для указанных далее целевых групп: Целевая группа Требования Пользователь Изделием могут пользоваться дети, достигшие 8-летнего возраста, а также люди с ограниченными физиче...
Страница 5 - Отображение информации; Указания по безопасности и; ПРЕДУПРЕДИТЕЛЬНЫЙ ЗНАК И
RU 5 Общие сведения www.bora.com Предупре дительный знак Сигнальное слово Угроза Опасно Обращает внимание на непосредственную опасную ситуацию, которая при несоблюдении ведет к смерти или к тяжелым травмам. Предостережение Обращает внимание на возможную опасную ситуацию, которая при несоблюдении мож...
Страница 6 - Безопасность; Общие указания по
RU 6 Безопасность www.bora.com 2 Безопасность 2.1 Общие указания по безопасности ИНФОРМАЦИЯ Изделие соответствует предписаниям по технике безопасности. Пользователь осуществляет чистку, уход и безопасное использование изделия. Ненадлежащее использование может привести к травмам и к возникновению мат...
Страница 7 - Указания по безопасности
RU 7 Безопасность www.bora.com Вода, попавшая в изделие, может повредить его! X X По возможности чистите варочную панель после каждого процесса готовки. X X Варочную панель можно чистить только после того, как она остынет. X X Для чистки используйте исключительно неабразивные чистящие средства, чтоб...
Страница 9 - Вытяжка, встраиваемая в столешницу
RU 9 Безопасность www.bora.com Вытяжка, встраиваемая в столешницу ОПАСНО! Опасность для жизни вследствие отравления дымом! При работе теплогенерирующей установки, использующей воздух в помещении, образуются газообразные продукты горения. Если вытяжка, встраиваемая в столешницу, работает одновременно...
Страница 10 - Указания по безопасности
RU 10 Безопасность www.bora.com 2.3 Указания по безопасности монтажа Установку и монтаж изделия могут осуществлять только квалифицированные специалисты, которые знают и соблюдают принятые в стране предписания, а также дополнительные предписания местных организаций по энергоснабжению.Работы с электри...
Страница 11 - Опасность отравления
RU 11 Безопасность www.bora.com Вытяжка, встраиваемая в столешницу ОПАСНО! Опасность отравления газообразными продуктами сгорания! Вытяжка, встраиваемая в столешницу, при работе в режиме отвода воздуха поглощает воздух из помещения, в котором она установлена, и из соседних помещений. Без поступления...
Страница 12 - Опасность травмирования и; Использование по назначению; Запрещается любое недозволенное; Указания по безопасности; Опасность поражения
RU 12 Безопасность www.bora.com 2.5 Указания по безопасности запчастей ПРЕДОСТЕРЕЖЕНИЕ! Опасность травмирования и возникновения материального ущерба! Неподходящие детали могут стать причиной травм или повреждения изделия! Внесение изменений и дополнений в изделие или его переоборудование может негат...
Страница 13 - Технические
RU 13 Технические характеристики www.bora.com 3 Технические характеристики Параметр Значение Питающее напряжение 380 – 415 В 3 N Частота 50/60 Гц Потребляемая мощность 7,6 кВт Предохранитель не ниже 1 x 32 A / 2 x 16 A Общая мощность 7,6 кВт Фазное напряжение 220-240 В перем. тока / 50 Гц Основные р...
Страница 14 - Маркировка потребления энергии
RU 14 Маркировка потребления энергии www.bora.com 4 Маркировка потребления энергии Наименование продукции Стеклокерамическая варочная панель BORA с четырьмя конфорками и вытяжкой, встраиваемой в столешницу BIA BIU Режим работы Отвод воздуха Циркуляция воздуха Потребление энергии Значение Значение Ст...
Страница 15 - Описание устройства; Режим отвода воздуха
RU 15 Описание устройства www.bora.com 5 Описание устройства При каждом использовании устройства соблюдайте все указания по технике безопасности (см. главу «Безопасность»). Варочная панель с вытяжкой имеет следующие характеристики: Варочная панель: Q Q Уровень повышенной мощности Q Q Функции таймера...
Страница 16 - Сенсорное управление; Панель управления и принцип
RU 16 Описание устройства www.bora.com [4] Включение и выключение варочной панели [5] Уменьшить уровень мощности [5] Уменьшить значение таймера [6] Выбрать конфорку Поля индикации: [7] Индикатор уровня вентилятора/Индикатор необходимости очистки фильтра [8] Индикатор конфорок [9] Контрольная лампа к...
Страница 17 - Принцип действия конфорки
RU 17 Описание устройства www.bora.com 5.3.2 Уровень повышенной мощности Обе передние конфорки могут работать в режиме повышенного уровня мощности. В режиме повышенного уровня мощности можно быстрее нагреть большие объемы воды. При включенном режиме повышенного уровня мощности конфорки работают боле...
Страница 18 - фильтра; Предохранительные устройства; Принцип действия вытяжки; выключения
RU 18 Описание устройства www.bora.com 5.4.3 Индикатор необходимости очистки фильтра Индикатор необходимости очистки фильтра активируется через 150 часов эксплуатации вытяжки варочной панели. Фильтры из активированного угля выработали свой ресурс (только при циркуляции воздуха), а жироулавливающий ф...
Страница 19 - длительном нажатии кнопки
RU 19 Описание устройства www.bora.com 5.5.3 Защита конфорок от перегрева Все индукционные катушки и теплоотводы электроники оснащены защитой от перегрева. До того как индукционные катушки или теплоотводы перегреются, защита от перегрева принимает следующие меры: Q Q Уровень повышенной мощности P че...
Страница 20 - Монтаж; Проверка комплекта поставки; вспомогательные средства
RU 20 Монтаж www.bora.com 6 Монтаж X X Соблюдайте все указания по безопасности и предупредительные указания (см. главу «Безопасность»). X X Соблюдайте все инструкции производителя, входящие в комплект поставки. ИНФОРМАЦИЯ Питающий кабель для подключения к электросети должен быть предостав- лен заказ...
Страница 21 - Монтаж заподлицо; Данные для монтажа
RU 21 Монтаж www.bora.com Q Q В нагревательных устройствах с циркуляцией воздуха в кухонной мебели необходимо предусмотреть отверстие для обратного потока площадью не менее 500 см 2 (например, с помощью обрезки плинтуса или специальной панели). Q Q Розетка для подключения к электросети находится спе...
Страница 22 - Монтаж модели с циркуляцией; Монтажные размеры
RU 22 Монтаж www.bora.com X X В случае необходимости подложите пластинки для выравнивания по уровню [2]. X X Запишите обозначение типа и заводской номер варочной панели (FD-номер) на обратной стороне настоящего Руководства. Эти данные можно найти на заводской табличке на нижней стороне варочной пане...
Страница 25 - Монтаж модели с отводом; встраиваемой в столешницу,
RU 25 Монтаж www.bora.com при навесном монтаже X X Следите за тем, чтобы герметизирующая лента варочной панели налегала на столешницу. при монтаже заподлицо X X Следите за тем, чтобы герметизирующая лента хорошо охватывала варочную панель. X X В случае необходимости подложите пластинки для выравнива...
Страница 30 - Установка подключения к
RU 30 Монтаж www.bora.com 5 4 3 2 1 6 5 8 7 1 Abb. 6.35 Подсоединение канала отвода воздуха [1] Крепежная скоба [1] Дуговой участок отвода воздуха [2] Канал отвода воздуха X X Соедините канал отвода воздуха [8], предусмотренный по месту установки, с дуговым участком [7] отвода воздуха. X X Герметичн...
Страница 31 - Устройство управления питанием
RU 31 Монтаж www.bora.com 1 L1 2 3 4 N PE 220 - 240 V~ Abb. 6.38 Схема подключения, 1-фазное подключение 3 3 1 1 2 Abb. 6.39 Подключение варочной панели к электросети [1] Просверленные отверстия [2] Подключение к сети [3] Зажим для крепления кабеля X X В соответствии со схемой подключения (см. рис. ...
Страница 32 - Передача пользователю
RU 32 Монтаж www.bora.com Программирование устройства управления питанием Для программирования устройство должно быть выключено и защита от детей должна быть неактивна. Запрограммируйте варочную панель в течение 2 минут, после чего запитайте варочную панель током. X X Для программирования одновремен...
Страница 33 - Применение; варочной панели; Включение
RU 33 Применение www.bora.com 7 Применение X X При каждом применении соблюдайте указания по технике безопасности и предупреждения (см. главу «Безопасность»). ИНФОРМАЦИЯ Вытяжку, встраиваемую в столешницу, нельзя использовать с другими варочными панелями. ИНФОРМАЦИЯ Варочную панель следует использова...
Страница 35 - встраиваемой в столешницу
RU 35 Применение www.bora.com 7.2.2 Настройка уровня мощности вентилятора X X Для увеличения уровня мощности вентилятора нажмите . Последовательность уровней мощности вентилятора: Abb. 7.1 Последовательность уровней мощности вентилятора X X Для снижения уровня мощности вентилятора нажмите . ...
Страница 36 - Обратите внимание на; Замена фильтра; Экономия электроэнергии
RU 36 Применение www.bora.com перегреться. Конфорка и кастрюля могут быть повреждены от перегрева. X X По возможности всегда накрывайте посуду подходящей крышкой. X X Выбирайте посуду, размер которой соответствует количеству приготавливаемой еды. Большая, едва заполненная кастрюля расходует много эл...
Страница 37 - Чистка и уход; Чистящие средства; Уход за варочной панелью
RU 37 Чистка и уход www.bora.com 8 Чистка и уход X X Соблюдайте все указания по безопасности и предупредительные указания (см. главу «Безопасность»). X X Соблюдайте все инструкции производителя, входящие в комплект поставки. X X Во избежание получения травм убедитесь, что для плановой чистки и ухода...
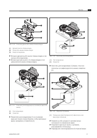
Страница 38 - фильтра из нержавеющей стали; в столешницу; Демонтаж входного сопла и жирового
RU 38 Чистка и уход www.bora.com 3 2 1 Abb. 8.2 Демонтаж жирового фильтра из нержавеющей стали [1] Жировой фильтр из нержавеющей стали [2] Ручка [3] Всасывающее отверстие X X Возьмитесь за ручку [2] жирового фильтра из нержавеющей стали. X X Выньте жировой фильтр из нержавеющей стали [1] из всасываю...
Страница 39 - Чистка корпуса воздуховода
RU 39 Чистка и уход www.bora.com 8.5.2 Закрытие корпуса воздуховода 12 3 4 5 Abb. 8.4 Закрытие корпуса воздуховода [1] Корпус воздуховода [2] Канавка уплотнения [3] Крючки для крепления [4] Насадки для фиксаторов [5] Дно корпуса X X Обеими руками разместите дно [5] корпуса таким образом, чтобы полож...
Страница 40 - Замена фильтра с
RU 40 Чистка и уход www.bora.com Достаньте фильтры с активированным углем 1 Abb. 8.6 откройте фиксаторы, расположенные в центре [1] Фиксаторы, расположенные посредине X X Откройте фиксатор [1], расположенный в центре. 1 Abb. 8.7 открытие наружных фиксаторов [1] Наружный фиксатор X X Откройте оба нар...
Страница 42 - Устранение неисправностей
RU 42 Устранение неисправностей www.bora.com 9 Устранение неисправностей Обстоятельства при управлении Причина Устранение Варочная панель или вентилятор не включается. Предохранительное устройство или автоматический выключатель электропроводки в квартире или в доме неисправен. Заменить предохранител...
Страница 43 - 0 Прекращение; Прекращение эксплуатации; Утилизация без ущерба для; Утилизация транспортной упаковки; Утилизация старого изделия
RU 43 Прекращение эксплуатации, демонтаж и утилизация www.bora.com 10 Прекращение эксплуатации, демонтаж и утилизация X X Соблюдайте все указания по безопасности и предупредительные указания (см. главу «Безопасность»). X X Соблюдайте все инструкции производителя, входящие в комплект поставки. 10.1 П...
Страница 44 - 1 Гарантия, сервисная; Сервисная служба
RU 44 Гарантия, сервисная служба и запчасти www.bora.com 11 Гарантия, сервисная служба и запчасти X X Соблюдайте все указания по безопасности и предупредительные указания (см. главу «Безопасность»). 11.1 Гарантия Срок гарантии составляет 2 года. 11.2 Сервисная служба Сервисная служба BORA: см. оборо...