Страница 2 - BLACKVUE; For manuals, customer support and FAQs go to
BLACKVUE DR590X-2CH For manuals, customer support and FAQs go to www.blackvue.com Руководства, служба технической поддержки и часто задаваемые вопросы представлены на сайте www.blackvue.com
Страница 30 - Комплектация изделия; В помощь пользователю
30 Комплектация изделия Перед установкой видеорегистратора BlackVue проверьте комплектацию изделия. Передняя камера Задняя камера Кабель питания для прикуривателя Кабель для подключения задней камеры Краткое руководство пользователя Кабельные зажимы (5 шт.) Карта microSD Адаптер карты microSD Двусто...
Страница 31 - Внешний вид; Передняя камера
31 Внешний вид На схемах ниже представлены все части видеорегистратора BlackVue. Передняя камера 34 мм Объектив камеры Кронштейн Передний индикатор безопасности : Светится: (i) обычный режим работы, (ii) регистрируется событие (обнаружено воздействие), (iii) запущена запись вручную или (iv) обнаруже...
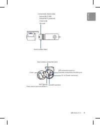
Страница 33 - Задняя камера
33 Задняя камера Кронштейн Объектив камеры 31 мм 67,4 мм 25 мм Задний индикатор безопасности : горит во всех режимах записи, но его можно отключить в настройках программной прошивки. Видеовыход (порт для подключения передней камеры) РУ ССКИЙ
Страница 34 - Установка и подключение питания; Внимание
34 ШАГ 1 Установка и подключение питания Установите переднюю камеру над зеркалом заднего вида. Установите заднюю камеру в верхней части заднего стекла. Перед установкой удалите все посторонние предметы с ветрового стекла, очистите его и протрите насухо. Внимание y Не устанавливайте видеорегистратор ...
Страница 36 - , чтобы подключить силовой
36 GPS-приемник или модуль связи (дополнительно):Вставьте GPS-приемник или модуль связи и установите устройство в углу ветрового стекла. Используйте рычажок, чтобы проложить кабель. Вставьте кабель питания в разъем прикуривателя и подключите другой конец кабеля к передней камере. Перейдите к , чтобы...
Страница 37 - (дополнительный компонент) используется для подключения; Примечание; руководству владельца транспортного средства.
37 Остановите двигатель. Видеорегистратор автоматически остановит запись и выключится. Чтобы сделать запись в режиме парковки, когда двигатель выключен, подключите силовой кабель (дополнительный компонент) или установите Power Magic Battery Pack (приобретается отдельно). Силовой кабель (дополнительн...
Страница 39 - Воспроизведение; Воспроизведение файлов видеозаписи на; смартфоне; Hастройки; в вашем смартфоне, выберите
39 ШАГ 2 Воспроизведение Воспроизведение файлов видеозаписи на смартфоне (Android/iOS) Найдите приложение BlackVue в магазине Google Play или App Store и установите его на своем смартфоне.Выполните сопряжение смартфона с видеорегистратором BlackVue с помощью Wi-Fi Direct. Для этого:(i) Однократно на...
Страница 41 - Воспроизведение видеозаписей на; ПК; Извлеките карту microSD из видеорегистратора.
41 Воспроизведение видеозаписей на ПК (Windows/Mac) Извлеките карту microSD из видеорегистратора. Откройте боковую крышку Извлечение карты Чтобы подключить карту microSD к компьютеру, воспользуйтесь адаптером microSD. Загрузите программу BlackVue Viewer по адресу www.blackvue.com > Support > D...
Страница 43 - Изменение часового пояса видеорегистратора,; Откройте приложение BlackVue и выберите WI-FI.; Настройка времени вручную
43 ШАГ 3 Изменение часового пояса видеорегистратора, пароля Wi-Fi и других настроек. Часовой пояс видеорегистратора исходно установлен на GMT-11. Чтобы время отображалось корректно, выберите свой часовой пояс. Использование смартфона (Android/iOS) Выполните сопряжение смартфона с видеорегистратором ...
Страница 45 - компьютере; , чтобы открыть панель; Настройка часового пояса
45 Изменение часового пояса видеорегистратора и других настроек прошивки на компьютере (Windows/macOS) Запустите программу BlackVue Viewer после подключения карты microSD видеорегистратора к компьютеру. Нажмите кнопку , чтобы открыть панель настроек BlackVue. Настройки Вы можете изменять такие парам...
Страница 46 - Подключение к BLACKVUE CLOUD (опционально); в верхнем левом углу экрана и выберите
46 ШАГ 4 Подключение к BLACKVUE CLOUD (опционально) Вы можете пропустить этот шаг, если у вас нет модуля связи BlackVue, а также если вы не хотите использовать службу BLACKVUE CLOUD Lite.Если у вас есть модуль связи BlackVue (CM100GLTE-M), вы можете использовать приложение BlackVue, чтобы подключить...
Страница 47 - Регистрация
47 QR-код: нажмите Сканировать QR-код и направьте экран своего смартфона на наклейку с QR-кодом на корпусе камеры; QR-код / Код Cloud / Серийный номер или Регистрация вручную: введите серийный номер своей камеры и код Cloud и нажмите Регистрация . Подключение видеорегистратора BlackVue к облаку (с и...
Страница 48 - Руководство по подключению LTE
48 Активация SIM-карты (iv) Настройте параметры APN, чтобы активировать SIM-карту. Для получения более подробной информации см. «Руководство по активации SIM-карты», которое находится в упаковочной коробке, или посетите справочный центр BlackVue: www.helpcenter.blackvue.com -> Руководство по подк...
Страница 49 - Для получения более подробной информации см. «Руководство по
49 Примечание y Для получения более подробной информации см. «Руководство по активации SIM-карты», которое входит в комплект поставки CM100GLTE-M. y Чтобы использовать службу BlackVue Cloud Lite, SIM-карта должна быть активирована для доступа в Интернет через сеть LTE-M. y Когда видеорегистратор под...
Страница 50 - Советы по оптимизации производительности; Техническая поддержка
50 Советы по оптимизации производительности Для стабильной работы видеорегистратора рекомендуется форматировать карту microSD раз в месяц. Форматирование с помощью BlackVue Viewer (Windows): Загрузите программу BlackVue Windows Viewer на сайте www.blackvue.com > Support > Downloads и установит...
Страница 51 - Технические характеристики устройства:; * При использовании силового кабеля клемма ACC+
51 Технические характеристики устройства: Модель DR590X-2CH Цвет/размер/вес Передняя камера: Черный/ширина 111,8 мм x высота 34 мм/87,8 гЗадняя камера: Черный/ширина 67,4 мм x высота 25 мм/20,3 г Память Карта памяти microSD (32 Гб/64 Гб/128 Гб/256 Гб) Режимы записи Обычная запись, запись событий (пр...
Страница 55 - Гарантия
Гарантия Срок гарантии на данное устройство составляет 1 год с даты покупки. (для аксессуаров, таких как батарея/карта памяти microSD: 6 месяцев) Мы, компания PittaSoft Co., Ltd, предоставляем гарантию на продукт в соответствии с правилами урегулирования потребительских споров (составленными Комисси...