Бежецк АСО К-22 2552 - Инструкция по эксплуатации

Бежецк АСО К-22 2552

Компрессор Бежецк АСО К-22 2552 - инструкция пользователя по применению, эксплуатации и установке на русском языке. Мы надеемся, она поможет вам решить возникшие у вас вопросы при эксплуатации техники.

Если остались дополнительные вопросы — свяжитесь с нами через контактную форму.

1 Страница 1
2 Страница 2
3 Страница 3
4 Страница 4
5 Страница 5
6 Страница 6
7 Страница 7
8 Страница 8
9 Страница 9
10 Страница 10
11 Страница 11
12 Страница 12
13 Страница 13
14 Страница 14
15 Страница 15
16 Страница 16
17 Страница 17
18 Страница 18
19 Страница 19
20 Страница 20
21 Страница 21
22 Страница 22
23 Страница 23
24 Страница 24
25 Страница 25
26 Страница 26
27 Страница 27
28 Страница 28
29 Страница 29
30 Страница 30
31 Страница 31
32 Страница 32
33 Страница 33
34 Страница 34
35 Страница 35
36 Страница 36
37 Страница 37
38 Страница 38
39 Страница 39
40 Страница 40
41 Страница 41
42 Страница 42
Страница: / 42

Содержание:

  • Страница 4 – пп
  • Страница 8 – КВ
  • Страница 27 – ВОЗМОЖНЫЕ
  • Страница 29 – мм
  • Страница 31 – Продолжение
  • Страница 34 – Таблица; Рис
  • Страница 36 – указать; подпись; ГАРАНТИИ
Загрузка инструкции

ОКПД

2

28.99.39
(

ОКП

4577)

АКЦИОНЕРНОЕ

ОБЩЕСТВО

«

БЕЖЕЦКИЙ

ЗАВОД

«

АВТОСПЕЦОБОРУДОВАНИЕ

»





УСТАНОВКИ

КОМПРЕССОРНЫЕ

серия

К




ПАСПОРТ

РУКОВОДСТВО

ПО

ЭКСПЛУАТАЦИИ

К

.00.00.000

ПС








Бежецк

2017

г

.

"Загрузка инструкции" означает, что нужно подождать пока файл загрузится и можно будет его читать онлайн. Некоторые инструкции очень большие и время их появления зависит от вашей скорости интернета.

Краткое содержание

Страница 4 - пп

2. ТЕХНИЧЕСКАЯ ХАРАКТЕРИСТИКА Технические параметры установок представлены в таблице 1. Таблица 1 * Для одной компрессорной головки 3. СОСТАВ ИЗДЕЛИЯ И КОМПЛЕКТ ПОСТАВКИ 3.1. В состав изделия входят : ресивер , пускатель магнитный ( для установок моделей К -3, К -20, и К -30); выключатель ( для уста...

Страница 8 - КВ

Воздушный фильтр ( рис .9 и 10) устанавливается на всасывающем фланце го - ловки блока цилиндров . Воздух , поступая в фильтр , проходит через фильтроэле - мент , изготовленный на основе ультратонкого стекловолокна , и направляется по патрубку во всасывающую полость крышки блока цилиндров . Охлажден...

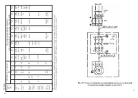
Страница 27 - ВОЗМОЖНЫЕ

Рис .18. Ресивер установки компрессорной , модель К -30: 1- клапан предохранительный ; 2- реле давления ; 3- вентиль раздаточ - ный ; 4- манометр контроля давления воздуха ; 5- пробка сливная ; 6- клапан обратный . 56 11. ВОЗМОЖНЫЕ ПРИЧИНЫ ОТКАЗОВ И ПОВРЕЖДЕНИЙ Таблица 8 Наименование неис - правност...

Характеристики

Другие модели - Компрессоры Бежецк АСО