Бастион Teplodom i-TRM SILVER - 9 Р 9кВт Uвх 220 380В Sотапл 90 кв.м - Инструкция по эксплуатации

Бастион Teplodom i-TRM SILVER - 9 Р 9кВт Uвх 220 380В Sотапл 90 кв.м

Котел Бастион Teplodom i-TRM SILVER - 9 Р 9кВт Uвх 220 380В Sотапл 90 кв.м - инструкция пользователя по применению, эксплуатации и установке на русском языке. Мы надеемся, она поможет вам решить возникшие у вас вопросы при эксплуатации техники.

Если остались дополнительные вопросы — свяжитесь с нами через контактную форму.

1 Страница 1
2 Страница 2
3 Страница 3
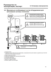
4 Страница 4
5 Страница 5
6 Страница 6
7 Страница 7
8 Страница 8
9 Страница 9
10 Страница 10
11 Страница 11
12 Страница 12
13 Страница 13
14 Страница 14
15 Страница 15
16 Страница 16
17 Страница 17
18 Страница 18
19 Страница 19
20 Страница 20
21 Страница 21
22 Страница 22
23 Страница 23
24 Страница 24
25 Страница 25
26 Страница 26
27 Страница 27
28 Страница 28
Страница: / 28
Загрузка инструкции

TEPLODOM i-TRM SILVER

(модели: 3, 6, 9, 12 кВт)

ОДНОКОНТУРНЫЙ

ЭЛЕКТРИЧЕСКИЙ КОТЁЛ

С СИМИСТОРНЫМ

УПРАВЛЕНИЕМ

РЕВОЛЬВЕРНОГО ТИПА

И МОДУЛЯЦИЕЙ МОЩНОСТИ

РУКОВОДСТВО

ПО ЭКСПЛУАТАЦИИ, ПАСПОРТ

В

"Загрузка инструкции" означает, что нужно подождать пока файл загрузится и можно будет его читать онлайн. Некоторые инструкции очень большие и время их появления зависит от вашей скорости интернета.

Характеристики

Другие модели - Котлы Бастион