Бастион Teplodom i-TRM SILVER - 12 Р 12кВт Uвх 380В Sотапл 120 кв.м - Инструкция по эксплуатации

Бастион Teplodom i-TRM SILVER - 12 Р 12кВт Uвх 380В Sотапл 120 кв.м

Котел Бастион Teplodom i-TRM SILVER - 12 Р 12кВт Uвх 380В Sотапл 120 кв.м - инструкция пользователя по применению, эксплуатации и установке на русском языке. Мы надеемся, она поможет вам решить возникшие у вас вопросы при эксплуатации техники.

Если остались дополнительные вопросы — свяжитесь с нами через контактную форму.

1 Страница 1
2 Страница 2
3 Страница 3
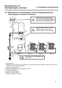
4 Страница 4
5 Страница 5
6 Страница 6
7 Страница 7
8 Страница 8
9 Страница 9
10 Страница 10
11 Страница 11
12 Страница 12
13 Страница 13
14 Страница 14
15 Страница 15
16 Страница 16
17 Страница 17
18 Страница 18
19 Страница 19
20 Страница 20
21 Страница 21
22 Страница 22
23 Страница 23
24 Страница 24
25 Страница 25
26 Страница 26
27 Страница 27
28 Страница 28
Страница: / 28
Загрузка инструкции

TEPLODOM i-TRM SILVER

(модели: 3, 6, 9, 12 кВт)

ОДНОКОНТУРНЫЙ

ЭЛЕКТРИЧЕСКИЙ КОТЁЛ

С СИМИСТОРНЫМ

УПРАВЛЕНИЕМ

РЕВОЛЬВЕРНОГО ТИПА

И МОДУЛЯЦИЕЙ МОЩНОСТИ

РУКОВОДСТВО

ПО ЭКСПЛУАТАЦИИ, ПАСПОРТ

В

"Загрузка инструкции" означает, что нужно подождать пока файл загрузится и можно будет его читать онлайн. Некоторые инструкции очень большие и время их появления зависит от вашей скорости интернета.

Характеристики

Другие модели - Котлы Бастион