BaltGaz 11 SL - Инструкция по эксплуатации

BaltGaz 11 SL

Котел BaltGaz 11 SL - инструкция пользователя по применению, эксплуатации и установке на русском языке. Мы надеемся, она поможет вам решить возникшие у вас вопросы при эксплуатации техники.

Если остались дополнительные вопросы — свяжитесь с нами через контактную форму.

1 Страница 1
2 Страница 2
3 Страница 3
4 Страница 4
5 Страница 5
6 Страница 6
7 Страница 7
8 Страница 8
9 Страница 9
10 Страница 10
11 Страница 11
12 Страница 12
13 Страница 13
14 Страница 14
15 Страница 15
16 Страница 16
17 Страница 17
18 Страница 18
19 Страница 19
20 Страница 20
21 Страница 21
22 Страница 22
23 Страница 23
24 Страница 24
25 Страница 25
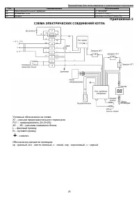
26 Страница 26
27 Страница 27
Страница: / 27
Загрузка инструкции

Уважаемый покупатель!

Благодарим Вас за то, что Вы отдали предпочтение нашему изделию. Вы приобрели од-

ноконтурный настенный котел с открытой камерой сгорания BaltGaz 11.

При покупке котла проверьте:

комплектность поставки (см. раздел13, стр. 20) и товарный вид котла;

соответствие вида (природный или сжиженный) и давления газа, используемого у
Вас, виду и давлению газа, указанным в разделе 11(с
тр. 19) данного руководства и в
табличке на котле.

Также требуйте заполнения торгующей организацией талонов на гарантийный ремонт.
При покупке котла с использованием кредита должен быть составлен график платежей

с указанием полной суммы, подлежащей выплате. График платежей должен быть подписан
Покупателем с указанием даты и расшифровкой подписи.

Котел и данное руководство являются двумя неотъемлемыми составляющими предла-

гаемого товара. Руководство содержит сведения о порядке установки котла, правилах его
эксплуатации и технического обслуживания, соблюдение которых обеспечит длительную
безотказную и безопасную работу котла. Пожалуйста, внимательно ознакомьтесь с руково-
дством перед вводом котла в эксплуатацию, следуйте приведенным в нем указаниям и бе-
режно храните его для дальнейшего пользования.

Данное руководство доступно для скачивания в сети интернет по адресу:

www.baltgaz.ru

С уважением,АО «Армавирский завод газовой аппаратуры».

352902, Краснодарский край, г. Армавир, ул. Тургенева, 319, литер Т, тел. (86137) 4-03-83

По вопросам качества и гарантии изделий обращаться по тел. (86137) 3-54-03

Телефон Службы технической поддержки

8

−800−555−40−35

(звонок на территории России бесплатный)

Установка котла допускается только в нежилых помещениях с температурой не ниже +5

0

С в стро-

гом соответствии с Проектом газификации, СП62.13330.2011 «Газораспределительные системы. Актуа-
лизированная редакцияСНиП 42−01−2002»,СП 7.13130.2009. «Отопление, вентиляция и кондициониро-
вание. Противопожарные требования» и Правилами противопожарного режима в Российской федера-
ции, утвержденными постановлением Правительства Российской Федерации от 25.04.2012 г. №390.

Все работы по установке, монтажу, инструктаж владельца, профилактическое обслуживание, уст-

ранение неисправностей и ремонт производятся только специализированной сервисной организацией.

Котел не предназначен для использования лицами (включая детей) с пониженными умственными

способностями или при отсутствии у них жизненного опыта.

Ответственность за безопасную эксплуатацию котла и содержание его в надлежащем состоянии

несет его владелец. Несоблюдение изложенных в руководстве мер безопасности и правил установки,
пользования и технического обслуживания может привести к выходу котла из строя, взрыву, пожару,
ожогу, отравлению газом или окисью углерода (СО) и поражению электрическим током.

АО «Армавирский завод газовой аппаратуры» постоянно ведет работу по усо-

вершенствованию выпускаемой продукции и оставляет за собой право вносить не-
обходимые изменения в конструкцию котла. Данные изменения могут быть не отра-
жены в руководстве по эксплуатации.














"Загрузка инструкции" означает, что нужно подождать пока файл загрузится и можно будет его читать онлайн. Некоторые инструкции очень большие и время их появления зависит от вашей скорости интернета.

Характеристики

Другие модели - Котлы BaltGaz

Все котлы BaltGaz