Ballu Master BHP-M-3 - Инструкция по эксплуатации

Ballu Master BHP-M-3

Тепловая пушка Ballu Master BHP-M-3 - инструкция пользователя по применению, эксплуатации и установке на русском языке. Мы надеемся, она поможет вам решить возникшие у вас вопросы при эксплуатации техники.

Если остались дополнительные вопросы — свяжитесь с нами через контактную форму.

1 Страница 1
2 Страница 2
3 Страница 3
4 Страница 4
5 Страница 5
6 Страница 6
7 Страница 7
8 Страница 8
9 Страница 9
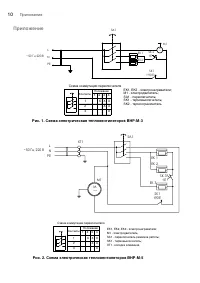
10 Страница 10
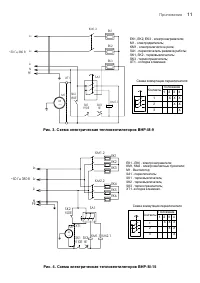
11 Страница 11
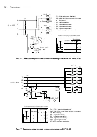
12 Страница 12
13 Страница 13
14 Страница 14
15 Страница 15
16 Страница 16
17 Страница 17
18 Страница 18
19 Страница 19
20 Страница 20
Страница: / 20
Загрузка инструкции

Перед началом эксплуатации прибора внимательно изучите
данное руководство и храните его в доступном месте.

Руководство
по эксплуатации

Гарантийный талон

Тепловентилятор

MM 05

BHP-M-3 | BHP-M-15 | BHP-M-36 |
BHP-M-5 | BHP-M-24 |
BHP-M-9 | BHP-M-30 |

Code-128

"Загрузка инструкции" означает, что нужно подождать пока файл загрузится и можно будет его читать онлайн. Некоторые инструкции очень большие и время их появления зависит от вашей скорости интернета.

Характеристики

Другие модели - Тепловые пушки Ballu

Все тепловые пушки Ballu