Ballu BHP-PE2-3 - Инструкция по эксплуатации

Ballu BHP-PE2-3

Тепловая пушка Ballu BHP-PE2-3 - инструкция пользователя по применению, эксплуатации и установке на русском языке. Мы надеемся, она поможет вам решить возникшие у вас вопросы при эксплуатации техники.

Если остались дополнительные вопросы — свяжитесь с нами через контактную форму.

1 Страница 1
2 Страница 2
3 Страница 3
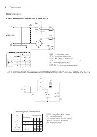
4 Страница 4
5 Страница 5
6 Страница 6
7 Страница 7
8 Страница 8
9 Страница 9
10 Страница 10
11 Страница 11
12 Страница 12
Страница: / 12
Загрузка инструкции

BHP-PE2-2
BHP-PE2-3
BHP-PE2-5

Руководство
по эксплуатации
Гарантийный талон

Тепловентилятор электрический

Code-128

Перед началом эксплуатации прибора внимательно
изучите данное руководство и храните его в доступном месте.

"Загрузка инструкции" означает, что нужно подождать пока файл загрузится и можно будет его читать онлайн. Некоторые инструкции очень большие и время их появления зависит от вашей скорости интернета.

Характеристики

Другие модели - Тепловые пушки Ballu

Все тепловые пушки Ballu