Автосигнализации StarLine Twage A6 - инструкция пользователя по применению, эксплуатации и установке на русском языке. Мы надеемся, она поможет вам решить возникшие у вас вопросы при эксплуатации техники.
Если остались вопросы, задайте их в комментариях после инструкции.
"Загружаем инструкцию", означает, что нужно подождать пока файл загрузится и можно будет его читать онлайн. Некоторые инструкции очень большие и время их появления зависит от вашей скорости интернета.

42
Èíñòðóêöèÿ ïî ýêñïëóàòàöèè è óñòàíîâêå
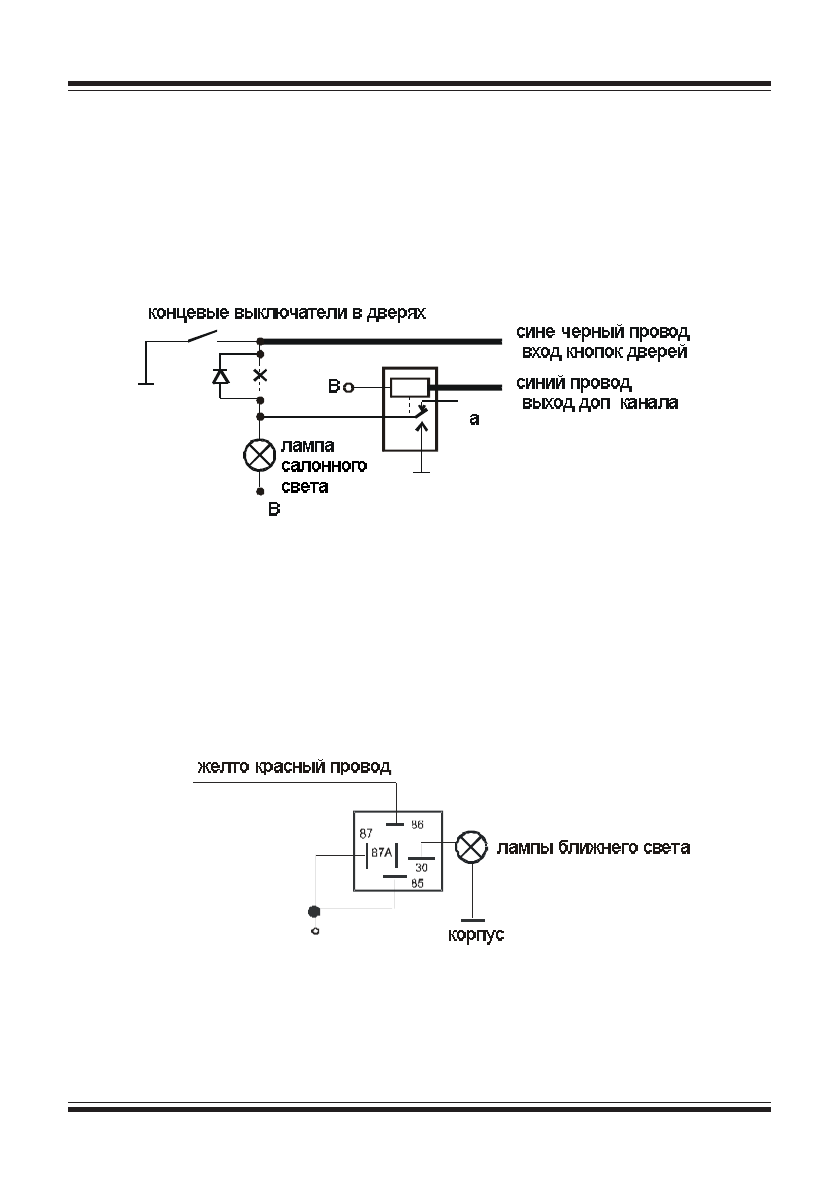
Ïîäêëþ÷åíèå ê ñàëîííîìó îñâåùåíèþ
Ñèãíàëèçàöèÿ èìååò âûõîä (ñèíèé ïðîâîä), êîòîðûé ìîæåò áûòü èñïîëüçîâàí äëÿ
ïîäêëþ÷åíèÿ ê ñàëîííîìó îñâåùåíèþ àâòîìîáèëÿ è ðåàëèçàöèè ôóíêöèè
âåæëèâîé ïîäñâåòêè ñàëîíà. Äëÿ ýòîãî äîïîëíèòåëüíûé êàíàë ¹2 äîëæåí áûòü
çàïðîãðàììèðîâàí â ðåæèì àêòèâàöèè ïðè âûêëþ÷åíèè ðåæèìà îõðàíû
(âàðèàíò 1). Ïðèìåð ñõåìû ïîäêëþ÷åíèÿ ïîêàçàí íà ðèñóíêå.
Ïîäêëþ÷åíèå ê áëèæíåìó ñâåòó ôàð
Äîïîëíèòåëüíûé êàíàë ¹3 (æåëòî-êðàñíûé ïðîâîä) ìîæåò áûòü èñïîëüçîâàí
äëÿ ïîäêë þ÷åíèÿ ê áëèæíåìó ñâåòó ôàð è ðåàëèçàöèè ôóíêöèè ñâåòîâàÿ
äîðîæêà. Äëÿ ýòîãî äëèòåëüíîñòü ñèãíàëà äîïîëíèòåëüíîãî êàíàëà ¹ 3 ìîæåò
áûòü çàïðîãðàììèðîâàíà íà 10 èëè 30 ñåêóíä èëè äî âûêëþ÷åíèÿ êàíàëà
áðåëêîì (ôóíêöèÿ 1). Ïðèìåð ñõåìû ïîäêëþ÷åíèÿ ïîêàçàí íà ðèñóíêå.
%



