Автосигнализации Sheriff ZX-710v2 - инструкция пользователя по применению, эксплуатации и установке на русском языке. Мы надеемся, она поможет вам решить возникшие у вас вопросы при эксплуатации техники.
Если остались вопросы, задайте их в комментариях после инструкции.
"Загружаем инструкцию", означает, что нужно подождать пока файл загрузится и можно будет его читать онлайн. Некоторые инструкции очень большие и время их появления зависит от вашей скорости интернета.

32
Примечание
Данное подключение используется в том случае, когда устанавливается нормально замкнутое
реле блокировки стартера. При использовании такого подключения отключение подачи пита
ния на охранную систему приводит к тому, что перестает работать функция блокировки стар
тера, а это, в свою очередь, позволяет запустить двигатель автомобиля.
ARM() — черный провод с белой полосой
: выход сигнала отрицательной полярности 500 мА
(когда система снята с охраны) — нормально разомкнутое реле блокировки (требуется уста
новка дополнительного реле).
Канал CH2 — темносиний провод
: выход второго канала
CH2
.
Отрицательный выход второго канала 500 мА с задержкой активируется при нажатии и удержа
нии на время более 1,2 сек кнопку
CH2
брелокапередатчика. Отрицательный выходной сигнал
второго канала активируется согласно выбранной функции
F9
таблицы программирования.
Темносиний провод системы представляет собой слаботочный транзисторный выход, поэтому
он должен использоваться только для включения внешнего реле.
Предупреждение
Непосредственное подключение темносинего провода к сильноточному выходу цепи откры
вания замка багажника автомобиля, а также к входу некоторых устройств дистанционного
запуска двигателя автомобиля приведет к повреждению основного блока охранной системы.
Схема примерного использования канала 2 приведена ниже.
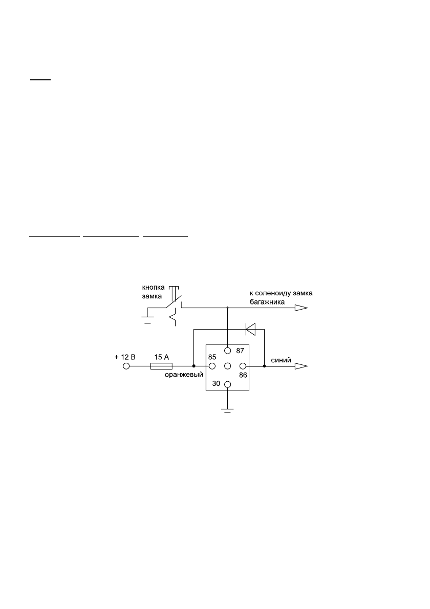
Управление открыванием багажника
Подключите выбранный провод канала управления к контакту управления реле типа PIT 40 А
12 V DC (или эквивалентного автомобильного реле, рассчитанного на ток 30–40 A). Подключи
те провода к другим контактам реле в соответствии с Вашей схемой управления. Схема при
мерного использования канала 2 для управления открыванием багажника приведена ниже:
Канал CH3 — зеленый провод с черной полосой /зеленый провод с красной полосой
:
выход третьего канала системы
CH3
.
Выход управления по каналу
CH3
представляет собой два вывода нормально разомкнутого
реле с током нагрузки не более 1 А. Канал
CH3
позволяет управлять различными дополни
тельными устройствами, подключаемыми к системе.
Для подачи управляющего сигнала на дополнительное устройство по каналу
CH3
используйте
брелокипередатчики согласно табл.1 табл.2 команд управления системой, а также исполь
зуйте таблицу программируемых функций для выбора требуемых параметров
F10
.
Канал CH4 — зеленый провод с белой полосой
: слаботочный канал управления различ
ными дополнительными устройствами, подключаемыми к системе (максимальный ток 500 мА).
Выход канала CH4
соединяется с "массой" в течение времени активации канала.
Выход канала CH4
— слаботочный выход, предназначен для управления обмоткой дополни
тельного реле или эквивалентной слаботочной нагрузкой.
Для подачи управляющего сигнала на дополнительное устройство по каналу
CH4
используйте
брелокипередатчики согласно табл.1 табл.2 команд управления системой, а также исполь
зуйте таблицу программируемых функций для выбора требуемых параметров
F11
.
Содержание
- 5 Внимание
- 12 Valet; Примечание
- 13 то двери автомобиля будут заперты.
- 17 Защита в режиме работающего двигателя (включенного зажигания).; в одно из двух состояний:; Противоразбойный активный транспондер; предназначен для повышения эффективности
- 20 дистанционного открывания багажника автомобиля,
- 28 РУКОВОДСТВО ПО УСТАНОВКЕ; Установка основных компонентов системы; Сирена
- 29 Концевой выключатель капота или багажника; Также никогда; Переключатель Valet; Для установки переключателя; выберите такое место, в котором водитель автомобиля; может быть закреплен на приборной панели автомобиля; Датчик удара
- 31 : вход для подключения концевых выключателей дверей; : выходной провод зажигания +12 В для слу; или ТРИГГЕР1, ТРИГГЕР2 дистанционного управления зажиганием; : выход сигнала отрицательной полярности 500 мА
- 35 Дополнительные полезные схемы управления центральным замком
- 37 Установка антенного модуля пейджера.; Очистите и обезжирьте место установки антенно; Настройка датчика удара.; Для зоны предупреждения данного датчика автоматически уста; Всегда прокладывайте провода охранной системы в гофриро