Автосигнализации Jaguar JX-4000RS - инструкция пользователя по применению, эксплуатации и установке на русском языке. Мы надеемся, она поможет вам решить возникшие у вас вопросы при эксплуатации техники.
Если остались вопросы, задайте их в комментариях после инструкции.
"Загружаем инструкцию", означает, что нужно подождать пока файл загрузится и можно будет его читать онлайн. Некоторые инструкции очень большие и время их появления зависит от вашей скорости интернета.
Загружаем инструкцию

JAGUAR JX-4000RS «
Инструкция
по
эксплуатации
системы
» ver. 2 © Saturn Marketing Ltd.
58
Содержание
- 2 Функции; “Valet”
- 3 Основные; Радиопередатчики; Кнопка
- 4 срабатывании; POWER SAVING; выклю; или; включен
- 5 » ver. 2 © Saturn Marketing Ltd.; Примечание; Светодиодный; РЕЖИМ; Кнопочный; Valet
- 6 ИНСТРУКЦИЯ; Включение; не; “ARM”
- 8 Автоматическое; данная
- 9 DISARM; Режим
- 14 бесшумно
- 17 Отключение; «DISARM»; Дистанционное; “DISARM”
- 19 одновременно; состоянии; выключено
- 22 только; «CALL»
- 23 УПРАВЛЕНИЕ; Никогда
- 24 Дистанционный
- 25 Un
- 27 может; “Safe Start”; Функция; “PARK”
- 28 ARM; “Turbo”
- 29 выключения
- 30 автоматический; Примечания; Valet 5
- 33 кроме; передатчика
- 34 раза; ре
- 35 Внимание; часов
- 36 РМ
- 37 РУКОВОДСТВО
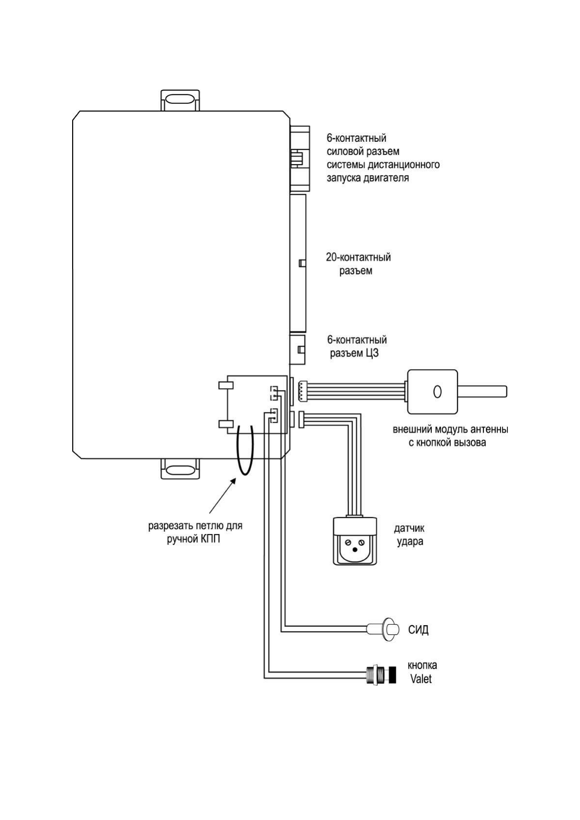
- 38 ПОДСОЕДИНЕНИЕ
- 41 КОМПЛЕКТ
- 42 автоматической
- 43 еобходимо
- 45 СИЛОВОЙ
- 47 замка
- 48 Lotus
- 50 Подсоединение
- 52 Обяза; Подключение
- 53 Программируемые; длинный
- 54 Выключена
- 57 Программирование; Valet 3