Автосигнализации Jaguar JX-4000RS - инструкция пользователя по применению, эксплуатации и установке на русском языке. Мы надеемся, она поможет вам решить возникшие у вас вопросы при эксплуатации техники.
Если остались вопросы, задайте их в комментариях после инструкции.
"Загружаем инструкцию", означает, что нужно подождать пока файл загрузится и можно будет его читать онлайн. Некоторые инструкции очень большие и время их появления зависит от вашей скорости интернета.

JAGUAR JX-4000RS «
Инструкция
по
эксплуатации
системы
» ver. 2 © Saturn Marketing Ltd.
52
В
этом
случае
данный
выход
системы
будет
автоматически
замыкаться
на
“
массу
”
на
20
се
-
кунд
или
на
30
секунд
каждый
раз
после
снятия
системы
с
охраны
и
будет
обеспечивать
мига
-
ние
внутрисалонного
освещения
при
срабатывании
системы
.
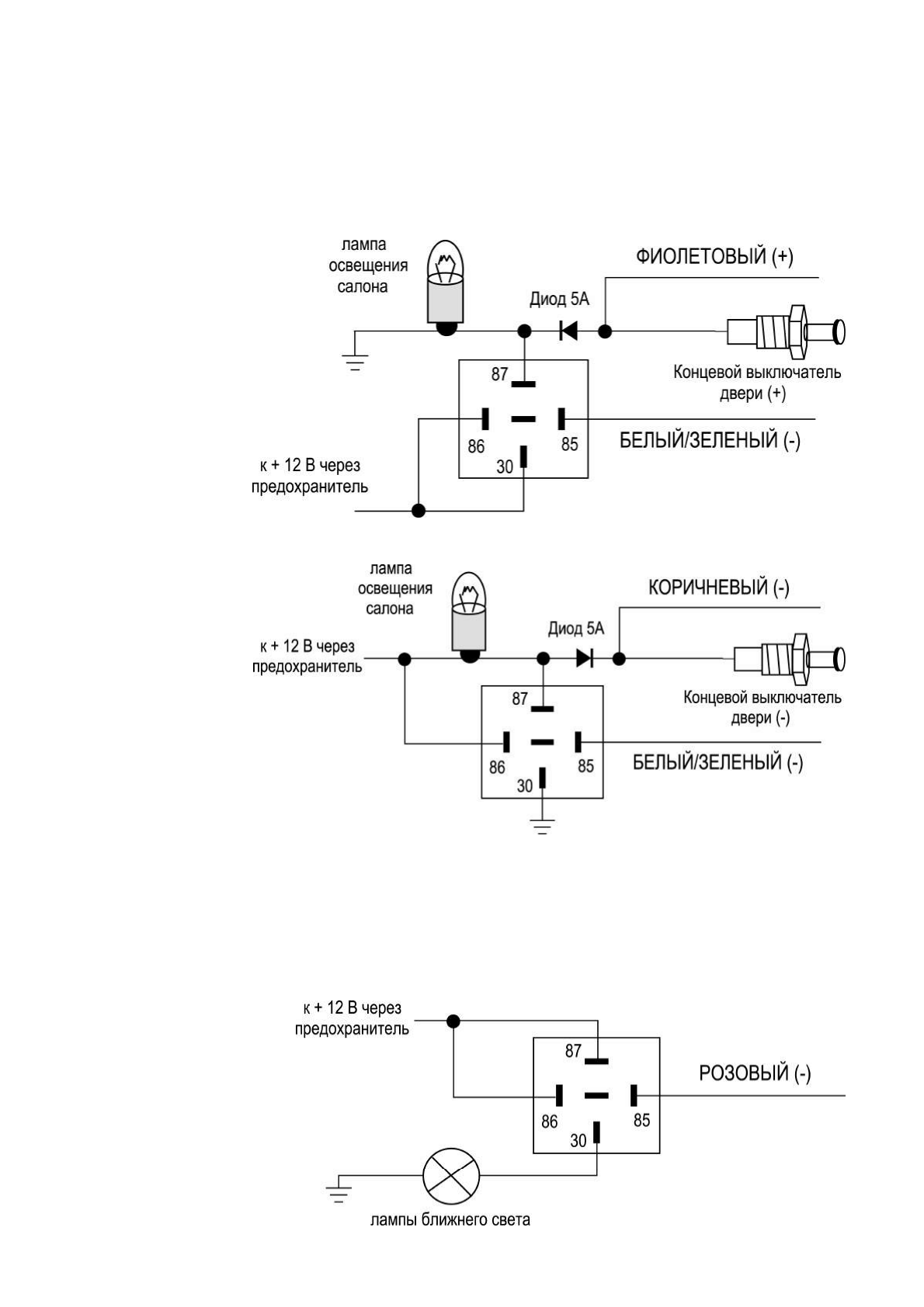
Подсоедините
Белый
/
Зеленый
провод
системы
к
контакту
# 85
дополнительного
30
А
реле
и
подсоедините
контакт
# 86
реле
к
+12
В
через
предохранитель
.
Подсоедините
остальные
кон
-
такты
реле
в
соответствии
с
полярностью
цепи
внутрисалонного
освещения
автомобиля
как
показано
на
схемах
.
Максимальная
нагрузка
– 300
мА
.
Внимание
!
Обяза
-
тельно
используй
-
те
диод
для
изоли
-
рования
цепи
управления
внут
-
рисалонным
осве
-
щением
от
цепи
триггера
двери
.
В
противном
случае
не
сможет
пра
-
вильно
работать
функция
пассивной
постановки
на
ох
-
рану
и
функция
ав
-
томатической
по
-
вторной
постановки
системы
в
режим
охраны
Подключение
к
фарам
ближнего
света
Вы
можете
использовать
выход
3-
го
канала
системы
(
Розовый
провод
)
или
выход
4-
го
канала
системы
(
Розовый
/
Черный
провод
)
для
подключения
к
фарам
ближнего
света
и
реализации
функции
“
световая
дорожка
”.
Для
этого
необходимо
будет
запрограммировать
выход
3-
го
(
или
4-
го
)
канала
системы
как
“
таймерный
10-
секундный
”, “
таймерный
30-
секундный
”
или
“
постоян
-
ный
” (“
защелка
”).
В
этом
случае
при
включении
канала
фары
ближнего
света
будут
включаться
на
10
секунд
, 30
секунд
или
до
отключения
канала
с
помощью
передатчика
,
освещая
путь
от
автомобиля
.
Приведена
схема
под
-
соединения
на
примере
Розового
провода
.
Мак
-
симальная
нагрузка
вы
-
хода
- 300
мА
,
при
под
-
ключении
необходимо
использовать
дополни
-
тельное
реле
:
Содержание
- 2 Функции; “Valet”
- 3 Основные; Радиопередатчики; Кнопка
- 4 срабатывании; POWER SAVING; выклю; или; включен
- 5 » ver. 2 © Saturn Marketing Ltd.; Примечание; Светодиодный; РЕЖИМ; Кнопочный; Valet
- 6 ИНСТРУКЦИЯ; Включение; не; “ARM”
- 8 Автоматическое; данная
- 9 DISARM; Режим
- 14 бесшумно
- 17 Отключение; «DISARM»; Дистанционное; “DISARM”
- 19 одновременно; состоянии; выключено
- 22 только; «CALL»
- 23 УПРАВЛЕНИЕ; Никогда
- 24 Дистанционный
- 25 Un
- 27 может; “Safe Start”; Функция; “PARK”
- 28 ARM; “Turbo”
- 29 выключения
- 30 автоматический; Примечания; Valet 5
- 33 кроме; передатчика
- 34 раза; ре
- 35 Внимание; часов
- 36 РМ
- 37 РУКОВОДСТВО
- 38 ПОДСОЕДИНЕНИЕ
- 41 КОМПЛЕКТ
- 42 автоматической
- 43 еобходимо
- 45 СИЛОВОЙ
- 47 замка
- 48 Lotus
- 50 Подсоединение
- 52 Обяза; Подключение
- 53 Программируемые; длинный
- 54 Выключена
- 57 Программирование; Valet 3