Автомобили Nissan Juke 2011 - инструкция пользователя по применению, эксплуатации и установке на русском языке. Мы надеемся, она поможет вам решить возникшие у вас вопросы при эксплуатации техники.
Если остались вопросы, задайте их в комментариях после инструкции.
"Загружаем инструкцию", означает, что нужно подождать пока файл загрузится и можно будет его читать онлайн. Некоторые инструкции очень большие и время их появления зависит от вашей скорости интернета.

0 - 10
Основные иллюстрации
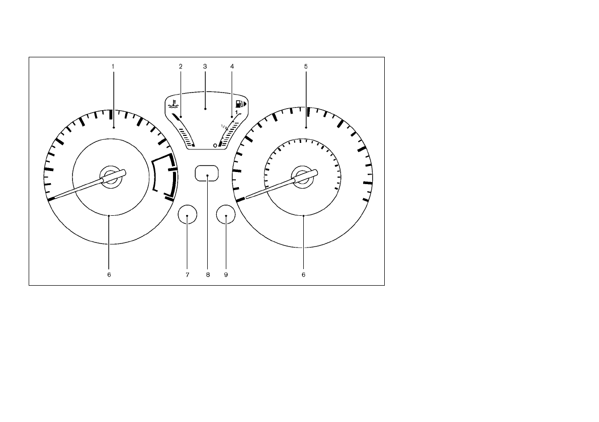
6. Индикаторы и сигнализаторы (стр. 2-9)
7.
Регулятор яркости подсветки приборной панели
(стр.2-4)
8. Индикатор положения селектора трансмиссии CVT*
(стр. 2-4, стр. 5-11)
9. Кнопка сброса показаний счетчика пробега на два марш-
рута RESET (стр. 2-2)/Переключатель режима маршрут-
ного компьютера (стр. 2-4)
*: для некоторых вариантов исполнения автомобиля
Дисплей системы круиз-контроля и ограничителя
–
скорости * (стр. 5-30, стр. 5-28)
Индикация температуры наружного воздуха (стр. 2-4)
–
Вывод информации об уровне и состоянии моторно-
–
го масла (стр. 2-6)
4. Указатель уровня топлива (стр. 2-3)
5. Спидометр (стр. 2-2)
1. Тахометр (стр. 2-2)
2. Указатель температуры охлаждающей жидкости двига-
теля (стр.2-2)
3. Информационный дисплей (стр. 2-3)
Одометр/счетчик пробега на две поездки (стр. 2-2)
–
Маршрутный компьютер (стр. 2-4)
–
СТРЕЛОЧНЫЕ УКАЗАТЕЛИ И ПРИБОРЫ
