Автомобили Fiat PUNTO 2012 - инструкция пользователя по применению, эксплуатации и установке на русском языке. Мы надеемся, она поможет вам решить возникшие у вас вопросы при эксплуатации техники.
Если остались вопросы, задайте их в комментариях после инструкции.
"Загружаем инструкцию", означает, что нужно подождать пока файл загрузится и можно будет его читать онлайн. Некоторые инструкции очень большие и время их появления зависит от вашей скорости интернета.

154
ЗНАКОМСТВО С
АВТОМОБИЛЕМ
СИСТЕМЫ
БЕЗОПАСНОСТИ
ПУСК И
УПРАВЛЕНИЕ
АВТОМОБИЛЕМ
КОНТРОЛЬНЫЕ
ЛАМПЫ И
СООБЩЕНИЯ
АВАРИЙНОЕ
СОСТОЯНИЕ
ТЕХОБСЛУЖИВАНИЕ
И УХОД
ТЕХНИЧЕСКИЕ
ХАРАКТЕРИСТИКИ
УКАЗАТЕЛЬ
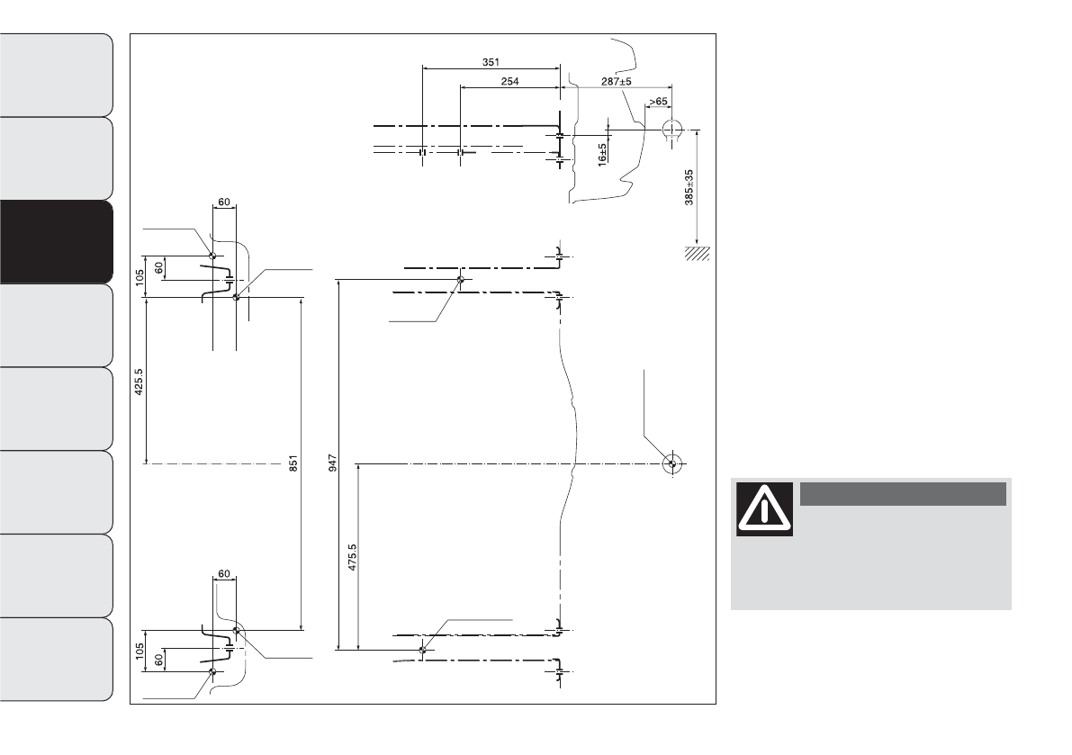
Схема установки – рис. 143
Конструкция тягово-сцепного
устройства крепится в указанных
точках
Ø
6 винтами M10.
Минимальная толщина пластин
внутри шасси должна быть 6 мм.
Буксирный крюк должен крепиться к
кузову автомобиля без
дополнительных отверстий в заднем
бампере, которые при снятом тягово-
сцепном устройстве становятся
видны.
ПРЕДУПРЕЖДЕНИЕ На уровне сферы
буксирного крюка необходимо
обязательно прикрепить (хорошо
видную) табличку соответствующего
размера и из соответствующего
материала с надписью:
МАКСИМАЛЬНАЯ НАГРУЗКА НА
СФЕРУ 60 кг
После установки
устройства отверстия
под крепежные винты следует
герметизировать, чтобы не
было утечек выхлопного газа.
ВНИМАНИЕ
рис. 143
F0U0132m
Существующее
отверстие
Существующий
винт
Существующий
винт
Существующее
отверстие
Существующее
отверстие
Существующее
отверстие
Сфера по стандарту
Под нагрузкой
Содержание
- 2 ПОЧЕМУ НУЖНЫ
- 5 Уважаемый Заказчик; безопасность людей; приобретенного Вами транспортного средства.
- 6 ОБЯЗАТЕЛЬНО ПРОЧИТАЙТЕ!
- 7 ЗНАКОМСТВО С АВТОМОБИЛЕМ; ПРИБОРНАЯ ПАНЕЛЬ
- 8 СИСТЕМА FIAT CODE; ПРИНЦИП ДЕЙСТВИЯ; СИМВОЛЫ
- 9 КЛЮЧИ; КОДОВАЯ КАРТА – рис. 3; A электронный код; Включение контрольной лампы; Если загорается контрольная лампа
- 10 КЛЮЧ С ДИСТАНЦИОННЫМ ПУЛЬТОМ УПРАВЛЕНИЯ; ЗНАКОМСТВО С
- 11 Замена батарейки в ключе с пультом дистанционного; Замена батарейки выполняется следующим образом:; Сигнализация контрольных ламп на приборной
- 12 ЗАМЕНА ЧЕХЛА ПУЛЬТА ДУ – рис. 7; Процедура замены чехла пульта ДУ показана на рисунке.; Запрос на получение дополнительных пультов
- 13 МЕХАНИЧЕСКИЙ КЛЮЧ – рис. 8; Металлическая часть ключа A не регулируется.; ОХРАННАЯ СИГНАЛИЗАЦИЯ
- 15 КЛЮЧ ЗАЖИГАНИЯ
- 16 ВНИМАНИЕ; ЗАМОК БЛОКИРОВКИ РУЛЕВОЙ КОЛОНКИ
- 17 ПАНЕЛЬ ПРИБОРОВ; Модели с многофункциональным; B Указатель уровня топлива
- 19 ПРИБОРЫ БОРТОВОГО КОМПЬЮТЕРА; Показывает скорость движения автомобиля.; СЧЕТЧИК ЧИСЛА ОБОРОТОВ – рис. 14; Стрелка прибора показывает количество топлива в баке.
- 20 C Низкая температура охлаждающей жидкости; станцию техобслуживания Fiat.
- 21 МНОГОФУНКЦИОНАЛЬНЫЙ ДИСПЛЕЙ; СТАНДАРТНОЕ ИЗОБРАЖЕНИЕ – рис. 17; G Gear Shift Indicator (указатель переключения передач)
- 22 СТАНДАРТНОЕ ИЗОБРАЖЕНИЕ – рис. 18; A Время
- 23 КНОПКИ УПРАВЛЕНИЯ МНОГОФУНКЦИОНАЛЬНЫМ; MENU; кнопки
- 24 МЕНЮ НАСТРОЙКИ; Выбор пункта главного меню без подменю
- 25 Длительным нажатием кнопки MENU ESC
- 26 ФУНКЦИИ ДИСПЛЕЯ; ЗВУКОВОЙ СИГНАЛ ОГРАНИЧЕНИЯ СКОРОСТИ
- 27 ДАТЧИК ДОЖДЯ; УКАЗАТЕЛИ ПОВОРОТА; или
- 28 ВКЛЮЧЕНИЕ ФУНКЦИИ/ДАННЫЕ TRIP B; войдя в подменю «Время»
- 30 СМ. РАЗДЕЛ РАДИОПРИЕМНИК; – нажмите кнопку
- 31 войдя в подменю «Температура»; ЕДИНИЦЫ ИЗМЕРЕНИЯ; войдя в подменю «Расстояние»
- 33 УРОВЕНЬ ГРОМКОСТИ ПРИ НАЖАТИИ КНОПОК; Настройка нужного уровня громкости; ЗУММЕР НЕПРИСТЕГНУТЫХ РЕМНЕЙ; «График планового техобслуживания»
- 34 ВЫХОД ИЗ МЕНЮ
- 35 Выводимые на дисплей параметры; БОРТОВОЙ КОМПЬЮТЕР; Общие сведения; функция «Trip B» может быть отключена
- 36 Новая поездка; Она начинается после того, как параметры обнулены:; Процедура начала пути; Время в пути; Кнопка управления TRIP – рис. 21
- 37 Регулировка сидений в продольном направлении –; ПЕРЕДНИЕ СИДЕНЬЯ; Регулировка сиденья по высоте – рис. 22
- 38 Опрокидывание спинки сиденья
- 39 Подогрев сидений – рис. 25; ЗАДНИЕ СИДЕНЬЯ
- 40 ПОДГОЛОВНИК; ПЕРЕДНИЕ ПОДГОЛОВНИКИ – рис. 26; Регулировка
- 41 ЗАДНИЕ ПОДГОЛОВНИКИ – рис. 27; остановлен и двигатель выключен.; РУЛЕВОЕ КОЛЕСО; Рулевое колесо регулируется по вертикали и по оси.
- 42 ЗЕРКАЛА ЗАДНЕГО ОБЗОРА; ВНУТРЕННЕЕ ЗЕРКАЛО – рис. 29
- 43 Регулировка выполняется следующим образом:; ВНУТРЕННЕЕ ЭЛЕКТРОХРОМНОЕ ЗЕРКАЛО рис. 30
- 44 Оттаивание и обдув зеркал; Сложение зеркал
- 45 СИСТЕМА ОТОПЛЕНИЯ И ВЕНТИЛЯЦИИ
- 46 БОКОВЫЕ И ЦЕНТРАЛЬНЫЕ ПОВОРОТНЫЕ И; A Нерегулируемый дефлектор для боковых стекол.; ОТКРЫТИЕ/ЗАКРЫТИЕ ДЕФЛЕКТОРОВ
- 47 = вентилятор выключен; = скорость вентиляции
- 49 Нажмите кнопку
- 50 КЛИМАТ-КОНТРОЛЬ С РУЧНОЙ; Красный сектор = теплый воздух; Рукоятка C для распределения воздуха
- 53 ТЕКУЩИЙ УХОД ЗА СИСТЕМОЙ
- 54 АВТОМАТИЧЕСКИЙ ДВУХЗОННЫЙ; ОПИСАНИЕ
- 57 ZE
- 58 ДОПОЛНИТЕЛЬНЫЙ ОТОПИТЕЛЬ; На дисплее отображается:
- 59 НАРУЖНЫЕ ОСВЕТИТЕЛЬНЫЕ ПРИБОРЫ; ФАРЫ БЛИЖНЕГО СВЕТА /ГАБАРИТНЫЕ ОГНИ рис. 42; в положение
- 60 УКАЗАТЕЛИ ПОВОРОТА – рис. 43
- 61 на панели приборов; ОЧИСТКА СТЕКОЛ; стеклоочиститель остановлен
- 62 Сдвиньте подрулевой переключатель из положения; Когда кольцо регулятора в положении
- 63 разница условий днем и ночью.; СТЕКЛООЧИСТИТЕЛЬ/СТЕКЛООМЫВАТЕЛЬ ЗАДНЕГО; положение
- 64 ) минимум на 1 секунду и затем отпустите:; ВОССТАНОВЛЕНИЕ СОХРАНЕННОЙ СКОРОСТИ; Поверните ручку A – рис. 45 в положение ON.; СОХРАНЕНИЕ ПАРАМЕТРОВ СКОРОСТИ АВТОМОБИЛЯ; Выполните следующие действия:
- 65 переключения передач в нейтральное положение.
- 66 ПЛАФОНЫ ВНУТРЕННЕГО ОСВЕЩЕНИЯ; ПЕРЕДНИЙ ПЛАФОН С ТОЧЕЧНЫМИ СВЕТИЛЬНИКАМИ; Включение/выключение света происходит постепенно.; Выдержка времени светильников плафона; Светильники плафона загораются в следующем режиме:
- 67 ФОНАРИКИ В ДВЕРЯХ ДЛЯ ОСВЕЩЕНИЯ ЛУЖ – рис. 48; ПЛАФОН ОСВЕЩЕНИЯ БАГАЖНИКА – рис. 47
- 68 ЛАМПА В СОЛНЦЕЗАЩИТНОМ КОЗЫРЬКЕ – рис. 49; УСТРОЙСТВА УПРАВЛЕНИЯ; АВАРИЙНЫЕ ОГНИ – рис. 50
- 69 ЗАДНЯЯ ПРОТИВОТУМАННАЯ ФАРА – рис. 52
- 70 ФУНКЦИЯ ECO
- 71 УСТРОЙСТВО ЦЕНТРАЛИЗОВАННОЙ БЛОКИРОВКИ; Разблокировка дверей в случае ДТП
- 72 ОБОРУДОВАНИЕ САЛОНА; ПЕРЧАТОЧНЫЙ ЯЩИК – рис. 56; ОТДЕЛЕНИЯ В ПЕРЧАТОЧНОМ ЯЩИКЕI – рис. 57
- 73 БОКОВОЙ ЯЩИК ДЛЯ МЕЛКИХ ВЕЩЕЙ; ОТДЕЛЕНИЕ НА ЦЕНТРАЛЬНОЙ КОНСОЛИ
- 74 ДВЕРНЫЕ КАРМАНЫ – рис. 63
- 75 ОТСЕК ДЛЯ КАРТ – рис. 66
- 76 ПРИКУРИВАТЕЛЬ – рис. 67
- 77 СОЛНЦЕЗАЩИТНЫЙ КОЗЫРЕК – рис. 70
- 78 ЭЛЕКТРИЧЕСКАЯ РОЗЕТКА; Она открывается крышкой A; ЯЩИК ДЛЯ МЕЛКИХ ВЕЩЕЙ В ПАНЕЛИ ПРИБОРОВ
- 79 ОГНЕТУШИТЕЛЬ – рис. 74; ОТКРЫВАЮЩАЯСЯ КРЫША SKY-DOME; Закрытие шторок осуществляется в обратном порядке.
- 81 ЗАЩИТНОЕ УСТРОЙСТВО; АВАРИЙНОЕ УПРАВЛЕНИЕ; вставьте ключ в отверстие A – рис. 77 и поверните
- 82 ДВЕРИ; Централизованная блокировка/разблокировка; Закройте двери и нажимите кнопку; Быстрым двойным нажатием кнопки; Разблокировка замков дверей снаружи; Кратко нажмите на кнопку
- 83 Блокировка/разблокировка замков дверей изнутри; После блокировки замков дверей
- 84 УСТРОЙСТВО DEAD LOCK; Такое предохранительное устройство тормозит работу:; Включение устройства; на
- 85 при разблокировке дверей пультом ДУ
- 86 АВАРИЙНАЯ СИСТЕМА БЛОКИРОВКИ ЗАМКОВ; В таком случае следует:; внутренних ручек открытия дверей.
- 87 нажатием; СТЕКЛОПОДЪЕМНИКИ; ЭЛЕКТРИЧЕСКИЕ СТЕКЛОПОДЪЕМНИКИ; A открытием/закрытием левого переднего окна
- 88 Дверь со стороны переднего и задних пассажиров; открыть стекла
- 89 Инициализация стеклоподъемников; Процедура инициализации; ЗАДНИЕ СТЕКЛОПОДЪЕМНИКИ С РУЧНЫМ
- 90 Крышка багажника может быть также открыта кнопкой; БАГАЖНОЕ ОТДЕЛЕНИЕ; ОТКРЫТИЕ КРЫШКИ БАГАЖНИКА
- 91 ЗАКРЫТИЕ КРЫШКИ БАГАЖНИКА
- 92 АВАРИЙНОЕ ОТКРЫТИЕ КРЫШКИ БАГАЖНИКА; внутри багажного отсека нажмите на рычажок B; РАСШИРЕНИЕ БАГАЖНИКА
- 93 Полное расширение багажника – рис. 95
- 95 КАПОТ ДВИГАТЕЛЯ; ОТКРЫТИЕ КАПОТА
- 96 ЗАКРЫТИЕ КАПОТА
- 97 НАКРЫШНЫЙ БАГАЖНИК / КРЕПЛЕНИЕ; ) трафаретной печати на задних боковых
- 99 Регулировка положения фар – рис. 105; Регулировка выполняется кнопками; РЕГУЛИРОВКА ПЕРЕДНИХ ПРОТИВОТУМАННЫХ ФАР; ФАРЫ; НАПРАВЛЕНИЕ СВЕТОВОГО ПУЧКА
- 100 РЕГУЛИРОВКА ПОЛОЖЕНИЯ ФАР ЗА РУБЕЖОМ
- 101 СРАБАТЫВАНИЕ СИСТЕМЫ; СИСТЕМА ABS
- 102 Авария в системе EBD; Об этом извещает контрольная лампа; на панели приборов (вместе
- 103 ВКЛЮЧЕНИЕ СИСТЕМЫ; и появление; СИСТЕМА СТАБИЛИЗАЦИИ ДВИЖЕНИЯ ESP
- 104 СИСТЕМА HILL HOLDER
- 105 СИГНАЛИЗАЦИЯ НЕИСПРАВНОСТЕЙ; на панели приборов с цифровым; СИСТЕМА ASR
- 106 и на
- 107 СИСТЕМА EOBD; Также с помощью контрольной лампы; не
- 108 ЭЛЕКТРОУСИЛИТЕЛЬ РУЛЕВОГО; ВКЛЮЧЕНИЕ/ВЫКЛЮЧЕНИЕ; На включение системы указывает:
- 109 СИСТЕМА КОНТРОЛЯ ДАВЛЕНИЯ В ШИНАХ
- 110 ПРЕДУПРЕЖДЕНИЯ ПО ИСПОЛЬЗОВАНИЮ СИСТЕМЫ
- 113 При наличии КПП типа Dualogic; автоматический останов двигателя; ВВЕДЕНИЕ
- 114 двигатель еще не прогрет
- 115 УСЛОВИЯ ПОВТОРНОГО ПУСКА СИСТЕМЫ; если в течение примерно трех минут после; в ситуациях нежелательного останова; ФУНКЦИИ БЕЗОПАСНОСТИ
- 116 НЕИСПРАВНОСТИ В РАБОТЕ; ФУНКЦИЯ «ENERGY SAVING» (экономия энергии); двигатель в любом случае может
- 118 ПРЕДУПРЕЖДЕНИЯ
- 119 ПАРКОВОЧНЫЕ ДАТЧИКИ; СИСТЕМА GEAR SHIFT INDICATOR; Когда на дисплей выводится значок SHIFT UP (
- 120 Звуковая сигнализация:; Расстояние обзора; См. раздел «Контрольные лампы и сообщения»; ДЕЙСТВИЕ ДАТЧИКОВ С ПРИЦЕПОМ
- 121 ОБЩИЕ ПОЛОЖЕНИЯ; РАДИОПРИЕМНИК; ПОДГОТОВИТЕЛЬНОЕ ОБОРУДОВАНИЕ; Оборудование включает:
- 122 На автомобилях, оборудованных системой; Установка радиоприемника
- 123 РАДИОПЕРЕДАТЧИКИ; ПРИНАДЛЕЖНОСТИ, ПОКУПАЕМЫЕ
- 124 ЗАПРАВКА АВТОМОБИЛЯ; БЕНЗИНОВЫЕ ДВИГАТЕЛИ; Используйте только бензин без свинца.; ДИЗЕЛЬНЫЕ ДВИГАТЕЛИ
- 125 Система заправки топлива; ОХРАНА ОКРУЖАЮЩЕЙ СРЕДЫ; система предупреждения испарения топлива
- 126 САЖЕВЫЙ ФИЛЬТР DPF
- 127 ПРОЦЕДУРА ПУСКА БЕНЗИНОВОГО ДВИГАТЕЛЯ; ПУСК ДВИГАТЕЛЯ; ПУСК; ПУСК И УПРАВЛЕНИЕ АВТОМОБИЛЕМ
- 128 ПРОЦЕДУРА ПУСКА ДИЗЕЛЬНОГО ДВИГАТЕЛЯ
- 129 должно оказываться значительно большее усилие.
- 130 СТОЯНОЧНЫЙ ТОРМОЗ – рис. 141; Чтобы снять автомобиль со стояночного тормоза:; СТОЯНКА
- 131 ИСПОЛЬЗОВАНИЕ МЕХАНИЧЕСКОЙ
- 132 ЭКОНОМИЯ ТОПЛИВА
- 134 БУКСИРОВКА ПРИЦЕПОВ; ПУСК И
- 135 УСТАНОВКА ТЯГОВО-СЦЕПНОГО УСТРОЙСТВА
- 136 Схема установки – рис. 143
- 137 ЗИМНИЕ ШИНЫ; Не следует изменять направление вращения шин.
- 138 ХРАНЕНИЕ АВТОМОБИЛЯ; включите любую передачу; ЦЕПИ ПРОТИВОСКОЛЬЖЕНИЯ
- 139 КОНТРОЛЬНЫЕ; КОНТРОЛЬНЫЕ ЛАМПЫ И СООБЩЕНИЯ; Если контрольная лампа; НЕДОСТАТОЧНЫЙ УРОВЕНЬ ТОРМОЗНОЙ
- 140 НЕИСПРАВНОСТЬ ПОДУШКИ; ВЫСОКАЯ ТЕМПЕРАТУРА ОХЛАЖДАЮЩЕЙ; При повороте ключа в положение MAR
- 142 НЕПОЛНОЕ ЗАКРЫТИЕ ДВЕРЕЙ / ОТКРЫТ; В некоторых моделях контрольная лампа; НЕИСПРАВНОСТЬ ЭЛЕКТРОУСИЛИТЕЛЯ РУЛЯ
- 144 можно проверить с помощью; ОТКЛЮЧЕНИЕ ПОДУШКИ БЕЗОПАСНОСТИ; Неисправность системы контроля двигателя EOBD; на панели приборов не служит для функции
- 146 НЕИСПРАВНОСТЬ НАРУЖНОГО ОСВЕЩЕНИЯ; НЕИСПРАВНОСТЬ ЗАЩИТНОЙ СИСТЕМЫ; Включение контрольной лампы (в некоторых; ВОДА В ФИЛЬТРЕ ДИЗЕЛЬНОГО ТОПЛИВА
- 147 Контрольная лампа загорается, включая задние
- 151 ПРАВЫЙ УКАЗАТЕЛЬ ПОВОРОТА; CITY; РЕГУЛЯТОР ПОСТОЯННОЙ СКОРОСТИ; ПЕРЕДНИЕ ПРОТИВОТУМАННЫЕ ФАРЫ
- 152 Срок техобслуживания истек
- 153 АВАРИЙНЫЙ ПУСК; ЗАПУСК ДВИГАТЕЛЯ ОТ ВСПОМОГАТЕЛЬНОЙ БАТАРЕИ; АВАРИЙНОЕ СОСТОЯНИЕ; АВАРИЙНОЕ; Для запуска двигателя выполните следующие действия:
- 154 Примечание; Для запуска с помощью вспомогательного; ЗАПУСК С ПОМОЩЬЮ ИНЕРЦИОННЫХ СИЛ; ЗАМЕНА КОЛЕСА; ОБЩИЕ УКАЗАНИЯ
- 155 Замена колеса выполняется следующим образом:; заглушите двигатель и взведите рычаг стояночного
- 157 закрутите крепежные болты
- 158 Комплектации с дисками из легких сплавов; По завершению операций:; установите ящик с инструментами в запасное колесо
- 159 КОМПЛЕКТ ДЛЯ БЫСТРОГО РЕМОНТА ШИН; Комплект для быстрого ремонта шин
- 160 СЛЕДУЕТ ЗНАТЬ; Срок годности герметика ограничен.
- 161 ПРОЦЕДУРА НАКАЧКИ
- 163 ТОЛЬКО ДЛЯ ПРОВЕРКИ И ВОССТАНОВЛЕНИЯ; Замена баллончика выполняется следующим образом:
- 164 ЗАМЕНА ЛАМПЫ
- 166 Лампы
- 167 ПЕРЕДНИЕ ОПТИЧЕСКИЕ ЭЛЕМЕНТЫ рис. 159
- 168 Замена лампы выполняется следующим образом:
- 170 открутите крепежные винты C и извлеките фару; Боковые указатели рис. 166; ПРОТИВОТУМАННЫЕ ФАРЫ
- 171 ЗАДНИЕ ОПТИЧЕСКИЕ ЭЛЕМЕНТЫ
- 172 ЗАДНЯЯ ПРОТИВОТУМАННАЯ ФАРА – рис. 171
- 173 нажатием поставьте прозрачную крышку на место.; ЗАМЕНА ЛАМПЫ ВНУТРЕННЕГО; ПЕРЕДНИЙ ПЛАФОН; Замена ламп выполняется следующим образом:
- 174 ЗАДНИЙ ПЛАФОН; ЛАМПА ПОДСВЕТКИ – рис. 179
- 175 ПЛАФОН ОСВЕЩЕНИЯ БАГАЖНИКА – рис. 180; ФОНАРИКИ В ДВЕРЯХ ДЛЯ ОСВЕЩЕНИЯ ЛУЖ – рис. 181
- 176 ЗАМЕНА ПЛАВКИХ ПРЕДОХРАНИТЕЛЕЙ; B целый предохранитель
- 178 ДОСТУП К ПРЕДОХРАНИТЕЛЯМ
- 179 Блок предохранителей в моторном отсеке рис. 187
- 180 Блок предохранителей в багажном отделении
- 181 ПРЕДОХРАНИТЕЛЬ
- 183 Блок предохранителей в багажном отделении рис. 189
- 184 ЗАРЯДКА АККУМУЛЯТОРНОЙ БАТАРЕИ; КОМПЛЕКТАЦИИ БЕЗ СИСТЕМЫ Start&Stop; включите зарядное устройство
- 185 КОМПЛЕКТАЦИИ С СИСТЕМОЙ Start&Stop рис. 191
- 186 ПОДНЯТИЕ АВТОМОБИЛЯ
- 187 БУКСИРОВКА АВТОМОБИЛЯ; КРЕПЛЕНИЕ БУКСИРОВОЧНОГО КОЛЬЦА рис. 193-194
- 189 ТЕХОБСЛУЖИВАНИЕ И УХОД; ПЛАНОВОЕ ТЕХОБСЛУЖИВАНИЕ
- 190 ГРАФИК ПЛАНОВОГО ТЕХОБСЛУЖИВАНИЯ; ЭКОЛОГИЧЕСКОГО КЛАССА ЕВРО 4
- 191 Пробег в тысячах километров
- 192 ДИЗЕЛЬНЫЙ ДВИГАТЕЛЬ ЭКОЛОГИЧЕСКОГО КЛАССА ЕВРО 5
- 193 раздел «Контрольные лампы и сообщения»), или каждые 24 месяца.
- 194 уровень охлаждающей жидкости двигателя; ТЕХОБСЛУЖИВАНИЕ
- 199 Для всех комплектаций, кроме 0.9 Twinair Turbo 85CV
- 200 РАСХОД МОТОРНОГО МАСЛА
- 201 ОХЛАЖДАЮЩАЯ ЖИДКОСТЬ ДВИГАТЕЛЯ – рис. 206; . Охлаждающая жидкость; нельзя смешивать с любой
- 202 ЖИДКОСТЬ СТЕКЛООМЫВАТЕЛЯ ВЕТРОВОГО; Чтобы добавить жидкость, снимите крышку A.
- 203 ТОРМОЗНАЯ ЖИДКОСТЬ – рис. 208; Тщательно протрите пробку бачка А
- 204 ВОЗДУШНЫЙ ФИЛЬТР
- 205 АККУМУЛЯТОРНАЯ БАТАРЕЯ; ПРОВЕРКА СОСТОЯНИЯ; ЗАМЕНА АККУМУЛЯТОРНОЙ БАТАРЕИ
- 206 ПОЛЕЗНЫЕ СОВЕТЫ ДЛЯ ПРОДЛЕНИЯ СРОКА СЛУЖБЫ; затяните до упора клеммы аккумуляторной батареи.
- 207 КОЛЕСА И ШИНЫ
- 208 РЕЗИНОВЫЕ ШЛАНГИ; Периодически проверяйте состояние шлангов.
- 209 СТЕКЛООЧИСТИТЕЛЬ; ЩЕТКИ; не включайте стеклоочистители при сухих стеклах.; Замена щеток стеклоочистителей ветрового стекла; Инструкции по снятию щетки:
- 210 Держатель форсунки расположен над задним стеклом.; Замена щетки стеклоочистителя заднего стекла; ФОРСУНКИ СТЕКЛООМЫВАТЕЛЯ
- 211 КУЗОВ; ЗАЩИТА ОТ АТМОСФЕРНЫХ ВОЗДЕЙСТВИЙ; загрязнение окружающей среды; ГАРАНТИЯ НА КУЗОВ И ДНИЩЕ
- 212 Стекла
- 213 САЛОН; СИДЕНЬЯ И ДЕТАЛИ С ТКАНЕВЫМ ПОКРЫТИЕМ
- 214 ПЛАСТМАССОВЫЕ ДЕТАЛИ САЛОНА; РУЛЕВОЕ КОЛЕСО / РЫЧАГ ПЕРЕКЛЮЧЕНИЯ ПЕРЕДАЧ
- 215 ТЕХНИЧЕСКИЕ ХАРАКТЕРИСТИКИ; ИДЕНТИФИКАЦИОННЫЕ ДАННЫЕ; СВОДНАЯ ТАБЛИЧКА ИДЕНТИФИКАЦИОННЫХ
- 216 A Производитель краски; МАРКИРОВКА ШАССИ – рис. 216; порядковый номер изготовления шасси.; ТЕХНИЧЕСКИЕ
- 217 КОДЫ ДВИГАТЕЛЯ – ИСПОЛНЕНИЕ КУЗОВА; Исполнение
- 218 ДВИГАТЕЛЬ
- 220 неисправностей и привести к возгоранию.; ТРАНСМИССИЯ; ПОДАЧА ТОПЛИВА; Multi Air
- 221 ТОРМОЗА
- 222 КОЛЕСА; ДИСКИ И ШИНЫ; Схождение передних колес:
- 223 ширина обода колеса в дюймах 1.; ШИНЫ RIM PROTECTOR
- 224 Twinair
- 226 Twinair Turbo
- 228 РАЗМЕРЫ
- 229 РАБОЧИЕ ХАРАКТЕРИСТИКИ; МОДИФИКАЦИИ С БЕНЗИНОВЫМ ДВИГАТЕЛЕМ
- 230 МАССА; Модификации
- 231 Комплектации Multijet
- 232 ЗАЛИВКА ЖИДКОСТЕЙ
- 234 ЭКСПЛУАТАЦИОННЫЕ ЖИДКОСТИ И СМАЗОЧНЫЕ МАТЕРИАЛЫ
- 236 РАСХОД ТОПЛИВА
- 237 ВЫБРОС CO; Показатели выброса CO
- 238 ОБРАЩЕНИЕ С АВТОМОБИЛЕМ В КОНЦЕ СРОКА СЛУЖБЫ
- 241 УКАЗАТЕЛЬ