Автомобили Cadillac ESCALADE HYBRID 2009 - инструкция пользователя по применению, эксплуатации и установке на русском языке. Мы надеемся, она поможет вам решить возникшие у вас вопросы при эксплуатации техники.
Если остались вопросы, задайте их в комментариях после инструкции.
"Загружаем инструкцию", означает, что нужно подождать пока файл загрузится и можно будет его читать онлайн. Некоторые инструкции очень большие и время их появления зависит от вашей скорости интернета.

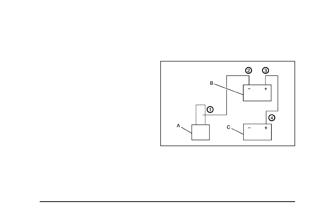
8. Now connect the black negative (
−
) cable to the
negative (
−
) terminal of the good battery. Use a
remote negative (
−
) terminal if the vehicle has one.
Do not let the other end touch anything until the
next step. The other end of the negative (
−
) cable
does not go to the dead battery. It goes to a
heavy, unpainted metal engine part or to the remote
negative (
−
) terminal on the vehicle with the dead
battery.
9. Connect the other end of the negative (
−
) cable to
the remote negative (
−
) terminal, on the vehicle with
the dead battery.
10. Now start the vehicle with the good battery and run
the engine for a while.
11. Try to start the vehicle that had the dead battery.
If it will not start after a few tries, it probably needs
service.
Notice: If the jumper cables are connected or
removed in the wrong order, electrical shorting may
occur and damage the vehicle. The repairs would
not be covered by the vehicle warranty. Always
connect and remove the jumper cables in the correct
order, making sure that the cables do not touch
each other or other metal.
A. Heavy, Unpainted Metal Engine Part or Remote
Negative (
−
) Terminal
B. Good Battery or Remote Positive (+) and Remote
Negative (
−
) Terminals
C. Dead Battery or Remote Positive (+) Terminal
Jumper Cable Removal
6-44
