Aurora AGE 12000 D PLUS 14685 - Инструкция по эксплуатации

Aurora AGE 12000 D PLUS 14685

Генератор Aurora AGE 12000 D PLUS 14685 - инструкция пользователя по применению, эксплуатации и установке на русском языке. Мы надеемся, она поможет вам решить возникшие у вас вопросы при эксплуатации техники.

Если остались дополнительные вопросы — свяжитесь с нами через контактную форму.

1 Страница 1
2 Страница 2
3 Страница 3
4 Страница 4
5 Страница 5
6 Страница 6
7 Страница 7
8 Страница 8
9 Страница 9
10 Страница 10
11 Страница 11
12 Страница 12
13 Страница 13
14 Страница 14
15 Страница 15
16 Страница 16
17 Страница 17
18 Страница 18
19 Страница 19
20 Страница 20
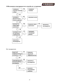
21 Страница 21
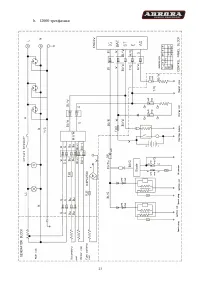
22 Страница 22
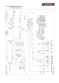
23 Страница 23
24 Страница 24
25 Страница 25
Страница: / 25
Загрузка инструкции

Бензиновый

генератор

Руководство

пользователя

модель

: AGE12000











Официальный

сайт

группы

компаний

AURORA

в

России

: http://www.aurora-online.ru

"Загрузка инструкции" означает, что нужно подождать пока файл загрузится и можно будет его читать онлайн. Некоторые инструкции очень большие и время их появления зависит от вашей скорости интернета.

Характеристики

Другие модели - Генераторы Aurora

Все генераторы Aurora