APC SC450 - Инструкция по эксплуатации

APC SC450

Источник бесперебойного питания APC SC450 - инструкция пользователя по применению, эксплуатации и установке на русском языке. Мы надеемся, она поможет вам решить возникшие у вас вопросы при эксплуатации техники.

Если остались дополнительные вопросы — свяжитесь с нами через контактную форму.

1 Страница 1
2 Страница 2
3 Страница 3
4 Страница 4
5 Страница 5
6 Страница 6
7 Страница 7
8 Страница 8
9 Страница 9
10 Страница 10
11 Страница 11
12 Страница 12
13 Страница 13
14 Страница 14
15 Страница 15
16 Страница 16
17 Страница 17
18 Страница 18
19 Страница 19
20 Страница 20
21 Страница 21
22 Страница 22
23 Страница 23
24 Страница 24
25 Страница 25
26 Страница 26
27 Страница 27
28 Страница 28
Страница: / 28

Содержание:

  • Страница 3 – Правила безопасности по обесточиванию; OFF; Электробезопасность
  • Страница 5 – Проверьте комплектацию при получении. Если; – Документация к устройству, инструкция по технике; Технические характеристики; Условия эксплуатации; Температура; UPS имеет большую массу. Соблюдайте все инструкции по
  • Страница 6 – Установка; Монтаж в стойку; ВНИМАНИЕ; РИСК ПАДЕНИЯ ОБОРУДОВАНИЯ; Несоблюдение этих инструкций может привести к повреждению
  • Страница 10 – Вертикальная установка; Примечание; : Перед установкой в вертикальное положение
  • Страница 12 – Настенная конфигурация; : Перед установкой подключите батарею, как описывается
  • Страница 13 – : По возможности, прикрепляйте двумя винтами в стойку
  • Страница 14 – Ввод в эксплуатацию; ОПАСНОСТЬ ПОРАЖЕНИЯ ЭЛЕКТРИЧЕСКИМ ТОКОМ; Несоблюдение этих инструкций может привести к травме легкой или
  • Страница 15 – Запустите UPS
  • Страница 16 – Эксплуатация; Передняя панель управления; Индикатор; Кнопка; в течение
  • Страница 17 – Пользовательские настройки; : Настройки можно установить через программу PowerChute.; на одну секунду и отпустите ее. UPS подает короткий; снова и удерживайте ее
  • Страница 20 – Хранение и режим технического обслуживания; Замена батарей; : При отсоединенной батарее защита оборудования от; РИСК ВЫДЕЛЕНИЯ СЕРОВОДОРОДА И ОПАСНОГО ДЫМА; указывает на необходимость замены батареи..
  • Страница 21 – Устранение неисправностей
  • Страница 24 – Транспортировка
  • Страница 25 – Во избежание повреждений при транспортировке упаковывайте; : Для транспортировки на территории США
  • Страница 28 – • Доступ к документам базы знаний APC и технической поддержке
Загрузка инструкции

Руководство пользователя Smart-UPS™
C SRC250/450 110/120/230 Vac башня/
стоечный монтаж 1U

Важные инструкции по технике безопасности

СОХРАНИТЕ ЭТИ ИНСТРУКЦИИ — в данном руководстве содержатся
важные инструкции, которые необходимо выполнять во время монтажа и
технического обслуживания Smart-UPS и батарей.
Внимательно прочтите эти инструкции, сверяя их с оборудованием,
чтобы подготовиться к монтажу, эксплуатации, ремонту или
техническому обслуживанию оборудования. В данном руководстве или
на оборудовании могут использоваться следующие специальные
сообщения, предназначенные для того, чтобы предупредить
пользователя о потенциальной опасности или привлечь внимание к
информации, которая упрощает или уточняет выполнение процедуры.

Добавление этого символа к инструкциям по технике
безопасности с пометкой « Опасно » или « Предупреждение »
указывает на наличие опасности поражения электрическим
током, что может привести к нанесению травмы в случае

несоблюдения инструкций.

Это символ предупреждения. Он используется для того, чтобы
предупредить пользователя о потенциальном риске нанесения
травмы. Во избежание возможной травмы или летального
исхода соблюдайте все инструкции по технике безопасности,

приведенные в сообщениях, которые сопровождаются этим символом.

ОПАСНО

ОПАСНО указывает на опасную ситуацию, которая, если ее не

предотвратить, приведет к смертельной или серьезной травме.

ПРЕДУПРЕЖДЕНИЕ

ПРЕДУПРЕЖДЕНИЕ указывает на опасную ситуацию, которая, если ее

не предотвратить, может привести к смертельной серьезной травме.

ВНИМАНИЕ

ВНИМАНИЕ указывает на опасную ситуацию, которая, если ее не

предотвратить, может привести к травме легкой или средней

степени тяжести.

УВЕДОМЛЕНИЕ

УВЕДОМЛЕНИЕ сообщает о видах работ, не связанных с получением

травм.

"Загрузка инструкции" означает, что нужно подождать пока файл загрузится и можно будет его читать онлайн. Некоторые инструкции очень большие и время их появления зависит от вашей скорости интернета.

Краткое содержание

Страница 3 - Правила безопасности по обесточиванию; OFF; Электробезопасность

Smart-UPS C SRC250/450 110/120/230 Vac башня/стоечный монтаж 1U 3 Правила безопасности по обесточиванию • UPS содержит внутренние батареи и может представлять опасность поражения током даже при отключении от AC и DC. • Выходные гнезда AC и DC могут быть в любое время запитаны удаленно или автоматиче...

Страница 5 - Проверьте комплектацию при получении. Если; – Документация к устройству, инструкция по технике; Технические характеристики; Условия эксплуатации; Температура; UPS имеет большую массу. Соблюдайте все инструкции по

Smart-UPS C SRC250/450 110/120/230 Vac башня/стоечный монтаж 1U 5 Общая информация об изделии APC™ от Schneider Electric Smart-UPS™ — это высокопроизводительный источник бесперебойного питания (UPS). UPS помогает защитить электронное оборудование от перерывов в сетевом энергоснабжении, падения напря...

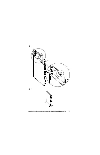
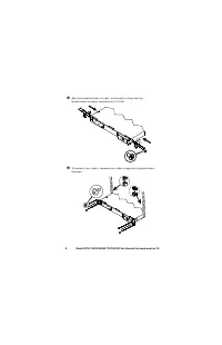
Страница 6 - Установка; Монтаж в стойку; ВНИМАНИЕ; РИСК ПАДЕНИЯ ОБОРУДОВАНИЯ; Несоблюдение этих инструкций может привести к повреждению

Smart-UPS C SRC250/450 110/120/230 Vac башня/стоечный монтаж 1U 6 Установка Монтаж в стойку ВНИМАНИЕ РИСК ПАДЕНИЯ ОБОРУДОВАНИЯ • Оборудование имеет большую массу. Всегда применяйте безопасные методы подъема, соответствующие весу оборудования. • Для закрепления кронштейнов на UPS обязательно использу...

Характеристики

Другие модели - Источники бесперебойного питания APC

Все источники бесперебойного питания APC