ZOTA Дымок-12М - Инструкция по эксплуатации

ZOTA Дымок-12М

Котел ZOTA Дымок-12М - инструкция пользователя по применению, эксплуатации и установке на русском языке. Мы надеемся, она поможет вам решить возникшие у вас вопросы при эксплуатации техники.

Если остались дополнительные вопросы — свяжитесь с нами через контактную форму.

1 Страница 1
2 Страница 2
3 Страница 3
4 Страница 4
5 Страница 5
6 Страница 6
7 Страница 7
8 Страница 8
9 Страница 9
10 Страница 10
11 Страница 11
12 Страница 12
13 Страница 13
14 Страница 14
15 Страница 15
16 Страница 16
17 Страница 17
18 Страница 18
19 Страница 19
20 Страница 20
Страница: / 20

Содержание:

  • Страница 4 – Òаблица 1
  • Страница 7 – Рис.1 Конструкция отопительного аппарата АОТВ
  • Страница 9 – Рис.2 Ñõема установки аппарата
  • Страница 10 – Рис.3 Ñõема закрытой системы отопления
  • Страница 11 – Рис.4 Ñõема открытой системы отопления
  • Страница 12 – Рис.5 Варианты установки дымовой труáы
  • Страница 14 – Характерные неисправности и методы иõ устранения.
  • Страница 16 – Ñведения оá установке; Äля вñех видов аппаðаòов незавиñимо оò вида ñжигаемого òоплива:
  • Страница 17 – ПРИЛОÆЕНИЕ 1
Загрузка инструкции

АППАРАТЫ

ОТОПИТЕЛЬНЫЕ

ZOTA “ДЫМОК”

АОТВ-12М, АОТВ-18М, АОТВ-25М

Паспорт и инструкция

по эксплуатации

"Загрузка инструкции" означает, что нужно подождать пока файл загрузится и можно будет его читать онлайн. Некоторые инструкции очень большие и время их появления зависит от вашей скорости интернета.

Краткое содержание

Страница 4 - Òаблица 1

ñòð.2 1. Оáщие сведения оá изделии. 1.1. Аппаðаòы пðедназначены для òеплоñнабжения индивидуальных жилых домов и зданий коммунально-быòового назначения, обоðудованных ñиñòемами водяного оòопления ñ еñòеñòвенной или пðинудиòельной циðкуляцией, в оòкðыòых и закðыòых ñиñòемах оòопления. 1.2. Аппаðаòы из...

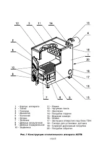
Страница 7 - Рис.1 Конструкция отопительного аппарата АОТВ

ñòð.5 Рис.1 Конструкция отопительного аппарата АОТВ 1 - Коðпуñ аппаðаòа 2 - Òопка 3 - Ãазоход 4 - Äымоход 5 - Колоñник 6 - Опоðа 7 - Зольник 8 - Äвеðца загðузочная 9 - Äвеðца поддувальная 10 - Задвижка 11 - Рамка 12 - ×угунная плиòа 13 - Заñлонка 14 - Паòðубок подачи 15 - Водяная камеðа 16 - Ножка 1...

Страница 9 - Рис.2 Ñõема установки аппарата

ñòð.7 120 5 1 5 - 5 5 0 1 3 5 -1 6 5 люк для чиñòки 4 5 0 ñ в о б о д н а я зо н а 4 0 0 н е м е н е е 200- 27 0 130 2 6 0 Рис.2 Ñõема установки аппарата Ñоединение аппаðаòа ñ киðпичным дымоходом и уñòðойñòвом чиñòки. 6. Монтаж аппарата и системы отопления. 6.1. Монòаж аппаðаòа и ñиñòемы оòопления п...

Характеристики

Другие модели - Котлы ZOTA

Все котлы ZOTA