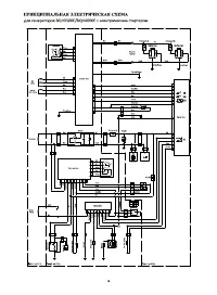
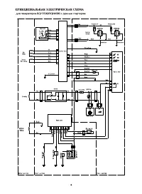
Zongshen BQH 4000 E 1T90DFQ41 - Инструкция по эксплуатации

Zongshen BQH 4000 E 1T90DFQ41

Генератор Zongshen BQH 4000 E 1T90DFQ41 - инструкция пользователя по применению, эксплуатации и установке на русском языке. Мы надеемся, она поможет вам решить возникшие у вас вопросы при эксплуатации техники.

Если остались дополнительные вопросы — свяжитесь с нами через контактную форму.

1 Страница 1
2 Страница 2
3 Страница 3
4 Страница 4
5 Страница 5
6 Страница 6
7 Страница 7
8 Страница 8
9 Страница 9
10 Страница 10
11 Страница 11
12 Страница 12
13 Страница 13
14 Страница 14
15 Страница 15
16 Страница 16
17 Страница 17
18 Страница 18
19 Страница 19
20 Страница 20
21 Страница 21
22 Страница 22
23 Страница 23
24 Страница 24
Страница: / 24
Загрузка инструкции

"Загрузка инструкции" означает, что нужно подождать пока файл загрузится и можно будет его читать онлайн. Некоторые инструкции очень большие и время их появления зависит от вашей скорости интернета.

Характеристики

Другие модели - Генераторы Zongshen

Все генераторы Zongshen