Zigmund & Shtain K 221.61 W - Инструкция по эксплуатации

Zigmund & Shtain K 221.61 W

Вытяжка Zigmund & Shtain K 221.61 W - инструкция пользователя по применению, эксплуатации и установке на русском языке. Мы надеемся, она поможет вам решить возникшие у вас вопросы при эксплуатации техники.

Если остались дополнительные вопросы — свяжитесь с нами через контактную форму.

1 Страница 1
2 Страница 2
3 Страница 3
4 Страница 4
5 Страница 5
6 Страница 6
7 Страница 7
8 Страница 8
9 Страница 9
10 Страница 10
Страница: / 10

Содержание:

  • Страница 2 – СОДЕРЖАНИЕ; Меры предосторожности перед эксплуатацией устройства; Section 2; Технические характеристики устройства; Раздел 1
  • Страница 3 – Не готовьте легковоспламеняющиеся продукты под устройством.
  • Страница 4 – Выбор скоростного режима; Данное устройство предусматривает 3 скоростных режима; Подсветка
  • Страница 5 – Для того, чтобы снять угольный фильтр, поверните его влево и
  • Страница 6 – Раздел 3; ОБСЛУЖИВАНИЕ
  • Страница 7 – Раздел; ИНФОРМАЦИЯ; Замена ламп; В вытяжке используются две 20В галогенные лампы. Убедитесь, что; Замена; Отключите устройство от источника питания.
Загрузка инструкции








K221.61B-K221.91B

КУХОННАЯ ВЫТЯЖКА

ИНСТРУКЦИЯ ПО ЭКСПЛУАТАЦИИ

"Загрузка инструкции" означает, что нужно подождать пока файл загрузится и можно будет его читать онлайн. Некоторые инструкции очень большие и время их появления зависит от вашей скорости интернета.

Краткое содержание

Страница 2 - СОДЕРЖАНИЕ; Меры предосторожности перед эксплуатацией устройства; Section 2; Технические характеристики устройства; Раздел 1

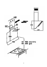
1 СОДЕРЖАНИЕ Меры предосторожности перед эксплуатацией устройства Section 2 Section 4 Технические характеристики устройства Уважаемый покупатель! Ниже Вы найдёте всю необходимую информацию, которая позволит Вам эффективно и безопасно использовать данную кухонную вытяжку. Перед установкой устройства,...

Страница 3 - Не готовьте легковоспламеняющиеся продукты под устройством.

3 Раздел 1 МЕРЫ ПРЕДОСТОРОЖНОСТИ ПЕРЕД ЭКСПЛУАТАЦИЕЙ УСТРОЙСТВА 1. Сборка и подключение к системе питания должны проводиться квалифицированным специалистом. 2. Рабочее напряжение сети составляет 220-240 В. Не используйте данное устройство в сетях с напряжением ниже или выше указанных значений. 3. Не...

Страница 4 - Выбор скоростного режима; Данное устройство предусматривает 3 скоростных режима; Подсветка

2 СОВЕТЫ ПО ЭКСПЛУАТАЦИИ Раздел 2 2.2. ИНСТРУКЦИЯ ПО ИСПОЛЬЗОВАНИЮ СЕНСОРНОЙ ПАНЕЛИ УПРАВЛЕНИЯ Выбор скоростного режима Данное устройство предусматривает 3 скоростных режима вентиляции. Можно выбрать подходящий для определённого процесса готовки режим нажатием на соответствующую кнопку на сенсорной ...

Характеристики

Другие модели - Вытяжки Zigmund & Shtain

Все вытяжки Zigmund & Shtain