Страница 65 - СОДЕРЖАНИЕ; ВВЕДЕНИЕ
1 Ru ПОДГО Т ОВК А ВВЕДЕНИЕ РАБО ТА ДОПОЛНИ ТЕ Л ЬН АЯ ИНФО РМАЦИЯ Р усский Щ ...................................................2 ..............................2 ...............................................................................3 ..............................6 ...........................
Страница 66 - МЕРЫ ПРЕДОСТОРОЖНОСТИ ПРИ ОБРАЩЕНИИ
2 Ru ВВЕДЕНИЕ Yamaha KMA-700/KMA-500. Э KMA-700 KMA-500. . KMA-700 . . Э . . , , . ■ Не устанавливайте аппарат в следующих местах: • , . • , . • , . • , , . • , , , . ■ Меры предосторожности при подключении • . • / , / . , . • . , . • , . • KMA-700 IMPEDANCE SELECTOR . . “IMPEDANCE SELECTOR” . 7. • ...
Страница 67 - НАЗВАНИЯ ДЕТАЛЕЙ И ИХ ФУНКЦИИ; Передняя панель
3 Ru ПОДГО Т ОВКА Р усский ПОДГОТОВКА 1 POWER (ON/OFF) ON/OFF. 2 MUSIC BALANCE .* 3 MUSIC TONE (BASS/TREBLE) .* 4 MIC ECHO DELAY .* 5 MIC ECHO REPEAT .* 6 ECHO MODE NORMAL, WIDE ( ) SPACIOUS**. SPACIOUS - , NORMAL WIDE . / ** WIDE/SPACIOUS**. 7 MIC TONE (BASS/MID/TREBLE) , .* 8 Гнезда MIC (1/2/3 ** ...
Страница 68 - KARAOKE; Задняя панель
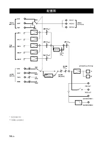
4 Ru НАЗВАНИЯ ДЕТАЛЕЙ И ИХ ФУНКЦИИ . “ Ы ” . 6. 1 Гнезда BALANCED MIC INPUT (1/2) . Э , - MIC 1 2 . 2 Гнезда аудиовхода DVD KARAOKE DVD- . 3 Гнезда аудиовхода AUX * , . . 4 Гнезда аудиовхода TAPE , . . 5 Гнезда аудиовыхода TAPE , . . 6 Гнезда аудиовхода BGM - . 7 Гнездо SUBWOOFER без фильтра низких ...
Страница 69 - ПОДГО; DVD
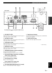
5 Ru НАЗВАНИЯ ДЕТАЛЕЙ И ИХ ФУНКЦИИ ПОДГО Т ОВКА Р усский C DVD INPUT LEVEL DVD (AUX*, TAPE, BGM). D AUX INPUT LEVEL * AUX (DVD, TAPE, BGM). E TAPE INPUT LEVEL TAPE (DVD, AUX*, BGM). F BGM INPUT LEVEL BGM (DVD, AUX*, TAPE). G SPEAKERS (Разъемы акустической системы) . KMA-500 . H AC OUTLETS (Макс. общ...
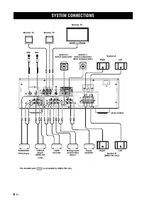
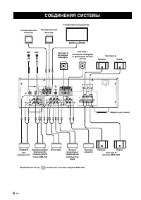
Страница 70 - СОЕДИНЕНИЯ СИСТЕМЫ
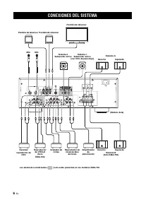
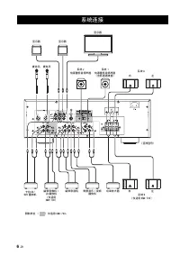
6 Ru РАБОТА СОЕДИНЕНИЯ СИСТЕМЫ MIC Телевизионный монитор MIC Телевизионный монитор Телевизионный монитор Система 2 активный сабвуфер Система 1 Активный сабвуфер (с фильтром низких частот) Система A Правая Левая (Модель для Азии) Система B (только KMA-700) Правая Левая КАRАОКЕ/ DVD- проигрыватель Вид...
Страница 71 - РАБО; Подсоединение проводов колонок; Примеры соединений; СОЕДИНЕНИЯ; Примечание
7 Ru РАБО Т А Р усский ■ Подсоединение проводов колонок 1 Приподнимите рычажок для открытия, а затем вставьте провод в отверстие. 2 Опустите рычажок, чтобы закрепить провод. 15 . , , , . К . ■ Меры предосторожности при подключении колонок • : KMA-700 ....................................................
Страница 72 - Подключение штекеров RCA; RCA; Подключение к входам баланса
8 Ru СОЕДИНЕНИЯ 1. Параллельное соединение(сопротивление каждой колонки должно составлять не менее 8 Ω ) 2. Последовательное соединение(общее: около 4 Ω ) [Для KMA-500] 8 Ω 16 Ω . ■ Подключение штекеров RCA RCA , , . ■ Подключение к входам баланса ■ Подключение к несбалансированному входу ■ Подключе...
Страница 73 - Кабель питания; VOLTAGE SELECTOR
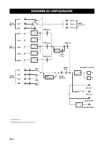
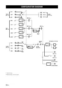
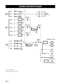
9 Ru СОЕДИНЕНИЯ РАБО Т А Р усский 1. Ретранслятор внешнего пульта ДУ +5V_OUT, REMOTE GND. . 2. REMOTE (Direct) REMOTE (Direct) GND. ( ) RMC. REMOTE (Direct) REMOTE. ■ Настройки питания и соединения на задней панели Затемненная часть ( ) относится только к модели KMA-700.Дополнительные рисунки предна...
Страница 75 - Названия деталей и их функции; Подготовка пульта ДУ; ПУЛЬТ ДУ
11 Ru РАБО Т А Р усский ■ Названия деталей и их функции 1 INPUT INPUT . INPUT, . “ ” . 14. 2 KEY CONTROL ( / / ) . 3 MIC ( / ) * . 4 ECHO ( / ) * . 5 MUSIC ( / ) * . * . 6 PRESET (1/2/3) MIC/ ECHO/ MUSIC/ECHO MODE. , (PRESET 1, 2, 3 KEY CONTROL ) 3 . KEY CONTROL PRESET 1. “ ” KEY CONTROL . 3 (PRESET...
Страница 77 - ОБЩЕЕ УПРАВЛЕНИЕ
13 Ru РАБО Т А Р усский 1 Подключите нужное количество микрофонов. 2 Установите переключатели POWER этого аппарата и других требуемых компонентов в положение ON. 3 Воспроизведите компонент музыкального источника KARAOKE и отрегулируйте громкость с помощью регулятора MUSIC. . . “ ” . 14. . “ ” . 14. ...
Страница 78 - Меню в режиме настройки; РЕЖИМ НАСТРОЙКИ
14 Ru : • ON • • • • • MIC/MUSIC • MIC/MUSIC • , , “ ” . 15 . 1 Чтобы войти в режим настройки, выключите основное устройство и нажмите кнопку POWER при нажатии кнопки KEY CONTROL и ECHO MODE. 2 Чтобы выбрать нужные меню и элементы, выберите положение регуляторов KEY CONTROL и MUSIC в соответствии с ...
Страница 79 - Таблица режима настройки; ДУ
15 Ru РЕЖИМ НАСТРОЙКИ РАБО Т А Р усский ■ Таблица режима настройки Меню KEY CONTROL Элементы/MUSIC 1. Восстановление настроек при включении питания ON 2. Режим ввода 3. Условие автоматического ввода 4. Включение пульта ДУ 5. Режим пульта ДУ 6. Максимальный уровень MIC/MUSIC 7. Выбор уровня громкости...
Страница 80 - ВОЗМОЖНЫЕ НЕИСПРАВНОСТИ И СПОСОБЫ ИХ; ТЕХНИЧЕСКОЕ ОБСЛУЖИВАНИЕ
16 Ru ДОПОЛНИТЕЛЬНАЯ ИНФОРМАЦИЯ - , , . , . , . , , , , . К , , , , . ВОЗМОЖНЫЕ НЕИСПРАВНОСТИ И СПОСОБЫ ИХ УСТРАНЕНИЯ Неисправность Возможные причины Способы устранения Отсутствует звук из колонок. POWER OFF. POWER ON. . . MUSIC . MUSIC. , . INPUT . . “ ” . 14. . , . Отсутствует звук одной из колоно...
Страница 81 - ПОСЛЕПРОДАЖНОЕ ОБСЛУЖИВАНИЕ; АВТОРСКИЕ ПРАВА
17 Ru ДОПОЛНИ ТЕ Л ЬНАЯ ИНФО РМАЦИЯ Р усский • , . • . “ Ы Ы Х ”, . Для дилера: : • . • . • , . Yamaha. • , , DVD, , - . . . • ( ) , . ПОСЛЕПРОДАЖНОЕ ОБСЛУЖИВАНИЕ ЭТИКЕТ ИСПОЛЬЗОВАНИЯ ФУНКЦИИ КАRАОКЕ KARAOKE . KARAOKE . KARAOKE . , , KARAOKE . . АВТОРСКИЕ ПРАВА
Страница 82 - УСИЛИТЕЛЬ; ДОПОЛНИТЕЛЬНЫЕ ПРИНАДЛЕЖНОСТИ; ТЕХНИЧЕСКИЕ ХАРАКТЕРИСТИКИ
18 Ru УСИЛИТЕЛЬ • [KMA-700] (1 , 8 Ω , 10%).................................... 120 + 120 [KMA-500] (1 , 8 Ω , 10%).................................... 100 + 100 • [KMA-700] (1 , 93 , 8 Ω ) ................................................................. 1% [KMA-500] (1 , 76 , 8 Ω ) ..................