Wolf CSW-120 8615003 - Инструкция по эксплуатации

Wolf CSW-120 8615003

Водонагреватель Wolf CSW-120 8615003 - инструкция пользователя по применению, эксплуатации и установке на русском языке. Мы надеемся, она поможет вам решить возникшие у вас вопросы при эксплуатации техники.

Если остались дополнительные вопросы — свяжитесь с нами через контактную форму.

1 Страница 1
2 Страница 2
3 Страница 3
4 Страница 4
5 Страница 5
6 Страница 6
7 Страница 7
8 Страница 8
9 Страница 9
10 Страница 10
11 Страница 11
12 Страница 12
13 Страница 13
14 Страница 14
15 Страница 15
16 Страница 16
Страница: / 16
Загрузка инструкции

Арт. №:: 3064691_201703 Возможны изменения

RU

Wolf GmbH · Абонентский ящик 1380 · 84048 Майнбур · Тел. 08751/74-0 · Факс 08751/741600 · Сайт: www.wolf-heiztechnik.de

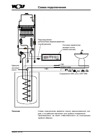
Руководство по монтажу

Бак-водонагреватель

TSW-120/CSW-120

для газовых конденсационных котлов и газовых
отопительных конденсационных котлов

"Загрузка инструкции" означает, что нужно подождать пока файл загрузится и можно будет его читать онлайн. Некоторые инструкции очень большие и время их появления зависит от вашей скорости интернета.

Характеристики