Wacker Neuson HD 64 610114 - Инструкция по эксплуатации

Wacker Neuson HD 64 610114

Обогреватель Wacker Neuson HD 64 610114 - инструкция пользователя по применению, эксплуатации и установке на русском языке. Мы надеемся, она поможет вам решить возникшие у вас вопросы при эксплуатации техники.

Если остались дополнительные вопросы — свяжитесь с нами через контактную форму.

1 Страница 1
2 Страница 2
3 Страница 3
4 Страница 4
5 Страница 5
6 Страница 6
7 Страница 7
8 Страница 8
9 Страница 9
10 Страница 10
11 Страница 11
12 Страница 12
13 Страница 13
14 Страница 14
15 Страница 15
16 Страница 16
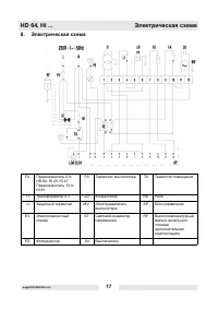
17 Страница 17
18 Страница 18
19 Страница 19
20 Страница 20
21 Страница 21
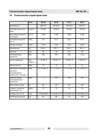
22 Страница 22
23 Страница 23
24 Страница 24
25 Страница 25
26 Страница 26
27 Страница 27
Страница: / 27
Загрузка инструкции

Инструкция
по эксплуатации

Тепловая пушка прямого нагрева Wacker Neuson HD 64

610114

Цены на товар на сайте:

http://www.vseinstrumenti.ru/klimat/teplovye_pushki/dizelnye/wacker_neuson/hd_64_610114/

Отзывы и обсуждения товара на сайте:

http://www.vseinstrumenti.ru/klimat/teplovye_pushki/dizelnye/wacker_neuson/hd_64_610114/#tab-
Responses

"Загрузка инструкции" означает, что нужно подождать пока файл загрузится и можно будет его читать онлайн. Некоторые инструкции очень большие и время их появления зависит от вашей скорости интернета.

Характеристики

Другие модели - Обогреватели Wacker Neuson