Воздуходувки Makita BHX2501 - инструкция пользователя по применению, эксплуатации и установке на русском языке. Мы надеемся, она поможет вам решить возникшие у вас вопросы при эксплуатации техники.
Если остались вопросы, задайте их в комментариях после инструкции.
"Загружаем инструкцию", означает, что нужно подождать пока файл загрузится и можно будет его читать онлайн. Некоторые инструкции очень большие и время их появления зависит от вашей скорости интернета.

75
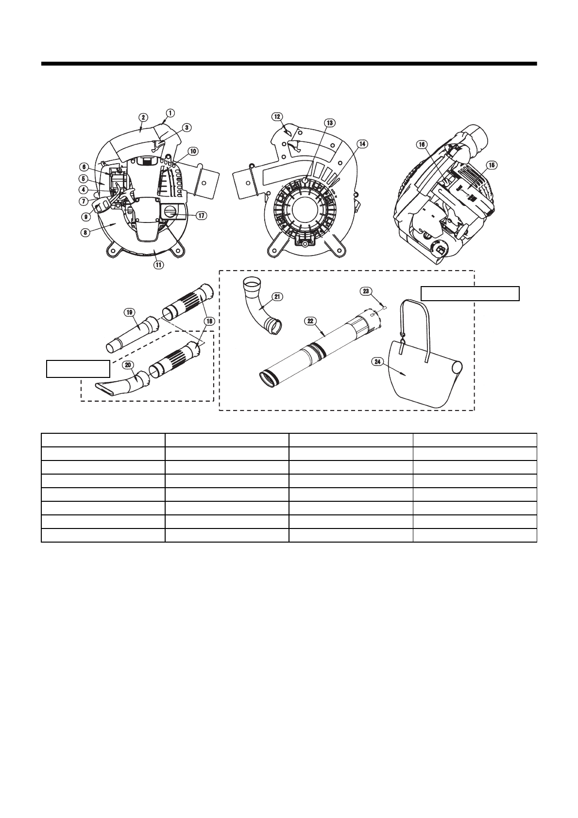
BENAMING VAN ONDERDELEN
BENAMING VAN ONDERDELEN BENAMING VAN ONDERDELEN BENAMING VAN ONDERDELEN BENAMING VAN ONDERDELEN
1. Stopschakelaar
8. Benzinetank
15. Bougiekap
22. Zuigmond
2. Hoofdgreep
9. Benzinetankdop
16. Bougie
23. Pijlteken
3. Trekker
10. Uitlaat
17. Oliedop
24. Stofzak
4. Opvoerpomp
11. Hulpgreep
18. Blaaspijp
5. Afdekking luchtfilter
12. Throttle vergrendelknop
19. Blaasmond A
6. Chokehendel
13. Schroef
20. Blaasmond B
7. Trekstarter
14. Beschermrooster
21. Elleboog
Los verkrijgbaar
Stofkit (Los verkrijgbaar)
Характеристики
Остались вопросы?Не нашли свой ответ в руководстве или возникли другие проблемы? Задайте свой вопрос в форме ниже с подробным описанием вашей ситуации, чтобы другие люди и специалисты смогли дать на него ответ. Если вы знаете как решить проблему другого человека, пожалуйста, подскажите ему :)













