Водонагреватели ZOTA 9 InLine ZI 346842 0009 - инструкция пользователя по применению, эксплуатации и установке на русском языке. Мы надеемся, она поможет вам решить возникшие у вас вопросы при эксплуатации техники.
Если остались вопросы, задайте их в комментариях после инструкции.
"Загружаем инструкцию", означает, что нужно подождать пока файл загрузится и можно будет его читать онлайн. Некоторые инструкции очень большие и время их появления зависит от вашей скорости интернета.

стр.6
1 - выключатåль сåти
2 - пåрåключатåль ступåнåй
мощности
3 - к н о п к а у с т а н о в к и
тåмпåратуры тåплоноситåля
4 - инäикатор тåмпåратуры
тåплоноситåля
3
1
2
4
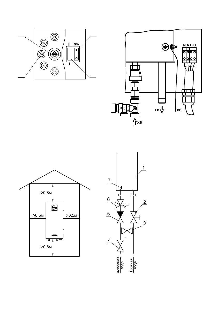
Ðис.2 Ðасположение органов
управления на передней панели
Ðис.3 Ñхема подключения
электроводонагревателя
Ðис.4 Ñхема установки
электроводонагревателя
Ðис.5 Ñхема гидравлическая
принципиальная
1 - элåктровоäо-
нагрåватåль
2 - кран шаровый
3- смåситåль
4 - вåнтиль
5 - клапан обратный
6 -клапан
прåäохранитåльный
7 - äатчик потока





