Водонагреватели Zanussi ZWH/S80O - инструкция пользователя по применению, эксплуатации и установке на русском языке. Мы надеемся, она поможет вам решить возникшие у вас вопросы при эксплуатации техники.
Если остались вопросы, задайте их в комментариях после инструкции.
"Загружаем инструкцию", означает, что нужно подождать пока файл загрузится и можно будет его читать онлайн. Некоторые инструкции очень большие и время их появления зависит от вашей скорости интернета.

10
Уход и техническое обслуживание
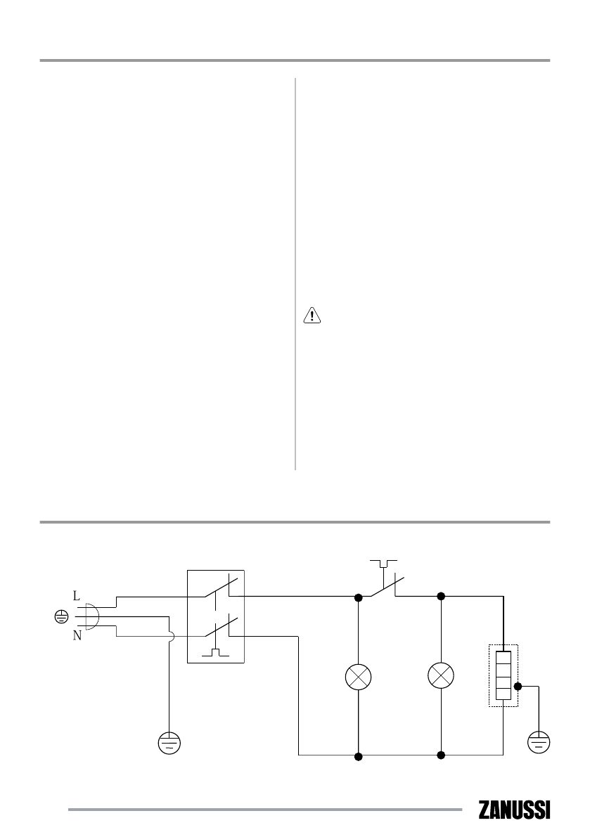
Схема электрических соединений
В случае неисправности термостата и перегрева
водонагревателя срабатывает автоматическая
система отключения, блокирующая нагрев и
подачу электроэнергии.
В запрещенном объеме не разрешается устанав-
ливать выключатели, розетки и осветительные
приборы. В защитном объеме установка выклю-
чателей запрещается, однако, можно устанавли-
вать розетки с заземлением.
Водонагреватель следует устанавливать за пре-
делами запрещенного объема, чтобы на него не
попадали брызги воды.
Подключение прибора к электросети долж-
но быть осуществлено через многополюсный
переключатель, прерыватель или контактор.
Для обеспечения безопасности работы водо-
нагревателя должен быть установлен автомат
подходящего номинала.
Подключение к электросети должно включать
в себя заземление. Вилку кабеля питания водо-
нагревателя со специальным разъемом для
заземления следует вставлять только в розетку,
имеющую соответствующее заземление.
Регулятор температуры мощности нагрева:
в некоторых моделях предусмотрена воз-
можность переключения мощности нагрева.
Положение HIGH: максимальная мощность
нагрева. Положение LOW: минимальная мощ-
ность нагрева.
Рекомендуется всегда держать водонагрева-
тель включенным в сеть, поскольку термостат
включает нагрев только тогда, когда это тре-
буется для поддержания установленной темпе-
ратуры.
Слив воды. Из водонагревателя следует пол-
ностью слить воду, если он не будет исполь-
зоваться в течение длительного времени или
температура в помещении, где он установлен
может опуститься ниже 0 °С. Слив можно произ-
вести с помощью предохранительного клапана,
при этом возможно подтекание изпод штока
клапана. Для слива желательно предусмотреть
тройник с вентилем между клапаном и втул-
кой. Перед сливом воды из водонагревателя не
забудьте:
• отключить водонагреватель от сети;
• закрыть вентиль;
• открыть кран горячей воды.
Внимание:
Ни в коем случае не снимайте крышку водо-
нагревателя, не отключив его предваритель-
но от электросети.
Гарантийное обслуживание производится в
соответствии с гарантийными обязательствами,
перечисленными в гарантийном талоне.
Изготовитель оставляет за собой право на внесе-
ние изменений в конструкцию и характеристики
прибора, без предварительного уведомления.
Срок службы водонагревателя составляет 8 лет.
Желтый/Зеленый
Синий
Индикат
ор вк
лю
чени
я
Индикат
ор нагрева
На
греват
ельный элемент
Красный
Переключатель
Термостат
Содержание
- 3 Запрещается применять переносные розет-
- 4 Краткое описание водонагревателя; Монтаж водонагревателя
- 6 Наполнение водой
- 7 Меры предосторожности
- 8 Устранение неполадок; Отказы; Габаритные размеры
- 9 Технические характеристики; Уход и техническое обслуживание
- 10 Ни в коем случае не снимайте крышку водо-; Синий
- 11 Таблица — подключенияя к электрической сети; Утилизация; Дата изготовления; Транспортировка и хранение
- 12 Сертификация; Товар соответствует требованиям:
- 13 Для заметок
- 26 Га ран тий ный та лон
Характеристики
Остались вопросы?Не нашли свой ответ в руководстве или возникли другие проблемы? Задайте свой вопрос в форме ниже с подробным описанием вашей ситуации, чтобы другие люди и специалисты смогли дать на него ответ. Если вы знаете как решить проблему другого человека, пожалуйста, подскажите ему :)












