Водонагреватели Zanussi ZWH/S50O - инструкция пользователя по применению, эксплуатации и установке на русском языке. Мы надеемся, она поможет вам решить возникшие у вас вопросы при эксплуатации техники.
Если остались вопросы, задайте их в комментариях после инструкции.
"Загружаем инструкцию", означает, что нужно подождать пока файл загрузится и можно будет его читать онлайн. Некоторые инструкции очень большие и время их появления зависит от вашей скорости интернета.

22
Догляд та технічне обслуговування
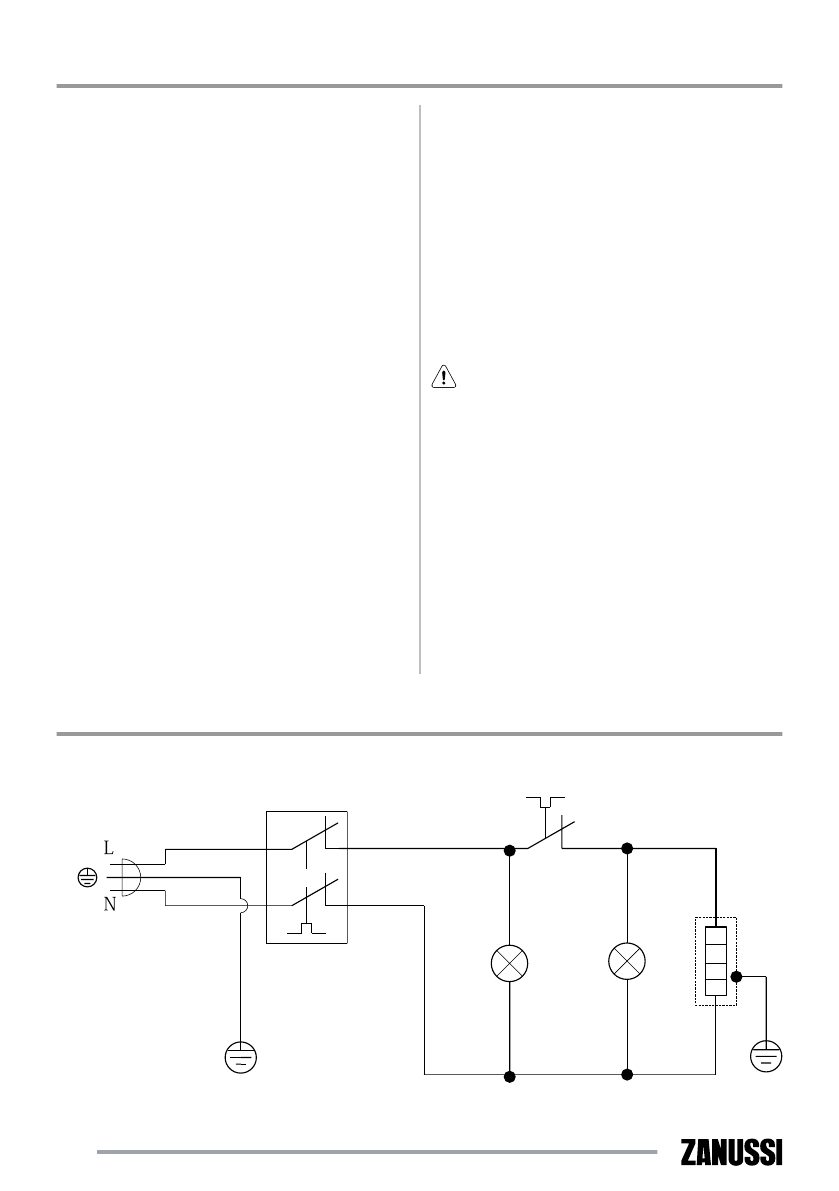
Схема електричних з`єднань
У разі несправності термостата і перегріву водо-
нагрівача спрацьовує автоматична система від-
ключення, блокуюча нагрів і подачу електрое-
нергії. В забороненому обсязі не дозволяється
встановлювати вимикачі, розетки і освітлю-
вальні прилади. В захисному обсязі установка
вимикачів забороняється, однак, можна встанов-
лювати розетки із заземленням. Водонагрівач
слід встановлювати за межами забороненого
обсягу, щоб на нього не потрапляли бризки води.
Підключення приладу до електромережі повинно
бути здійснено через багатополюсний переми-
кач, переривник або контактор. Для забезпечен-
ня безпеки роботи водонагрівача повинен бути
встановлений автомат підходящого номіналу.
Підключення до електромережі повинно вклю-
чати в себе заземлення. Вилку кабелю харчуван-
ня водонагрівача зі спеціальним роз’ємом для
заземлення слід вставляти тільки в розетку, що
має відповідний заземлення. Регулятор темпера-
тури потужності нагріву: в деяких моделях перед-
бачена можливість перемикання потужності
нагріву. положення МАХ: максимальна потуж-
ність нагріву. положення MIN: мінімальна потуж-
ність нагріву. Рекомендується завжди тримати
водонагрівач включеним в мережу, оскільки тер-
мостат включає нагрів тільки тоді, коли це вима-
гається для підтримання постійної температури.
Ззлив води. З водонагрівача слід повністю злити
воду, якщо він не якщо використовувався протя-
гом тривалого часу або температура в приміщен-
ні, де він встановлений може опуститися нижче
0 °С. Злив можна справити за допомогою запо-
біжного клапану, при цьому можливе підтікання
із під штоку клапану. Для зливу бажано передба-
чити трійник з вентилем між клапаном и втулки.
Перед зливом води з водонагрівача не забудьте:
• відключити водонагрівач від мережі;
• закрити вентиль;
• відкрити кран гарячої води.
Увага!
Ні в якому випадку знімайте кришку водо-
нагрівача, не відключивши його попередньо
від електромережі.
Гарантійне обслуговування проводиться від-
повідно з гарантійними зобов’язаннями, перелі-
ченими в гарантійному талоні. Виробник зали-
шає за собою право на внесення змін в конструк-
цію і характеристики приладу, без попереднього
повідомлення.
Термін служби водонагрівача становить 8 років.
Жовтий/Зелений
Синій
Індикат
ор вімкненн
я
Індикат
ор нагрів
у
Нагрівальний елемен
т
Червоний
Перемикач
Термостат
Содержание
- 3 Запрещается применять переносные розет-
- 4 Краткое описание водонагревателя; Монтаж водонагревателя
- 6 Наполнение водой
- 7 Меры предосторожности
- 8 Устранение неполадок; Отказы; Габаритные размеры
- 9 Технические характеристики; Уход и техническое обслуживание
- 10 Ни в коем случае не снимайте крышку водо-; Синий
- 11 Таблица — подключенияя к электрической сети; Утилизация; Дата изготовления; Транспортировка и хранение
- 12 Сертификация; Товар соответствует требованиям:
- 13 Для заметок
- 26 Га ран тий ный та лон
Характеристики
Остались вопросы?Не нашли свой ответ в руководстве или возникли другие проблемы? Задайте свой вопрос в форме ниже с подробным описанием вашей ситуации, чтобы другие люди и специалисты смогли дать на него ответ. Если вы знаете как решить проблему другого человека, пожалуйста, подскажите ему :)