Водонагреватели Unitherm US 300 1000 Uni - инструкция пользователя по применению, эксплуатации и установке на русском языке. Мы надеемся, она поможет вам решить возникшие у вас вопросы при эксплуатации техники.
Если остались вопросы, задайте их в комментариях после инструкции.
"Загружаем инструкцию", означает, что нужно подождать пока файл загрузится и можно будет его читать онлайн. Некоторые инструкции очень большие и время их появления зависит от вашей скорости интернета.

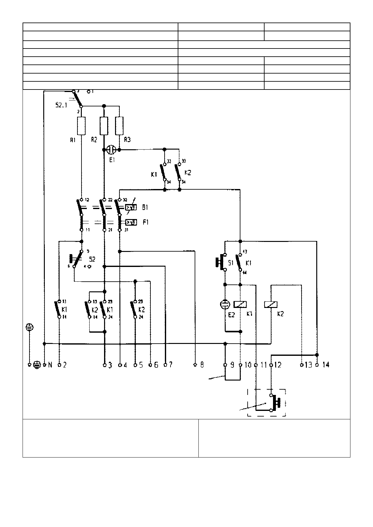
B1
Òåìïåðàòóðíûé ðåãóëÿòîð
E1
Èíäèêàòîð íàãðåâà (îáû÷íûé ðåæèì)
E2
Èíäèêàòîð íàãðåâà (ðåæèì óñêîðåííîãî íàãðåâà)
F1
Òåìïåðàòóðíûé ïðåäîõðàíèòåëü
R1,R2,R3
ÒÝÍû
8
Ðèñ.7 Ýëåêòðè÷åñêàÿ ñõåìà íàãðåâàòåëüíûõ ôëàíöåâ UFO 280/6 è UFO 280/9
Âûíîñíàÿ êíîïêà âêëþ÷åíèÿ
ðåæèìà áûñòðîãî íàãðåâà
Óäàëåíèå ïåðåìû÷êè ìåæäó
êëåììàìè 9 è 10 ïðèâåäåò ê
áëîêèðîâêå âîçìîæíîñòè
óñêîðåííîãî íàãðåâà
*EVU - Ïîäêëþ÷åíèå ê ïðåäïðèÿòèþ ýíåðãîñíàáæåíèÿ, ïîäàþùåãî ñèãíàë íà÷àëà è îêîí÷àíèÿ äåéñòâèÿ
äåøåâîãî íî÷íîãî òàðèôà
EVU*
UFO 280/6
UFO 280/9
Àðòèêóë
322001
322002
Íàïðÿæåíèå
400 Â~ 3N
Íàãðåâàòåëüíûå ýëåìåíòû, êîë-âî øò.
3
Ìîùíîñòü îäíîãî ÒÝÍà, êÂò
2
3
Íàãðåâ â ðåæèìå íî÷íîãî òàðèôà 8÷.,ìîùíîñòü êÂò
3
4,5
Íàãðåâ â ðåæèìå íî÷íîãî òàðèôà 4÷.,ìîùíîñòü êÂò
4
6
Óñêîðåííûé íàãðåâ, ìîùíîñòü êÂò
6
9
K1
Ìàãíèòíûé ïóñêàòåëü (îáû÷íûé ðåæèì)
K2
Ìàãíèòíûé ïóñêàòåëü (ðåæèì
óñêîðåííîãî íàãðåâà)
S1
Êíîïêà áûñòðîãî íàãðåâà
S2
Ïåðåêëþ÷àòåëü 4-8÷.
