Водонагреватели Unipump КОМПАКТ 15 под 95663 - инструкция пользователя по применению, эксплуатации и установке на русском языке. Мы надеемся, она поможет вам решить возникшие у вас вопросы при эксплуатации техники.
Если остались вопросы, задайте их в комментариях после инструкции.
"Загружаем инструкцию", означает, что нужно подождать пока файл загрузится и можно будет его читать онлайн. Некоторые инструкции очень большие и время их появления зависит от вашей скорости интернета.

Рук
ово
дс
тво по монтажу
и эк
сплуатации UNIPUMP
С
ТАНДАР
Т,
СЛИМ
, К
ОМПАК
Т
6
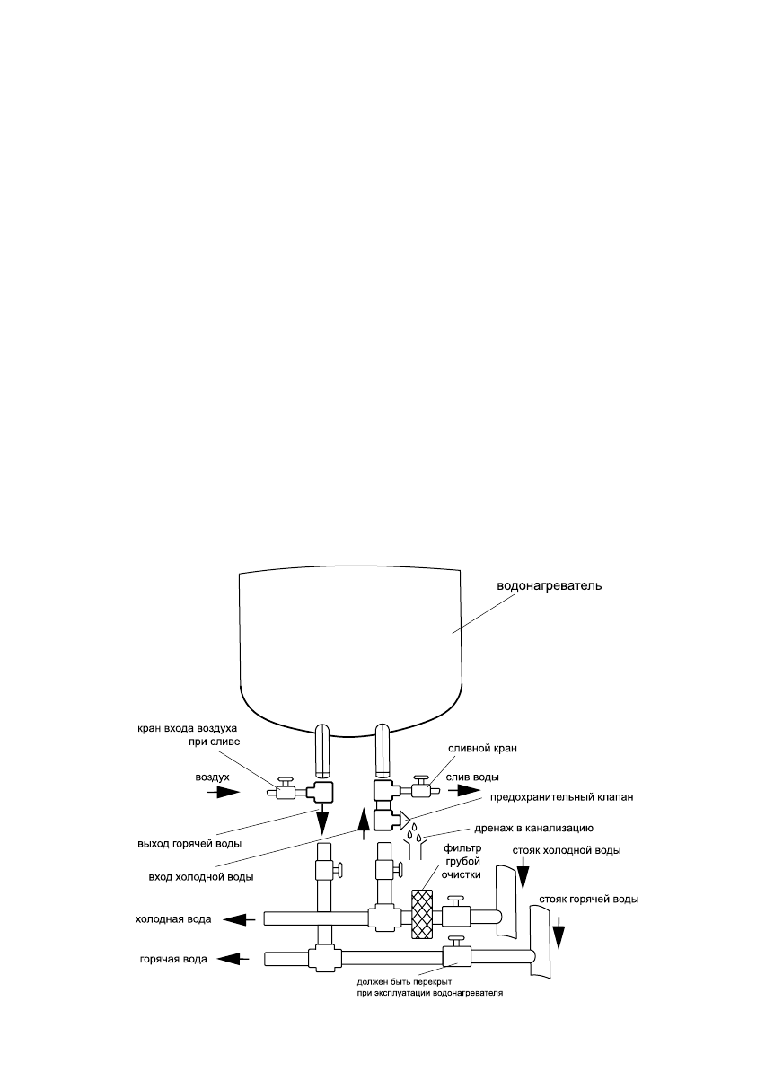
Водонагреватель рекомендуется
устанавливать максимально близко
от места использования горячей
воды, чтобы сократить потери тепла
в трубах. Запрещается установка
Установка
и подключение
- снимать защитную крышку при
включенном электропитании;
- включать водонагреватель в сеть
с
давлением выше 0,6 МПа;
- подключать водонагреватель к
водопроводу без предохранительного
клапана;
- сливать воду из водонагревателя при
включенном электропитании;
- эксплуатировать водонагреватель при
неисправном терморегуляторе;
- использовать воду из водонагревателя
для приготовления пищи;
- держать закрытым вентиль подвода
холодной воды при эксплуатации
водонагревателя;
- использовать воду, содержащую
механические примеси (песок мелкие
камни), которые могут привести к
нарушению работы водонагревателя и
предохранительного клапана;
6. Запрещается эксплуатация
водонагревателя с поврежденным
электрокабелем. При повреждении
электрокабеля, его должен заменить
производитель или уполномоченный
им сервисный центр.
7. Не допускается изменение
конструкции водонагревателя, а также
конструкции и установочных размеров
кронштейнов крепления.
8. Не допускается использование
сменных деталей и узлов, не
рекомендованных производителем.
Рис. 2
www.unipump.ru