Водонагреватели Unipump КОМПАКТ 10 59997 - инструкция пользователя по применению, эксплуатации и установке на русском языке. Мы надеемся, она поможет вам решить возникшие у вас вопросы при эксплуатации техники.
Если остались вопросы, задайте их в комментариях после инструкции.
"Загружаем инструкцию", означает, что нужно подождать пока файл загрузится и можно будет его читать онлайн. Некоторые инструкции очень большие и время их появления зависит от вашей скорости интернета.

9
Те
хниче
ская по
ддер
жка
—
+ 7
495 734-91-97
RU
Рис. 4
ВНИМАНИЕ!
Перед включением
электропитания убедитесь, что
водонагреватель заполнен водой!
ВНИМАНИЕ!
Если в процессе эксплуатации
водонагревателя по каким-либо
причинам не сработал основной
термостат, электропитание
будет отключено дублирующим
термовыключателем , когда
температура воды достигнет
величины 95°С.
ВНИМАНИЕ!
Образование накипи на ТЭНе
в процессе эксплуатации
может быть заметно снижено
при установке более низкой
температуры нагрева воды
(не выше 60°С). Также для
предотвращения образования
накипи рекомендуется применять
системы водоподготовки.
проводом заземления и располагаться
в месте, защищенном от влаги, либо
удовлетворять требованиям по влаго-
и брызгозащищенности.
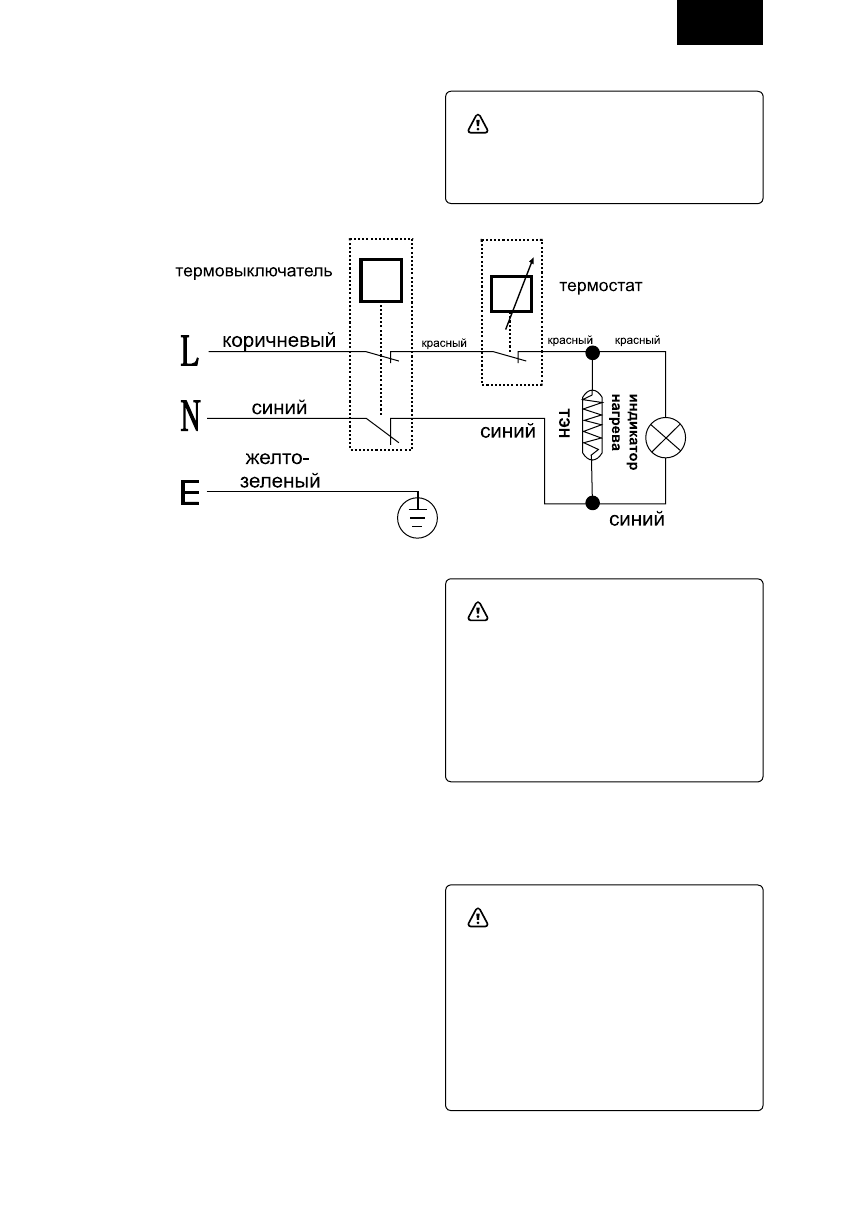
Электрическая схема водонагревателя
приведена на рисунке 4.
Q
Q
Ввод
в эксплуатацию
Перед началом эксплуатации
водонагревателя его необходимо
заполнить водой. Откройте запорные
краны на магистрали холодной и
горячей воды, а также кран горячей
воды на смесителе, чтобы обеспечить
отток воздуха из водонагревателя. При
полном заполнении водонагревателя
из крана горячей воды непрерывной
струей потечет холодная вода.
Подключите водонагреватель к
электрической сети.
При помощи ручки регулировки
температуры установите температуру
нагрева воды. При достижении
заданной температуры контрольная
лапочка погаснет.
Для возврата водонагревателя в
рабочее состояние необходимо нажать
до щелчка шток термовыключателя на
термостате, который расположен под
защитной крышкой водонагревателя.
www.unipump.ru