Thermex Nova 50 V (Slim) - Инструкция по эксплуатации - Страница 4

Водонагреватели Thermex Nova 50 V (Slim) - инструкция пользователя по применению, эксплуатации и установке на русском языке. Мы надеемся, она поможет вам решить возникшие у вас вопросы при эксплуатации техники.

Если остались вопросы, задайте их в комментариях после инструкции.

"Загружаем инструкцию", означает, что нужно подождать пока файл загрузится и можно будет его читать онлайн. Некоторые инструкции очень большие и время их появления зависит от вашей скорости интернета.
Страница:
/ 52
Загружаем инструкцию
background image

4

5

Время нагрева и нормы расхода электроэнергии / 

Heating time and energy consumption 

rates

  /  Час  нагріву  і  норми  витрати  електроенергії  /  Жылыту  уақыты  жəне  электр 

энергиясын жұмсау нормалары.

Объем, л

Capacity, l

Об'єм, л

Көлемі, л

Время нагрева,

Heating time,

Час нагріву,

Жылыту 

уақыты

,

∆T=45ºС

Постоянные  потери, 

кВт

ч/сут

Constant loss, 

kW

h/day

Постійні втрати, 

кВт

год/добу

Тұрақты шығындар, 

кВт

сағат/тəулік

Фактическое годовое

потребление

электроэнергии, кВт

ч

The actual annual

energy consumption, kW

h

Фактичне річне споживання

електроенергії, кВт

год

Электр энергиясын нақты 

жылдық тұтыну, кВт

сағат

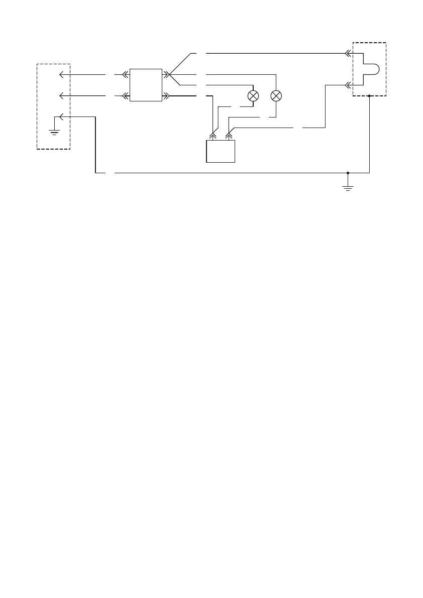
Рис.

 

2

 

/ Fig. 2

 

/ Рис.

 

2

 

/

 

2 сур.

N

L

E

2

3

4

N

L

N

L

2

2

7

1

8

9

Описание Ри    

   Опис Рис. 2 /  сур. сипаттамасы

c. 2 / Description Fig. 2 /

 2

Схема  электрических  соеденений  /

 

Схема  електричних  з'єднань 

  Wiring  diagram /

 

Электрлік қосылыстар сұлбасы

1.

 

Вилка стандарт С4 двухполюсная на 16 А, 250 В с двойными заземляющими контактами / 

C4  standard  plug,  bipolar  16 A,  250 V  with  double  grounding  terminal

 

 

  /  Вилка  стандарт  С4 

двополюсна  на  16  А,  250  В  з  подвійними  заземляючими  контактами  /  Қосарлы  жерге 
тұйықтайтын түйіспелері бар 16 А, 250 В есептелген екі полюсті С4 стандартты айыр

2.

 

Голубой / 

Sky blue

 / Блакитний / Көгілдір

3.

 

 Brown

Коричневый /

 / Коричневий / Қоңыр

4.

 

Желто-зеленый / Yellow-green / Жовто-зелений / Сары-жасыл

5.

 

Черный / Black / Чорний / Қара

6.

 

Контрольные  лампы  индикации  /  Сontrol  indicator  lamps  /  Контрольні  лампи  індикації/ 

Бақылау шамдар индикациялау

7.

 

Нагревательный элемент 

2

 кВт, 230 В / Heating element 

2

 kW

,

 230 V / 

 

Нагрівальний елемент 

2

 кВт, 230 В / Жылыту элементі 

2

 кВт, 230 В

8.

 

Термостат /

 Thermostat

 / Термостат / Термостат

9.

 

ЭВН EWH

ЕВН ЭВН

Корпус 

 / 

 casing / Корпус 

 / 

 корпусы

3

5

5

POWER

HEATING

6

2

3

30

46

 min

1,

00

365

50

1 hour 

17

 min

60

1 hour 

32

 min

80

2

 hours 0

3

 min

7

0

1 hour 

48

 min

1,

26

1,

43

1,

67

1,

83

460

522

608

668

Nova 30 – 80 V Slim

Nova 50 – 150 V

50

1 hour 

17

 min

80

2

 hours 0

3

 min

100

2

 hours 3

4

 min

150

3 hours 5

1

 min

1,

26

1,44

1,63

2,47

460

526

595

900

Полезные видео

Характеристики

Оцените статью
tehnopanorama.ru
Остались вопросы?

Не нашли свой ответ в руководстве или возникли другие проблемы? Задайте свой вопрос в форме ниже с подробным описанием вашей ситуации, чтобы другие люди и специалисты смогли дать на него ответ. Если вы знаете как решить проблему другого человека, пожалуйста, подскажите ему :)

Задать вопрос

Часто задаваемые вопросы
Как посмотреть инструкцию к Thermex Nova 50 V (Slim)?
Необходимо подождать полной загрузки инструкции в сером окне на данной странице
Руководство на русском языке?
Все наши руководства представлены на русском языке или схематично, поэтому вы без труда сможете разобраться с вашей моделью
Как скопировать текст из PDF?
Чтобы скопировать текст со страницы инструкции воспользуйтесь вкладкой "HTML"