Водонагреватели Thermex Nova 30 V Slim - инструкция пользователя по применению, эксплуатации и установке на русском языке. Мы надеемся, она поможет вам решить возникшие у вас вопросы при эксплуатации техники.
Если остались вопросы, задайте их в комментариях после инструкции.
"Загружаем инструкцию", означает, что нужно подождать пока файл загрузится и можно будет его читать онлайн. Некоторые инструкции очень большие и время их появления зависит от вашей скорости интернета.

4
5
Время нагрева и нормы расхода электроэнергии /
Heating time and energy consumption
rates
/ Час нагріву і норми витрати електроенергії / Жылыту уақыты жəне электр
энергиясын жұмсау нормалары.
Объем, л
Capacity, l
Об'єм, л
Көлемі, л
Время нагрева,
Heating time,
Час нагріву,
Жылыту
уақыты
,
∆T=45ºС
Постоянные потери,
кВт
•
ч/сут
Constant loss,
kW
•
h/day
Постійні втрати,
кВт
•
год/добу
Тұрақты шығындар,
кВт
•
сағат/тəулік
Фактическое годовое
потребление
электроэнергии, кВт
•
ч
The actual annual
energy consumption, kW
•
h
Фактичне річне споживання
електроенергії, кВт
•
год
Электр энергиясын нақты
жылдық тұтыну, кВт
•
сағат
Рис.
2
/ Fig. 2
/ Рис.
2
/
2 сур.
N
L
E
2
3
4
N
L
N
L
2
2
7
1
8
9
Описание Ри
Опис Рис. 2 / сур. сипаттамасы
c. 2 / Description Fig. 2 /
2
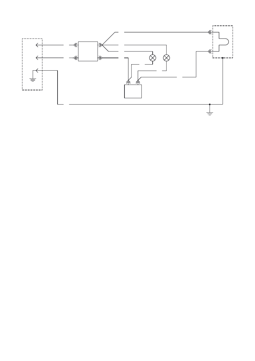
Схема электрических соеденений /
Схема електричних з'єднань
Wiring diagram /
/
Электрлік қосылыстар сұлбасы
1.
Вилка стандарт С4 двухполюсная на 16 А, 250 В с двойными заземляющими контактами /
C4 standard plug, bipolar 16 A, 250 V with double grounding terminal
/ Вилка стандарт С4
двополюсна на 16 А, 250 В з подвійними заземляючими контактами / Қосарлы жерге
тұйықтайтын түйіспелері бар 16 А, 250 В есептелген екі полюсті С4 стандартты айыр
2.
Голубой /
Sky blue
/ Блакитний / Көгілдір
3.
Brown
Коричневый /
/ Коричневий / Қоңыр
4.
Желто-зеленый / Yellow-green / Жовто-зелений / Сары-жасыл
5.
Черный / Black / Чорний / Қара
6.
Контрольные лампы индикации / Сontrol indicator lamps / Контрольні лампи індикації/
Бақылау шамдар индикациялау
7.
Нагревательный элемент
2
кВт, 230 В / Heating element
2
kW
,
230 V /
Нагрівальний елемент
2
кВт, 230 В / Жылыту элементі
2
кВт, 230 В
8.
Термостат /
Thermostat
/ Термостат / Термостат
9.
ЭВН EWH
ЕВН ЭВН
Корпус
/
casing / Корпус
/
корпусы
3
5
5
POWER
HEATING
6
2
3
30
46
min
1,
00
365
50
1 hour
17
min
60
1 hour
32
min
80
2
hours 0
3
min
7
0
1 hour
48
min
1,
26
1,
43
1,
67
1,
83
460
522
608
668
Nova 30 – 80 V Slim
Nova 50 – 150 V
50
1 hour
17
min
80
2
hours 0
3
min
100
2
hours 3
4
min
150
3 hours 5
1
min
1,
26
1,44
1,63
2,47
460
526
595
900
Содержание
- 6 Комплект поставки; Thermex
- 8 Описание и принцип действия; Heating; Указание мер безопасности
- 10 Подключение к электросети; За падение ЭВН, связанное с его неправильной установкой; Подключение к водопроводу; ной очистки воды со степенью очистки не менее 200 мкм.
- 12 Возможные неисправности и методы их устранения; отметка с печатью организа
- 14 комплекта поставки ЭВН.; Утилизация; Транспортировка и хранение электроводонагревателей
- 16 Supply Package; mail
- 48 Warranty certificates /
- 50 Заполняется сервисным центром
- 51 Отопление; Водоснабжение












