Водонагреватели Thermex IU 30 V - инструкция пользователя по применению, эксплуатации и установке на русском языке. Мы надеемся, она поможет вам решить возникшие у вас вопросы при эксплуатации техники.
Если остались вопросы, задайте их в комментариях после инструкции.
"Загружаем инструкцию", означает, что нужно подождать пока файл загрузится и можно будет его читать онлайн. Некоторые инструкции очень большие и время их появления зависит от вашей скорости интернета.

10
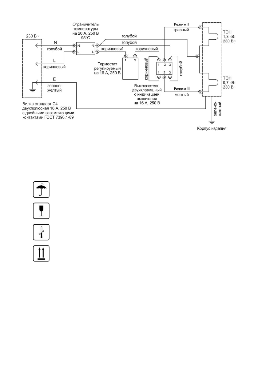
Схема электрических соединений
8.
ТРАНСПОРТИРОВКА И ХРАНЕНИЕ ЭЛЕКТРОВОДОНАГРЕВАТЕЛЕЙ
Транспортировка и хранение электроводонагревателей осуществляется в со-
ответствии с манипуляционными знаками на упаковке:
Необходимость защиты груза от воздействия влаги
Хрупкость груза, условие осторожного обращения
Рекомендованный температурный диапазон хранения груза:
от +5°С до +40°С
Правильное вертикальное положение груза
9.
УТИЛИЗАЦИЯ
При соблюдении правил установки, эксплуатации и технического обслужива-
ния ЭВН и при соответствии качества используемой воды действующим стандар-
там изготовитель устанавливает на него срок службы 
9
лет от даты покупки ЭВН.
Все составные части водонагревателя изготовлены из материалов, допускающих 
в  случае  необходимости  экологически  безопасную  его  утилизацию,  которая 
должна происходить в  соответствии с нормами и правилами той страны, где экс-
плуатируется водонагреватель. 
Содержание
- 4 предназначен для работы в непрерывно проточном режиме.; ОСНОВНЫЕ ТЕХНИЧЕСКИЕ ХАРАКТЕРИСТИКИ; МПа
 - 5 КОМПЛЕКТ ПОСТАВКИ; ЭВН имеет два резьбовых патрубка: для входа холодной воды (
 - 7 УСТАНОВКА И ПОДКЛЮЧЕНИЕ; корпусе и в соответствии со следующей таблицей:; Маркировка; – вертикальное, патрубки вниз
 - 8 ПОДКЛЮЧЕНИЕ К ВОДОПРОВОДУ
 - 10 Для проведения ТО и замены анода необходимо выполнить следую-
 - 13 ГАРАНТИЯ ИЗГОТОВИТЕЛЯ; Изготовитель устанавливает срок гарантии на водонагреватель
 - 14 СВЕДЕНИЯ ОБ ИЗГОТОВИТЕЛЕ; Импортёр в Российскую Федерацию:
 - 15 Представник виробника в Украiнi:
 - 16 ОТМЕТКА О ПРОДАЖЕ; Подпись представителя; продавца
 - 19 Wi-Fi Motion Wireless Technology; Other products with remote control:; Отопление; Водоснабжение
 - 20 рядом с Карловыми Варами.; Встречай
 
 
 
 
 
 
 
 
 
 
 
 
 
 
 
 
 
 
 
 
 











