Водонагреватели Thermex IRP 200 V PRO - инструкция пользователя по применению, эксплуатации и установке на русском языке. Мы надеемся, она поможет вам решить возникшие у вас вопросы при эксплуатации техники.
Если остались вопросы, задайте их в комментариях после инструкции.
"Загружаем инструкцию", означает, что нужно подождать пока файл загрузится и можно будет его читать онлайн. Некоторые инструкции очень большие и время их появления зависит от вашей скорости интернета.

Сервис-центр в Молдове:
«RE-SERVE» S.R.L.
R. Moldova, MD-2001, Mun. Chisinau, bd. Gagarin
16
Tel
.: +373 (22) 54 54 74
Представник виробника в Украiнi:
ТОВ «Термекс»
Тел.: 0 (800) 500 610
w
ww.thermex.ua
RU
14
15
1
.
Голубой /
Sky blue
/ Блакитний / Көгілдір
2.
Красный / Red / Червоний / Қызыл
3.
Коричневый /
Brown
/ Коричневий / Қоңыр
4.
Черный / Black / Чорний / Қара
5.
Желто-зеленый / Yellow-green / Жовто-зелений / Сары-жасыл
6.
Термостат регулируемый с защитным отключением /
Adjustable thermostat with safety
shutdown
/ Термостат регулюємий з захисним відключенням / Қорғаныс өшірілуі бар
реттемелі термостат.
7.
ТЭН, 2 кВт, 230 В / THE 2 kW 230 V / ТЕН, 2 кВт, 230 В / ТЭЖ, 2
кВт, 230 В
8.
ТЭН, 2 кВт, 230 В / THE 2 kW 230 V / ТЕН, 2 кВт, 230 В / ТЭЖ, 2
кВт, 230 В
9.
ТЭН, 2 кВт, 230 В / THE 2 kW 230 V / ТЕН, 2 кВт, 230 В / ТЭЖ, 2
кВт, 230 В
10.
Корпус ЭВН / EWH casing / Корпус ЕВН / ЭВН корпусы
S1, S2, S3
–
выключатель с индикацией включения на 16 А, 250 В /
switch with 16 A,
250 V switching on indication
/ 16 А, 250 В қосылмалы индикациясы бар ажыратқыш /
вимикач з індикацією включення на 16 А, 250 В
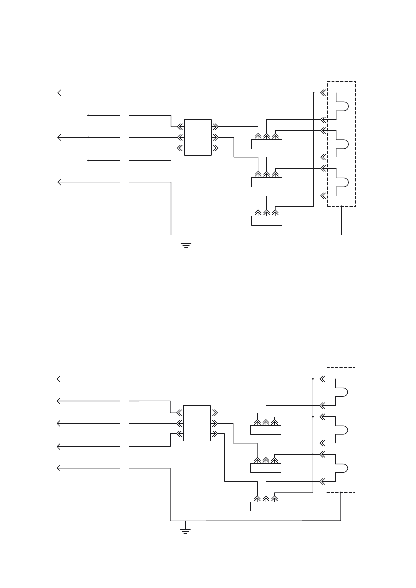
Схема электрических соединений /
Wiring diagram
/
Схема електричних з'єднань / Электрлік қосылыстар сұлбасы.
N
E
230
В~
S1
S2
S3
3
1
2
11
21
31
12
22
32
L
2
L
1
L
3
3
1
2
3
1
2
L
N
E
400
В~
S1
S2
S3
3
1
2
11
21
31
12
22
32
L
2
L
1
L
3
3
1
2
3
1
2
1
2
3
4
5
1
2
3
4
5
6
6
7
8
9
10
10
7
8
9
L1 –
фаза 1 /
phase
1
L2 –
фаза
2
/
phase
2
L3 –
фаза
2
/
phase
2
L (L1+L2+L3) –
фаза /
phase (230 V~)
N –
Neutral conductor
Нульовий провід / Нөлдік сым
Нулевой провод /
/
E –
/ Earthing /
Заземлення
/
Жерсіңдіру
Заземление
Характеристики
Остались вопросы?Не нашли свой ответ в руководстве или возникли другие проблемы? Задайте свой вопрос в форме ниже с подробным описанием вашей ситуации, чтобы другие люди и специалисты смогли дать на него ответ. Если вы знаете как решить проблему другого человека, пожалуйста, подскажите ему :)

 
  
  
  
  
  
  
  
  
  
  
  
  
  
  
  
  
  
  
  
  
 











