Водонагреватели Thermex FSS 100V - инструкция пользователя по применению, эксплуатации и установке на русском языке. Мы надеемся, она поможет вам решить возникшие у вас вопросы при эксплуатации техники.
Если остались вопросы, задайте их в комментариях после инструкции.
"Загружаем инструкцию", означает, что нужно подождать пока файл загрузится и можно будет его читать онлайн. Некоторые инструкции очень большие и время их появления зависит от вашей скорости интернета.

11
Транспортировка и хранение электроводонагревателей
Транспортировка и хранение электроводонагревателей осуществляется в соответствии с
манипуляционными знаками на упаковке:
– необходимость защиты груза от воздействия влаги
– хрупкость груза, условие осторожного обращения
– рекомендованный температурный диапазон хранения груза: от +10°С до +20°С
– правильное вертикальное положение груза
Правила и условия хранения и перевозки также указаны на упаковке товара.
Утилизация
При соблюдении правил установки, эксплуатации и технического обслуживания ЭВН и
соответствии качества используемой воды действующим стандартом изготовитель устанавли-
вает на него срок службы 9 лет от даты покупки ЭВН. Все составные части водонагревателя
изготовлены из материалов, допускающих, в случае необходимости, экологически безопас-
ную его утилизацию, которая должна происходить в соответствии с нормами и правилами той
страны, где эксплуатируется водонагреватель.
Вышеперечисленные неисправности не являются дефектами ЭВН и устраняются потребите-
лем самостоятельно или силами специализированной организации за его счет.
При невозможности устранить неисправность при помощи вышеописанных рекомендаций или
в случае выявления других, следует обратиться в сервисный центр, указанный в руководстве
по эксплуатации.
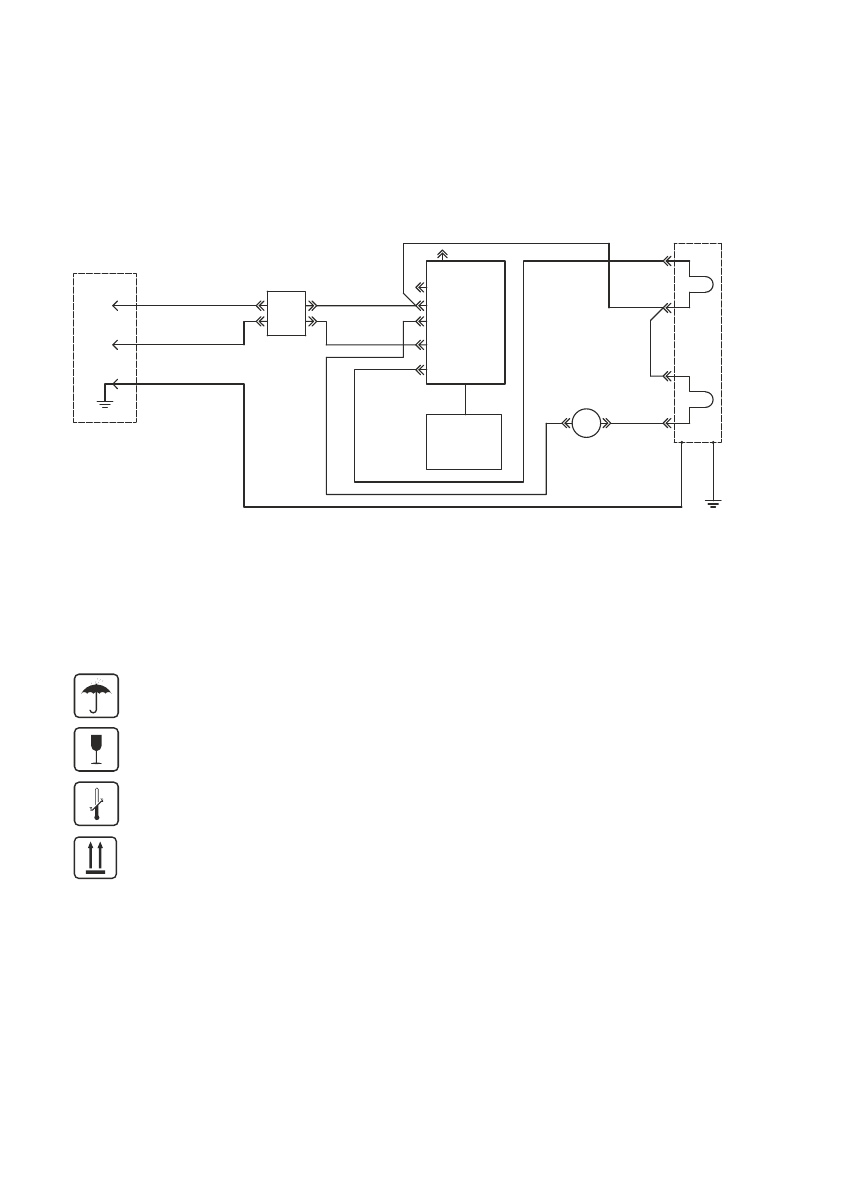
Схема электрических соединений
10
230
В
~
N
голубой
L
коричневый
E
зелено-желтый
Вилка стандарт С4
двухполюсная 16 А, 250 В
с двойными заземляющими
контактами ГОСТ 7396.1-89
Ограничитель
температуры
0
на 16 А, 250 В, 95 С
ТЭН
1.
3
кВт
2
3
0
В
~
ТЭН
700
Вт
2
3
0
В
~
Корпус
изделия
зе
лено-
же
лтый
Панель
управления
N
L
N
L
Ограничитель
температуры
на 10 А, 250 В,
0
77 С
синий
синий
красный
же
лтый
коричневый
желтый
синий
Блок
питания
HE
режим
I
HE
режим
II
HE
HE
N
L
Гарантия изготовителя
Изготовитель устанавливает срок гарантии на водонагреватель 1 год, при этом сроки гарантии
на составные части и комплектующие изделия следующие:
на водосодержащую емкость (внутренний бак) - 7 лет;
на прочие составные части (нагревательный элемент, термостат, лампочки-индикаторы,
уплотнительные прокладки, индикатор температуры, предохранительный клапан) -1 год.
Срок гарантии исчисляется от даты продажи ЭВН. При отсутствии или исправлении даты
продажи и штампа магазина срок гарантии исчисляется от даты выпуска ЭВН.
Претензии в период срока гарантии принимаются при наличии гарантийного талона, с
отметками фирмы-продавца, и идентификационной таблички на корпусе ЭВН.
Гарантия распространяется только на ЭВН. Ответственность за соблюдение правил установки
и подключения лежит на покупателе (в случае самостоятельного подключения) либо на
монтажной организации, осуществившей подключение.
При установке и эксплуатации ЭВН потребитель обязан соблюдать требования, обеспе
-
чивающие безотказную работу прибора в течение срока гарантии:
выполнять меры безопасности и правила установки, подключения, эксплуатации и
џ
обслуживания, изложенные в настоящем руководстве
исключить механические повреждения от небрежного хранения, транспортировки и
џ
монтажа
исключить замерзание воды в ЭВН
џ
использовать для нагрева в ЭВН воду без механических и химических примесей
џ
эксплуатировать ЭВН с исправно работающим предохранительным клапаном из
џ
комплекта поставки ЭВН
Изготовитель не несет ответственность за недостатки, возникшие вследствие нарушения
потребителем правил установки, эксплуатации и технического обслуживания ЭВН, изложен-
ных в настоящем руководстве, в т. ч. в случаях, когда эти недостатки возникли из-за недопусти-
мых параметров сетей (электрической и водоснабжения), в которых эксплуатируется ЭВН, и
вследствие вмешательства третьих лиц. На претензии по внешнему виду ЭВН гарантия
производителя не распространяется.
Ремонт, замена составных частей и комплектующих в пределах срока гарантии не продлевают
срок гарантии на ЭВН в целом. Срок гарантии на замененные или отремонтированные
комплектующие составляет один месяц.
ВНИМАНИЕ!
Неисправность предохранительного клапана или шнура питания не является
неисправностью собственно ЭВН и не влечет за собой замену ЭВН. Ответственность за
соблюдение правил установки и подключения лежит на покупателе (в случае самостоятельно-
го подключения) либо на монтажной организации, производившей подключение.
Сведения об изготовителе
Изготовитель:
«HEATING EQUIPMENT» LTD
, ООО «Тепловое Оборудование»
Россия, 187000, Ленинградская область, г. Тосно, Московское шоссе, д. 44
Все модели прошли обязательную сертификацию и соответствуют требованиям
Технического регламента Таможенного союза ТР ТС 004/2011, ТР ТС 020/2011
Cертификат
№ ТС RU C-RU.AB72.B.01094
и Европейским директивам 2006/95/ЕС,
2004/108/ЕС












