Водонагреватели TESY GCVS 1004420 B11 TSRC 303299 - инструкция пользователя по применению, эксплуатации и установке на русском языке. Мы надеемся, она поможет вам решить возникшие у вас вопросы при эксплуатации техники.
Если остались вопросы, задайте их в комментариях после инструкции.
"Загружаем инструкцию", означает, что нужно подождать пока файл загрузится и можно будет его читать онлайн. Некоторые инструкции очень большие и время их появления зависит от вашей скорости интернета.

e
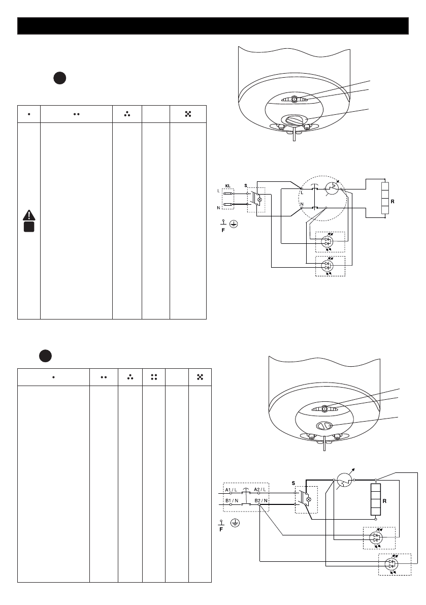
anti-freeze mode
режим против
замерзания
külmumisvastane režiim
režim proti zamrznutí
regjim kundër ngrirjes
beskyttelse mod frost
režim protiiv zamrzavanja
regimen contra
congelacion
rež
ī
ms pret aizsaltu
nuo užšalimo apsaugantis
režimas
modus frostschutz
antifryse-modus
reżym przeciw zamarzaniu
modo anti-gêlo
regim anti-îngheţ.
režim proti zamrznutí
način proti zmrzovanju
režim protiiv zamrzavanja
frostfri-funktion
режим проти замерзання
fagyvédelem
режим против
замръзване
ديمجتلا دض فقوم
Comf
or
t app
x.40°C
Comf
or
t app
x. 60°C
Comf
or
t app
x.70°C
e
anti-freeze mode
режим против
замерзания
külmumisvastane režiim
režim proti zamrznutí
regjim kundër ngrirjes
beskyttelse mod frost
režim protiiv zamrzavanja
regimen contra
congelacion
rež
ī
ms pret aizsaltu
nuo užšalimo apsaugantis
režimas
modus frostschutz
antifryse-modus
reżym przeciw zamarzaniu
modo anti-gêlo
regim anti-îngheţ.
režim proti zamrznutí
način proti zmrzovanju
režim protiiv zamrzavanja
frostfri-funktion
режим проти замерзання
fagyvédelem
режим против
замръзване
ديمجتلا دض فقوم
Comf
or
t app
x.25°C
Comf
or
t app
x.40°C
Comf
or
t app
x.55°C
Comf
or
t app
x.60°C
Comf
or
t app
x.70°C
2
TR+TS
IL
IL
1
2
3
1
2
3
TS
TR
IL
IL
2
a
2
b