Водонагреватели Термекс THERMEX MK 50 H ЭдЭБ01325 - инструкция пользователя по применению, эксплуатации и установке на русском языке. Мы надеемся, она поможет вам решить возникшие у вас вопросы при эксплуатации техники.
Если остались вопросы, задайте их в комментариях после инструкции.
"Загружаем инструкцию", означает, что нужно подождать пока файл загрузится и можно будет его читать онлайн. Некоторые инструкции очень большие и время их появления зависит от вашей скорости интернета.

10
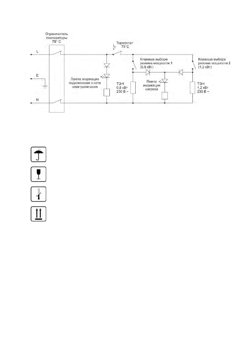
9. СХЕМА ЭЛЕКТРИЧЕСКИХ СОЕДИНЕНИЙ
10. ТРАНСПОРТИРОВКА И ХРАНЕНИЕ ЭЛЕКТРОВОДОНАГРЕВАТЕЛЕЙ
Транспортировка и хранение электроводонагревателей осуществляется в со-
ответствии с манипуляционными знаками на упаковке:
Необходимость защиты груза от воздействия влаги
Хрупкость груза, условие осторожного обращения
Рекомендованный температурный диапазон хранения груза:
от +5°С до +40°С
Правильное вертикальное положение груза;
11. УТИЛИЗАЦИЯ
При соблюдении правил установки, эксплуатации и технического обслужива-
ния ЭВН и соответствии качества используемой воды действующим стандартом
изготовитель устанавливает на него срок службы 7 лет от даты покупки ЭВН. Все
составные части водонагревателя изготовлены из материалов, допускающих, в
случае необходимости, экологически безопасную его утилизацию, которая должна
происходить в соответствии с нормами и правилами той страны, где эксплуатиру-
ется водонагреватель.
Содержание
- 4 Модели; КОМПЛЕКТ ПОСТАВКИ; щитной крышки и панели управления.
- 9 розетку для включения ЭВН.; ЭКСПЛУАТАЦИЯ И ТЕХНИЧЕСКОЕ ОБСЛУЖИВАНИЕ; ной на панели управления (
- 11 ются потребителем самостоятельно или за его счет.; Рисунок 3. Схема расположения кнопки термовыключателя; центр, указанный в руководстве по эксплуатации.
- 13 ГАРАНТИИ ИЗГОТОВИТЕЛЯ
- 19 Wi-Fi Motion Wireless Technology; Other products with remote control:; Отопление; Водоснабжение
- 20 рядом с Карловыми Варами.; Встречай