Водонагреватели Термекс Surf Plus 4500 ЭдЭБ00386 - инструкция пользователя по применению, эксплуатации и установке на русском языке. Мы надеемся, она поможет вам решить возникшие у вас вопросы при эксплуатации техники.
Если остались вопросы, задайте их в комментариях после инструкции.
"Загружаем инструкцию", означает, что нужно подождать пока файл загрузится и можно будет его читать онлайн. Некоторые инструкции очень большие и время их появления зависит от вашей скорости интернета.

9
7.
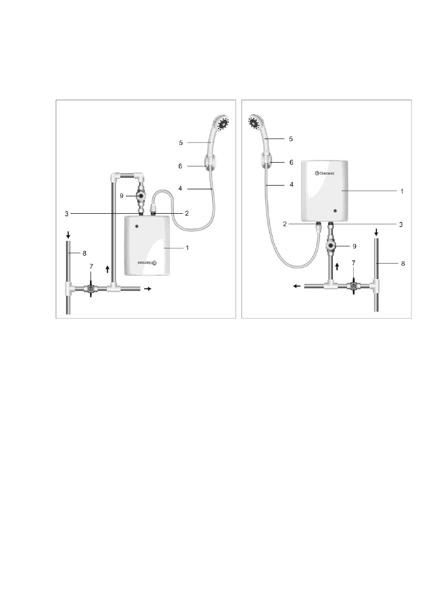
ПОДКЛЮЧЕНИЕ К ВОДОПРОВОДУ
Если давление в водопроводе превышает 0,7 МПа, то на входе перед ПЭВН
необходимо установить редукционный клапан (не входит в комплект поставки
ПЭВН) для снижения давления воды до нормы.
Рис.4 Схема подключения ПЭВН Thermex Surf 3500, 5000, Surf 6000 к
водопроводу.
1 – водонагреватель (ПЭВН); 2 – выходной патрубок горячей воды; 3 –
входной патрубок холодной воды; 4 – шланг; 5 – душевая лейка; 6 –
держатель для душевой лейки; 7 – запорный вентиль; 8 – магистраль хо-
лодной воды; 9 – регулятор протока (в комплект не входит).
Подключение моделей Thermex Surf 3500, 5000, Surf 6000 к водопроводу
осуществляется в соответствии с Рис.4
При затяжке соединений на ПЭВН, необходимо удерживать переходные
муфты входного (3) и выходного патрубков (2) при помощи разводного или га-
ечного ключа во избежание повреждения внутренних соединений ПЭВН! Со-
едините душевую лейку (5) при помощи шланга (4) с выходным патрубком го-
рячей воды (2) ПЭВН красного цвета.
После подключения откройте запорный вентиль (7) и подайте воду в ПЭВН
(1), открыв регулятор протока воды (9), после заполнения ПЭВН водой закройте
регулятор протока воды (9). Проверьте плотность всех соединений и, если пона-
добится, подтяните гайки и винты крепления.
Содержание
- 4 ОСНОВНЫЕ ТЕХНИЧЕСКИЕ ХАРАКТЕРИСТИКИ; Таблица 1
- 5 УКАЗАНИЯ МЕР БЕЗОПАСНОСТИ; оставлять без надзора работающий ПЭВН
- 6 УСТАНОВКА И ПОДКЛЮЧЕНИЕ; Монтаж водонагревателя на стене.
- 7 СЕТИ; не попадали на его корпус.; вилкой осуществляется в соответствии с Рис.2:
- 9 Thermex Surf Plus 6000 осуществляется в соответствии с Рис.3:; Снимите переднюю крышку для подсоединения сетевого кабеля.
- 11 ПОДКЛЮЧЕНИЕ К ВОДОПРОВОДУ; осуществляется в соответствии с Рис.4
- 13 УСТРАНЕНИЕ ВОЗДУШНЫХ ПРОБОК; Перед подключением ПЭВН к электросети, а также если ПЭВН не исполь-; ЭКСПЛУАТАЦИЯ
- 14 ТЕХНИЧЕСКОЕ ОБСЛУЖИВАНИЕ И УХОД
- 15 ПОИСК И УСТРАНЕНИЕ НЕИСПРАВНОСТЕЙ; Таблица 2
- 17 исключить замерзание ПЭВН
- 18 СВЕДЕНИЯ ОБ ИЗГОТОВИТЕЛЕ; Страна производства – КНР.
- 20 ОТМЕТКА О ПРОДАЖЕ; Подпись представителя
- 23 ЕЩЁ БОЛЬШЕ; Модели; COMBI; Серия напольных комбинированных