Водонагреватели Термекс Surf 3500 ЭдЭБ00382 - инструкция пользователя по применению, эксплуатации и установке на русском языке. Мы надеемся, она поможет вам решить возникшие у вас вопросы при эксплуатации техники.
Если остались вопросы, задайте их в комментариях после инструкции.
"Загружаем инструкцию", означает, что нужно подождать пока файл загрузится и можно будет его читать онлайн. Некоторые инструкции очень большие и время их появления зависит от вашей скорости интернета.

9
7.
ПОДКЛЮЧЕНИЕ К ВОДОПРОВОДУ
Если давление в водопроводе превышает 0,7 МПа, то на входе перед ПЭВН
необходимо  установить  редукционный  клапан  (не  входит  в  комплект  поставки 
ПЭВН) для снижения давления воды до нормы. 
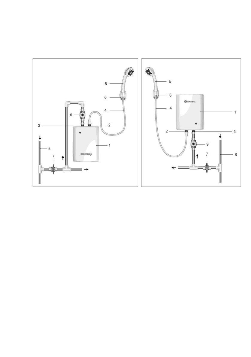
Рис.4  Схема  подключения  ПЭВН  Thermex  Surf  3500,  5000,  Surf  6000  к 
водопроводу. 
1 – водонагреватель (ПЭВН); 2 – выходной патрубок горячей воды; 3 –
входной  патрубок  холодной  воды;  4  –  шланг;  5  –  душевая  лейка;  6  –
держатель  для  душевой  лейки;  7  –  запорный  вентиль;  8  –    магистраль  хо-
лодной воды; 9 – регулятор протока (в комплект не входит). 
Подключение моделей Thermex Surf 3500, 5000, Surf 6000 к водопроводу
осуществляется в соответствии с Рис.4
При затяжке соединений на ПЭВН, необходимо удерживать переходные
муфты  входного  (3)  и  выходного  патрубков  (2)  при  помощи  разводного  или  га-
ечного  ключа  во  избежание  повреждения  внутренних  соединений  ПЭВН!    Со-
едините  душевую  лейку  (5)  при  помощи  шланга  (4)  с  выходным  патрубком  го-
рячей воды (2) ПЭВН красного цвета.  
После подключения откройте запорный вентиль (7) и подайте воду в ПЭВН
(1), открыв регулятор протока воды (9), после заполнения ПЭВН водой закройте 
регулятор протока воды (9). Проверьте плотность всех соединений и, если пона-
добится, подтяните гайки и винты крепления. 
Содержание
- 4 ОСНОВНЫЕ ТЕХНИЧЕСКИЕ ХАРАКТЕРИСТИКИ; Таблица 1
 - 5 УКАЗАНИЯ МЕР БЕЗОПАСНОСТИ; оставлять без надзора работающий ПЭВН
 - 6 УСТАНОВКА И ПОДКЛЮЧЕНИЕ; Монтаж водонагревателя на стене.
 - 7 СЕТИ; не попадали на его корпус.; вилкой осуществляется в соответствии с Рис.2:
 - 9 Thermex Surf Plus 6000 осуществляется в соответствии с Рис.3:; Снимите переднюю крышку для подсоединения сетевого кабеля.
 - 11 ПОДКЛЮЧЕНИЕ К ВОДОПРОВОДУ; осуществляется в соответствии с Рис.4
 - 13 УСТРАНЕНИЕ ВОЗДУШНЫХ ПРОБОК; Перед подключением ПЭВН к электросети, а также если ПЭВН не исполь-; ЭКСПЛУАТАЦИЯ
 - 14 ТЕХНИЧЕСКОЕ ОБСЛУЖИВАНИЕ И УХОД
 - 15 ПОИСК И УСТРАНЕНИЕ НЕИСПРАВНОСТЕЙ; Таблица 2
 - 17 исключить замерзание ПЭВН
 - 18 СВЕДЕНИЯ ОБ ИЗГОТОВИТЕЛЕ; Страна производства – КНР.
 - 20 ОТМЕТКА О ПРОДАЖЕ; Подпись представителя
 - 23 ЕЩЁ БОЛЬШЕ; Модели; COMBI; Серия напольных комбинированных
 

 
 
 
 
 
 
 
 
 
 
 
 
 
 
 
 
 
 
 
 
 
 
 
 











