Водонагреватели Термекс IRP 200 F ЭдЭ001193 - инструкция пользователя по применению, эксплуатации и установке на русском языке. Мы надеемся, она поможет вам решить возникшие у вас вопросы при эксплуатации техники.
Если остались вопросы, задайте их в комментариях после инструкции.
"Загружаем инструкцию", означает, что нужно подождать пока файл загрузится и можно будет его читать онлайн. Некоторые инструкции очень большие и время их появления зависит от вашей скорости интернета.

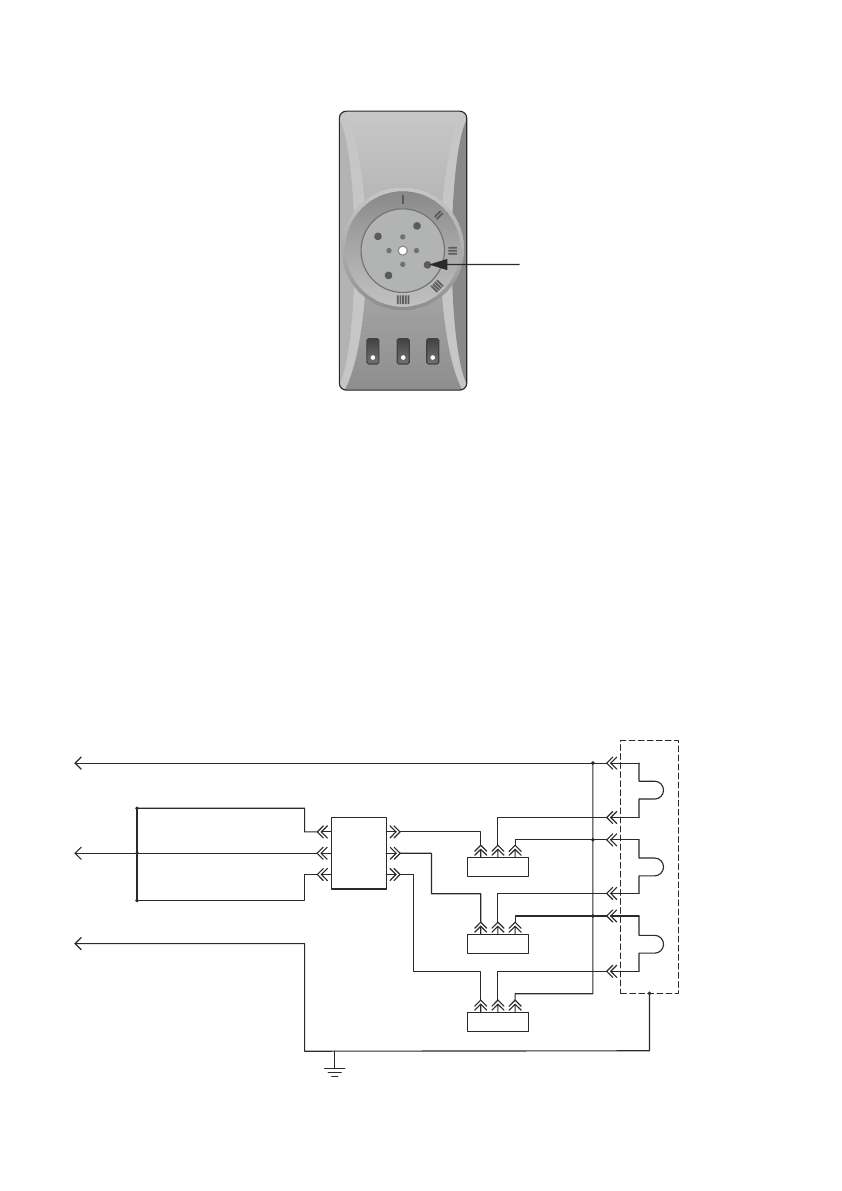
Рис. 3.
Расположение штока на термовыключателе термостата.
Нажать
Вышеперечисленные неисправности не являются дефектами ЭВН и устраняются потребите-
лем самостоятельно или силами специализированной организации за его счет.
При невозможности устранить неисправность при помощи вышеописанных рекомендаций или
в случае выявления других, следует обратиться в сервисный центр, указанный в руководстве
по эксплуатации.
Схема электрических соединений
1. Основные технические требования
ГОСт Р МЭК 335-1-94
2.
S1, S2, S3
–
выключатель
с индикацией включения на 16 А, 250 В
ТЭН 2 кВт,
2
3
0
В
~
Корпус изделия
Термостат
регулируемый
с защитным
отключением
N
E
400
В~
голубой
красный
коричневый
черный
зелено-желтый
S1
S2
S3
3
1
2
ПВС 5х25
ТЭН 2 кВт,
2
3
0
В
~
ТЭН 2 кВт,
2
3
0
В
~
11
21
31
12
22
32
L
2
L
1
L
3
10
11
400 В
~
23
0 В
~
Подсоеди-
нение
L1
1 фаза
L2
2 фаза
L3
3 фаза
N
Нулевой
провод
E
Заземле-
ние
Провода
кабеля
Красный
Коричневый
Черный
3
1
2
3
1
2
Голубой
Зелено-
желтый
Подсоеди-
нение
Провода
кабеля
Красный, коричневый и черный
L(L1+L2+L3)
1
фаза
Голубой
Зелено-
желтый
N
Нулевой
провод
E
Заземле-
ние
Рис. 4.
Электрическая схема подсоединения к сети 230 В – 400 В
ТЭН 2 кВт,
2
3
0
В
~
Корпус изделия
Термостат
регулируемый
с защитным
отключением
N
E
230
В~
голубой
красный
коричневый
черный
зелено-желтый
S1
S2
S3
3
1
2
ПВС 5х25
ТЭН 2 кВт,
2
3
0
В
~
ТЭН 2 кВт,
2
3
0
В
~
11
21
31
12
22
32
L
2
L
1
L
3
3
1
2
3
1
2
L













