Tatramat LOVK 201 - Инструкция по эксплуатации - Страница 4

Водонагреватели Tatramat LOVK 201 - инструкция пользователя по применению, эксплуатации и установке на русском языке. Мы надеемся, она поможет вам решить возникшие у вас вопросы при эксплуатации техники.

Если остались вопросы, задайте их в комментариях после инструкции.

"Загружаем инструкцию", означает, что нужно подождать пока файл загрузится и можно будет его читать онлайн. Некоторые инструкции очень большие и время их появления зависит от вашей скорости интернета.
Страница:
/ 10
Загружаем инструкцию
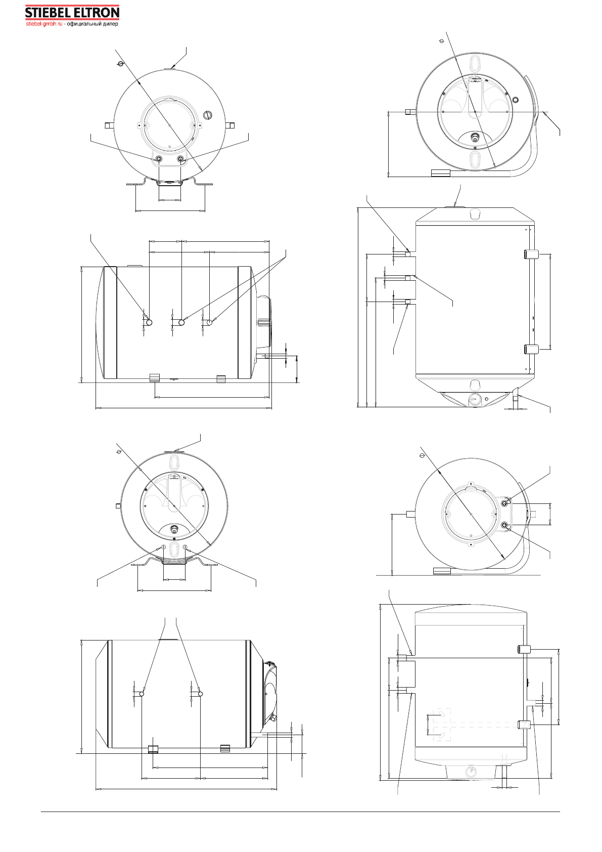
background image

4

5)

EOV

x.1,

EOV

200,

OVK

x.0

4)

EOV

x.1,

OVK

x.1

6)

LOVK

x.0,

ELOV

200

7)

ELOV

x.1,

LOVK

x.1

C

S

D

1

2

5

A

P

K2

K1

M2

L1

L2

L3

T

3

R

B

M1

4

T

R

B

A

M

K

P

3 4

L

L

D


S

1

2

5

K

M

E

A

L

B

L

4

3

C

1

2

P

D

R

6

5

R

D

C

1

2

K1

M1

P

L3L3

4

B

100

L1

L2

K2

M2

A

3

4

www.stiebel-gmbh.ru • info@stiebel-gmbh.ru • +7 (495) 565-34-82
г. Москва, Каширский проезд, д. 17, строение 5

Полезные видео

Характеристики

Оцените статью
tehnopanorama.ru
Остались вопросы?

Не нашли свой ответ в руководстве или возникли другие проблемы? Задайте свой вопрос в форме ниже с подробным описанием вашей ситуации, чтобы другие люди и специалисты смогли дать на него ответ. Если вы знаете как решить проблему другого человека, пожалуйста, подскажите ему :)

Задать вопрос

Часто задаваемые вопросы
Как посмотреть инструкцию к Tatramat LOVK 201?
Необходимо подождать полной загрузки инструкции в сером окне на данной странице
Руководство на русском языке?
Все наши руководства представлены на русском языке или схематично, поэтому вы без труда сможете разобраться с вашей моделью
Как скопировать текст из PDF?
Чтобы скопировать текст со страницы инструкции воспользуйтесь вкладкой "HTML"